
摘 要:为了满足半导体激光器(LD)对电流源高稳定性、低噪声的性能要求,文中基于负反馈原理设计一种可调节低噪声恒流源电路。该电路使用带隙基准电压源 AD780BN 提供低噪声、低温漂的基准电压,配合多路复用器 ADG1606的选择功能,由低噪声运放 LT1677 构成的负反馈恒流驱动电路通过 JFET 将电压转换成电流,经过 JFET 和 BJT 构成的调整网络输出稳定的电流,实现了稳定的多电流输出。实际电路测试结果表明:该恒流源电路在 3.8~5.5 V 的输入电压范围内,输出电流稳定度在 0.007%~0.029% 之间;在电流调控模块控制下,输出电流从 20~350 mA 按 30 mA 的步进可调;最大输出电流噪声为 2.8 μA,具有低噪声的性能。
0 引 言
恒流源是稳定电源中的一个特殊支系, 当输入电压、负载、工作温度等在某个范围内波动时, 其输出电流基本保持不变。恒流源被广泛应用于计量测试、科学研究、通信技术 、LED照明以及半导体激光器(LaserDiode,LD)等领域[1]。其中,LD是一种依靠电流注入作为激励工作的器件,注入电流的噪声会影响其电子⁃光子的转换,从而导致输出光功率发生变化。因此,LD对驱动恒流源有高稳定性、低噪声的要求[2⁃3]。恒流源作为电子电路和模拟电路中使用较多的电路单元之一,人们一直没有停下研究脚步。目前,负反馈结构是提高恒流源稳定性的一个有效途径[4⁃6]。除此以外,选择低温漂的基准电压源和采样电阻等也是提高恒流源性能的有效手段[7]。为满足LD对恒流源高稳定性、低噪声的性能需求,本文设计一款基于负反馈结构的恒流源电路,在MulTIsim软件中经仿真优化完成了电路的结构设计与核心元器件的选型,确定了元器件的参数值,并设计加工了PCB电路,给出了实际电路的测试结果,具体设计与测试分析如下。
1 恒流源电路设计
图1为本文设计的恒流源电路结构框图。图中:线性稳压模块将外部的输入电压转换为稳定的电源电压,为其他3个模块提供电源;基准电压模块将获得的稳定电压进一步分压,输出多路低噪声基准电压提供给电流调控模块;电流调控模块通过对输入恒流驱动模块基准电压的调整,达到控制输出电流大小的目的;恒流驱动模块利用负反馈原理,使作用在采样电阻上的基准电压保持不变,提高输出电流的稳定度。

1.1 线性稳压模块设计
本文设计的恒流源电路需要两个不同的电压值:5V和4V。其中, 5V电压给线性稳压模块和恒流驱动模块供电;4V电压为带隙基准电压源、多路复用器、运放等供电,整个电路对 4V电压的需求多且稳定性要求高。为此, 本设计采用低压差线性稳压器(Low DropoutRegulator,LDO)芯片来实现该模块的设计。
现有的LDO芯片型号较多,功能也不尽相同。在综合考虑性能、价格后,本文选择了美国微芯公司设计的TC1015线性稳压器,其内部集成有超温和过电流保护电路,且输出电压噪声极低,适用于稳压电路。查阅该芯片的产品手册可知,TC1015共有10种固定的输出电压可选,本文选择其输出电压为4V,得到的线性稳压电路如图2所示。

为降低电路对PCB布局的敏感性,在VIN与GND间接入容值为1μF的旁路电容C1,在 VOUT与GND间接入同样容值的旁路电容C2。考虑为后续器件供电时,电压在传输线中会产生一些波动,在VOUT与GND间又接入了容值为0.1μF的滤波电容C3~C5。电容 C1~C5不仅可以滤除噪声,也可以及时补充器件高速工作时所需的尖峰电流。
1.2 基准电压模块设计
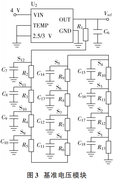
为保持稳定的输出电流, 基准电压必须具有低温漂,低噪声,高稳定性的特点[8]。AD780BN是一款超高精度的带隙基准电压源, 其最大温漂为3ppm/℃,最大噪声为100 nV/ Hz。所构建的基准电压电路如图3所示。为使输出电流从20~350mA按30mA的步进可调,即要求到达采样电阻的电压可调,电路中使用电阻分压结构来实现分压。

图3中,AD780BN 提供3V的低噪声基准电压,利用电阻R1~R13实现电压分压,通过节点S1~S12送入多路复用器。C6~C18均为容值0.1μF的滤波电容,滤除基准电压电路中可能的噪声。利用流经电阻R1~R13的电流 I均相等,由基尔霍夫电压、电流定律可知:

式中:UR1为R1两端电压降2.65V;UR为R2~R12每个电阻的压降30 mV;UR13 为 R13压降 20 mV。代入式(1)、式(2)后可得:

测试时,取 R2=50 Ω,则 R1=4 417 Ω,R13=35 Ω。
1.3 电流调控模块设计
为使电流调控更加便捷,本文在基准电压模块后加入型号为ADG1606的多路复用器。多路复用器的选择需要考虑导通电阻及导通电阻平坦度对输出信号非线性失真的影响。本文所选多路复用器在工作温度范围内最大导通电阻为7.5Ω,其构成的电流调控电路如图 4所示。电路中芯片开关端口S1~S12接12个不同的基准电压,S13~S16接地,4位二进制地址线(A0~A3)选择16个单通道输入中哪一路切换到公共输出端。

1.4 恒流驱动模块
恒流驱动模块是恒流源电路的核心单元,本文设计的负反馈结构恒流驱动模块如图5所示。其由低噪声运放U4、保护电阻R19、采样电阻Rs、短路保护开关K1、半导体激光器 LD、3个电容(C19~C21)和 2 个三极管(Q1与Q2)组成。U4的同相端通过电阻R19接入来自复用器输出的电压Vref,反相端接采样电阻Rs,负反馈结构使采样电阻两端电压V-与同相端电压V+保持一致,以使整个网络处于动态平衡。为使采样电阻两端电压保持稳定,选择噪声低、电源抑制比高的运算放大器,本文使用单电源供电的LT1677型轨至轨运算放大器,其可输出0至电源电压。

图5中,运放 U4同相端输入电压V+由电流调控模块的输出提供,通过由场效应管Q1与晶体管 Q2组成调整网络后,由采样电阻Rs将采样电压V-反馈到U4反相端。 将V+与V-做比较,调控U4的输出电压, 进一步调控输出电流。电路中Q1选择低噪声场效应管 2SK170, Q2选择NPN型晶体管MJE15032, 采样电阻Rs阻值为1Ω,保护电阻R19阻值为10Ω,C19容值为1μF,C20,C21容值为0.1 μF。
利用运放的“虚短”特性有:Vref=V+=V-,利用运放的“虚断”特性有:Io=V-Rs, 即Io=Vref Rs。当VCC, Vref稳定, 而Io突然增大时,会导致Q1漏极电位下降,而使U4同相输入端与反相输入端之间的压差降低,运放输出电压即Q1栅极电压减小会使Q1漏极电流ID减小,导致Q2基极电流IB减小,使Q2集电极电流IC及Io减小。同理,当流过电阻RL的电流突然减小时,U4同相端与反相端之间的电位差增加,Q2集电极电流IC变大使Io增大,这表明恒流驱动电路具有输出电流的自我调节功能。对该电路进行分析,得到流过LD的电流,即Io的大小和稳定性仅与Vref,Rs的比值有关,而Rs一般为固定值,若Vref 精度高、稳定性好,则输出的电流便具有高精度和高稳定性的特点。
LD是一种结型器件,承受电冲击能力弱,使用过程中的电冲击主要来自电源关断或开启时产生的电压、电流涌浪冲击,或是外电路带来的涌浪冲击。基于此,本文将一个接触电阻很小的开关K1与LD并联。当开关K1闭合时,由于K1电阻很小,此时K1相当于短路,电流不会经过 LD,在电路稳定工作后再断开K1,LD开始工作,这种方法可以非常有效地消除电源开关时所产生的涌浪冲击。
2 实验测试
2.1 输出电流相对误差测试
图6为设计的恒流源电路实物图,电路尺寸为3.5 cm×3.0 cm,电路板分为上下两块极板,通过四角上的排针相连。上极板的VIN端接5 V的电源电压,下极板通过杜邦线控制芯片输出,从而实现调节电流的目的。

设计的恒流源可以输出12个不同的电流值。采用六位半数字万用表Keithley 2000测量恒流源输出值,测试电路如图7所示。测量的数据为直流电压,根据欧姆定律将直流电压转换成直流电流。

输出电流值与复用器真值表的关系,以及测量数据如表1所示,其中相对误差是将实际值与理论值进行比较,计算公式如下:


由表1可以看出,除20 mA以外,其余电流测试值与预设值误差较小,相对误差优于 1.5%。由表1结果分析可知:电流值整体偏小,可以通过减小R1阻值或选用更高精度的电阻等对电路进行改进;而20 mA电流值与预期误差较大,可增大R13阻值或选用高精度电阻做进一步改进。
2.2 输出电流稳定性测试
在室温下,利用数字直流稳压电源、六位半数字万用表对恒流源进行稳定性测试。考虑半导体激光器价格昂贵,参考其推荐用法,测试时将2个5 Ω的高精密金属箔电阻器 RJ711并联得到2.5 Ω 的负载接入电路输出端[9⁃10],用万用表直流电压档进行测量,每隔 1 min 记录1次恒流源输出电流,观察电流稳定度,总计60 min。其记录结果如图8所示,可以看出,该恒流源连线工作1h后,输出电流仍保持稳定。稳定性(Istability)是恒流源性能优异的重要指标,计算公式如下:

式中:Ia是输出电流平均值;Ic是电流测试值。计算得到输出电流值为20 mA时Istability最大,为0.029%;输出电流值为350 mA时Istability最小,为0.007%。可见,恒流源稳定性良好。

不同输入电压下,电路输出电流的测试结果如图9所示。图9表明, 该恒流源在3.8~5.5V之间输出的电流稳定。

2.3 输出电流噪声测试
半导体激光器对恒流源要求必须是低噪声的,所以对所设计的恒流源进行噪声大小测试是非常必要的。同样采用六位半数字万用表进行测试,负载仍为2.5Ω高精度电阻,选择万用表的直流电压档进行测量[2]。测试时,从输出电流350 mA按30 mA递减至20 mA,每改变一次电流值就记录电流表上直流电压档的示数。 表2为电流噪声与输出电流的关系。由表可知,该恒流源输出电流噪声最大为2.8 μA。

表3中给出了所设计的恒流源电路性能参数与部分已报道的恒流源电路参数的比较。由表3可见,本文电路具有低噪声的性能。

3 结 论
为给半导体激光器提供高稳定性、低噪声的恒定电流,设计一种可调节的恒流源电路。此恒流源采用负反馈结构,通过 JFET 将电压转换成电流,经过JFET和BJT构成的调整网络输出稳定的电流,并给出了消除电源开关产生的涌浪冲击的方法。测试结果表明,该电路可在3.8~5.5 V的输入电压范围内,按30 mA的步进输出20~350 mA的输出电流,电流稳定度在0.007%~0.029%之间,噪声低 3 μA,同时具有体积小的优点。
作者简介:
黄惠琳(1997—),女,河南信阳人,硕士研究生,主要研究方向为数模混合集成电路设计。
陆小飞(1977—),男,江苏南通人,硕士,讲师,主要研究方向为模拟集成电路设计、系统电路设计。
杨羽佳(1995—),男,江苏盐城人,硕士研究生,主要研究方向为数模混合集成电路设计。
黄 静(1978—),女,江苏南通人,硕士,副教授,主要研究方向为数模混合集成电路设计。
施 佺(1973—),男,江苏南通人,博士,教授,硕士生导师,主要研究方向为集成系统开发应用、智能信息处理。
审核编辑:汤梓红
欢迎分享,转载请注明来源:内存溢出
微信扫一扫
支付宝扫一扫
评论列表(0条)