
摘要:某大功率恒流源,其负载为0.05~0.1Ω的感性或电阻性,输出电流200~500A连续可调,并对稳定度、准确度、重复性、纹波等技术指标均有较高要求。由于采用了三相交流调压模块,使调整管的管压降被控制在5~10V范围内,从而使调整管的数量成倍地减少,既简化了散热措施,优化了结构布局,而且达到了提高技术性能指标,增加可靠性的目的。
关键词:交流调压模块;恒流源;串联调压式
1引言
某项科研任务需用上百台500A恒流源,要求其有极高的可靠性、稳定度和低的纹波。其交流电网电压340~420V,负载在0.05~0.1Ω的大范围内变化,电流从200~500A连续可调,使用工控机进行控制。
从经验和可靠性考虑,确定采用线性串联电源方案。为了提高输出电流稳定度,降低纹波以及避免开机瞬间对滤波电容、调整管的冲击,可在三相桥式整流输出端串接扼流圈。但是,针对本电源,需要制作500A,mH级的扼流圈,不仅造价高、体积大、笨重,需占有较大空间,而且影响装配结构、布局。能否采用别的技术而不用扼流圈,则是本课题需要解决的一个问题。
已知负载电压最低10V(0.05Ω/200A),最高50V(0.1Ω/500A),负载电压的变化由调整管调节,再考虑电网电压的变化,则调整管最高工作电压可达60V。一般调整管在高的工作电压下,其极限功率要下降,有的急剧下降,虽然可以采用变压器电压分低、中、高三档的办法来解决,但考虑到负载通电发热阻值变大,电网变化及三档复盖等因素,调整管的工作电压仍在20V以上。当调整管管压降20V时,其耗散功率为10kW,如何将10kW的功率转换的热量排散出去,亦是很难解决的问题。
为了使恒流源安全可靠工作,拟选功率为300W的调整管降额到l00W使用,则需100只并联,这必然使装配复杂,成本增加。
要解决上述问题可行的技术方案很多,经比较论证确定选用晶闸管交流调压式。
2方案及工作原理
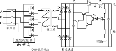
选用淄博市临淄银河高技术开发有限公司生产的捷普三相交流智能控制模块作为前级调压单元,恒流源工作原理见图1。
三相交流电经断路器、调压模块、变压器降压、三相桥式整流滤波后的直流电压Vo为恒流源供电。
断路器起着过流保护作用,当恒流源失控或负载短路时,自动切断电源。
交流调压模块是本方案重要部件,只需外加12V直流电,以手动或微机控制给定信号电压,即可改变6只晶闸管的触发角,从而改变交流输出电压,达到控制直流电压Vo的目的。
直流电压经电流取样,比较放大调整后输出稳定的电流Io,从线性串联电源原理可得:
Vo=Vce+Vs+VLVs=IoRsVL=IoRL式中:Vce为调整管的压降;

图1恒流源主电路
Vs为取样电阻的电压;
VL为负载电阻的电压。
由于Rs< 3方案效果分析
用变压器分档办法,调整管管压降仍在20V以上,如何将调整管耗散10kW的热量排散出去,以往采用水冷或风冷散热器,而且以水冷为主。
采用水冷须另加水冷装置,不仅装配工作量大,而且特别是上百台恒流源,要用上千根连接水管,易发生漏水问题,如有一处漏水,实验就无法进行。
采用晶闸管交流调压式,使调整管在较低的电压下工作,管耗在3.5kW左右,从而使调整管数量成倍减少,不仅降低成本,减少工作量,而且管耗成倍降低,只要选择热容量大的金属作为散热器,并适当增加厚度和散热面积,加强风冷,则可以去掉水冷,这是对恒流源最大的改进。
虽然用串联扼流圈方式可降低纹波,提高稳定度和减轻启动瞬间对调整管和滤波电容的冲击损伤,但500A,mH级的扼流圈占据较大空间,影响装配结构。实践证明装配工艺、布局对恒流源技术指标有较大影响。采用晶闸管交流调压式,可以使装配结构布局更加合理,从而有利于改进和提高恒流源性能指标;采用调压式可以使移相控制器的控制信号电压缓启动,避免启动瞬间对调整管和滤波电容的冲击损伤。因此,采用晶闸管交流调压式可以去掉体积大、笨重、造价高的扼流圈。
采用晶闸管交流调压式,变压器不用分档,只要改变交流模块控制信号电压就能达到控制恒流源直流输出电压的目的,使调整管工作在5~10V范围内。
4结语
采用晶闸管交流调压式,去掉水冷和扼流圈,使结构紧凑、布局合理、工艺规范,调试方便,一致性好。同时对原取样电阻也作了较大改进,从而使恒流源的性能指标有了较大提高,在30s内稳定度优于0.01%,纹波优于0.1%(峰值),重复性优于0.1%。
采用调压式,由于调整管工作在较低的电压下,性能稳定可靠,两台样机均做10000次可靠性实验,无失误。
采用调压式,优化装配结构布局,装配维修简便,省工省时。
采用调压式,省掉500A,mH级扼流圈,成倍地减少了大功率调整管,并去掉了水冷系统,减小了体积,减轻了重量,降低了成本。
不足之处是,三相交流模块是通过改变晶闸管的触发角进行调压,再加之变压器二次又有三相桥式整流,都是谐波源,因此对电网产生谐波污染。
欢迎分享,转载请注明来源:内存溢出
微信扫一扫
支付宝扫一扫
评论列表(0条)