
此前,我们已经看到了如何电源可分为两类:电源与开关稳压器线性稳压器和电源。尽管它们非常简单和便宜,但线性稳压器有一些局限性,主要是因为它们的效率非常低以及需要散发大量热量(随着输出电压和输入电压之间的差异而线性增加)。
电流开关稳压器可提供 20 W/in 的功率密度。3,与0.3 W/in的密度相比。之前的线性电源模型中的3种。此外,SMPS 可以从单个输入电压开始提供多个隔离输出电压,实现 70% 至 95% 的效率。关于开关稳压器,我们已经介绍了两种经典方案,即正向稳压器和反激式稳压器。在本文中,我们将通过检查用于多种应用(包括高功率应用)的 SMPS 电源的其他方案或拓扑来深化讨论。
降压稳压器
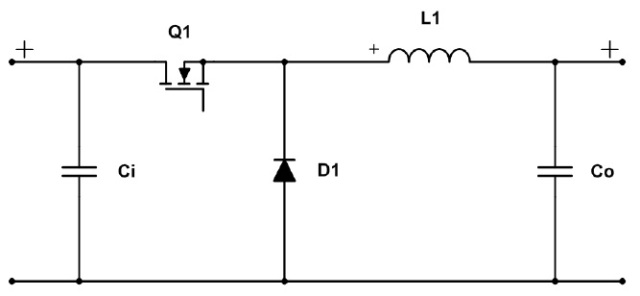
降压稳压器可以被认为是一种正向稳压器,正如我们所知,它很容易通过 LC 滤波器输出端的存在来识别。该稳压器的特点是产生低于输入电压的输出电压;因此,它是一个降压稳压器。降压稳压器方案如图 1 所示。当开关晶体管 Q 1由具有特定频率和占空比的 PWM 信号驱动,处于“导通”状态时,负载由流经电感的电流供电,它在电感器和输出电容器中存储能量。另一方面,二极管是反向偏置的,因此被阻断。当 Q 1处于“关闭”状态,电路由二极管关闭,二极管现在正向偏置,电感和电容器存储的能量为负载供电,直到下一个“开启”周期发生。输出电压 V OUT由输入电压 V IN与 PWM 信号的占空比 D的乘积给出。

图 1:降压稳压器原理图
升压调节器
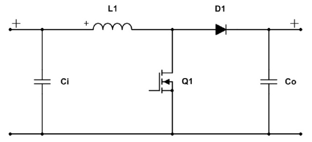
升压稳压器的特点是产生大于输入电压的输出电压。它在降低电流的同时升高电压。升压稳压器(其原理图如图 2 所示)将能量存储在其电感器中,并在高于输入电压的电压下释放能量,这一特性使其对于升压电子设备非常有用。当开关晶体管Q 1导通时,输入电压提供的能量储存在电感中,而二极管反向偏置。在此期间,负载由存储在电容器中的能量供电。当 Q 1关闭时,二极管正向偏置,电感存储的能量可用于为负载供电并为输出电容器充电。

图 2:升压调节器原理图
通过将降压调节器与升压调节器相结合,可以获得降压-升压调节器,它能够仅使用一种电路拓扑来升高(升压)和降低(降压)输入电压。
反相调节器
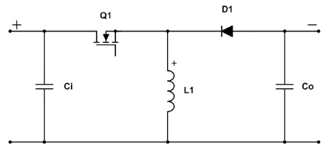
升降压稳压器不仅可以增加或降低输入电压,还可以从正输入电压开始产生负输出电压。图 3 显示了反相降压-升压稳压器的原理图(注意二极管现在如何连接到输出电压的负端子)。

图 3:反相降压-升压稳压器原理图
电力公司
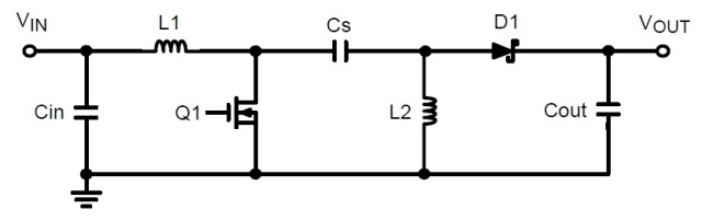
与降压-升压类似,单端初级电感转换器 (SEPIC) 能够提高或降低输入电压,从而获得更高或更低的输出电压。当晶体管处于“关断”状态时,能量被转移到负载。在图 4 中,我们可以观察到 SEPIC 转换器的典型原理图。两个电感器 L 1和 L 2也可以缠绕在同一个磁芯上,因为在整个开关周期内对它们施加相同的电压。

图 4:SEPIC 转换器原理图
当开关管Q 1导通时,电感L 1开始储存输入电压提供的能量,电容C S给电感L 2充电,二极管D 1开路,负载直接由C OUT供电. 当 Q 1关闭时,二极管 D 1正向偏置,负载由 L 1和 L 2提供的能量供电。
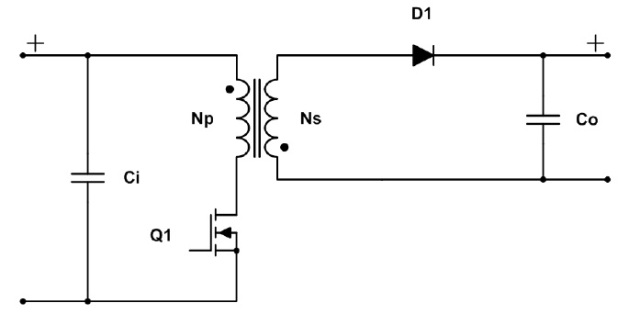
反激式转换器
反激式稳压器将输入电压转换为更高或更低值的输出电压,具有正极性或负极性。反激式转换器是包含电绝缘的最简单的拓扑类型。尽管应用仅限于低功率或中等功率,但这些稳压器具有一些显着优势,包括极其简单。绝缘由变压器提供,变压器的作用相当于一对存储能量的电感器,如具有降压或升压拓扑的转换器。开关晶体管,通常是 MOSFET 或 IGBT,在导通 (on) 和阻断 (off) 状态之间交替运行。在“导通”状态下,输入电流对变压器的初级绕组充电,二极管反向偏置,负载由电容器供电(图 5)。在“关闭”状态下,初级绕组中没有电流流动,而存储在其中的能量被转移到次级绕组。二极管现在正向偏置,允许次级绕组向负载提供电流并为电容器充电。

图 5:反激式转换器原理图
半导体选型
实现开关电源所需元件的选择取决于几个因素,其中主要有:成本、电压和电流的最大值、控制开关的 PWM 信号的频率和占空比,以及所需的元件。热管理。开关晶体管无疑是最关键的组件之一,因为其性能、可靠性和成本在很大程度上影响了项目的成功。最常用于开关晶体管的技术是双极结型晶体管 (BJT)、MOSFET 和 IGBT。BJT 具有便宜且坚固耐用的优点,但它们在开关频率和可处理的功率水平方面受到限制。IGBT 能够承受比 BJT 高得多的电流和电压,并且占据非常窄的硅面积,具有成本优势。功率 MOSFET 可以在比 IGBT 更高的开关频率下工作,是最常见的选择。通常,最常见的建议是选择 R DS(on)尽可能低的 MOSFET价值,作为这个因素,通过减少功率损耗,最大限度地减少散热器的尺寸和成本。此外,MOSFET 的驱动器电路必须能够提供获得极快开关时间所需的电流。
审核编辑:刘清
欢迎分享,转载请注明来源:内存溢出
微信扫一扫
支付宝扫一扫
评论列表(0条)