
在电源中,线性稳压器和开关稳压器执行相同的功能,从未稳压的输入电压开始生成稳压输出电压。然而,他们通过使用不同的技术来完成这项任务,每种技术都有自己的优点和缺点。
线性电源只能降低(降压)输入电压,获得较低的输出电压。这通常是通过强制 BJT 或 MOSFET 晶体管在其线性区工作来实现的。后果有两个:
输出电压和输入电压之间始终存在差异 ( V DROP )。
由于线性区中的晶体管的连续 *** 作中,调节器消耗相当大的功率的,由下式给出V DROP乘以予LOAD,其中我LOAD是电流吸收由负荷。
因此,线性稳压器的效率非常低,通常在 35% 到 65% 之间,输出电压和输入电压之间的差异越大 ( V DROP = V IN – V OUT ),效率越低。以V IN = 9 V、V OUT = 5 V 和I LOAD = 150 mA的线性稳压器为例。该调节器应能耗散600毫瓦(的功率(V IN - V OUT)×I LOAD),相比750毫瓦(的可用输出功率V OUT ×I LOAD)。因此,该稳压器的效率约为 55%。随着输出功率的增加,对有效散热的需求也随之增加,这可以通过散热器获得。然而,超过几瓦时,从经济角度来看,线性稳压器不再方便,因此代表了低功率应用的理想解决方案。一类特殊的线性稳压器是低压差稳压器 (LDO),它集成了一个能够包含 V DROP值(通常为几百或几十毫伏)的特殊电路,从而提高了整体效率。线性稳压器的优点在于电路简单(需要很少的外部元件)、低成本和无开关噪声(晶体管始终工作在线性区)。
开关电源通过在 CUTOFF 状态(无电流但开关上有高电压)和 SATURATION 状态(有高电流但开关上的电压非常高)之间快速切换晶体管来工作小的)。如此获得的脉冲电压随后可以通过变压器增加或减少,最后过滤以获得直流输出电压。开关电源可实现高效率值,通常在 65% 到 95% 之间。主要缺点在于设计复杂性和开关噪声的存在,在一些应用中必须消除这些噪声。开关电源由外部脉宽调制 (PWM) 信号控制,该信号决定“开关”晶体管的开关频率和占空比。
正向模式转换器
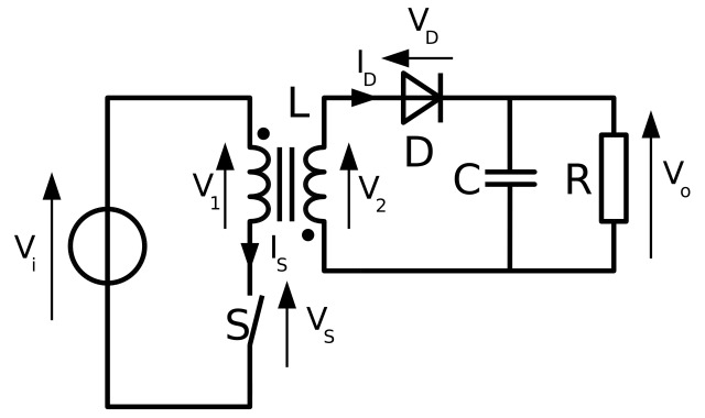
通过 LC 输出滤波器的存在可识别的正向转换器使用变压器来升高或降低输入电压,并为负载提供与交流电源电压的电流隔离。图 1显示了正向转换器的基本方案。当晶体管处于导通状态 (on) 时,能量被传输到输出端。LC 滤波器产生一个输出电压V OUT ,其值可以计算如下(D是 PWM 信号的占空比,而N S和N P是变压器各自绕组的匝数):
V OUT = V IN × D × (N S ÷ N P )
通过改变占空比,因此可以修改输出电压值。

图 1:正向转换器的基本图
反激式转换器
即使它基于与正向转换器相同的组件,反激转换器也以完全不同的方式运行。反激式稳压器将输入电压转换为具有较高或较低值和正极性或负极性的输出电压。反激式转换器的基本框图如图 2所示。图 2 中的开关实际上被一个由 PWM 信号控制的开关晶体管(通常是 FET)代替。

图 2:反激式转换器的基本图
当开关闭合(晶体管导通)时,输入电流穿过变压器的初级绕组,在次级绕组上感应出负电压。二极管因此被反向偏置,并且负载由存储在输出电容器中的能量供电(图 3 的上部)。另一方面,当开关打开(晶体管关断)时,变压器初级绕组上的电流为零,而次级绕组上的电压变为正值。这导致二极管导通,进而可以为负载供电并为电容器充电。

图 3:反激式转换器的两个工作阶段
审核编辑:刘清
欢迎分享,转载请注明来源:内存溢出
微信扫一扫
支付宝扫一扫
评论列表(0条)