
引言
国外新建的输油管道多为全线集中控制设计,旧的管道系统也在不断朝这个方向改进。我国大部分输油管道都建于20世纪70年代,控制系统与国外的先进技术有一定的差距。为了提高输油效率和改善工人的工作条件,迫切需要寻求一种无线控制的解决方案。
本文提出了一种基于GPRS网络和ZigBee无线通信技术的远程油阀控制系统技术方案。此方案完全满足远程无线油阀控制的迫切需要,促进油阀控制系统自动化的发展,并且该方案可以适用于其他阀的控制,例如天然气阀和暖气阀等。
1 系统总体结构
远程油阀控制系统总体结构如图1所示。远程油阀控制系统由中心控制室、GPRS无线数传模块、ZigBee无线信号收发模块和执行器模块4部分组成。其中,中心控制室由中央监控计算机、运行参数采集系统、显示系统以及报警系统组成;GPRS无线数传模块采用的是Motorola公司生产的G24无线通信模块;ZigBee无线信号收发模块采用的是Chipcon公司生产的CC2430芯片;执行器模块采用的是两相混合式步进电机。

图1 系统总体结构
系统通过中央监控计算机发送控制命令包给GPRS网络发送模块,GPRS网络发送模块把命令转发到远程的GPRS网络接收模块,GPRS网络接收模块再把控制命令通过串口发送到ZigBee的协调器上,协调器把各个阀门的控制命令发送到相应的ZigBee路由器模块上。最后,ZigBee的终端模块根据得到的命令发脉冲给步进电机驱动电路,从而控制步进电机的旋转。电机和旋转阀门连接在一起,这样电机的旋转将带动阀门旋转从而控制流量。
2 系统硬件设计
2.1 GPRS传输模块
GPRS无线数传模块是ZigBee无线信号收发模块和中央监控计算机之间命令传输的桥梁。中心控制室可以通过微波监控各站得到系统主要的运行参数和状态,以及各管路运行情况的变化。中央监控计算机根据这些参数或报警信号提出合理的处理方案,调度人员分析判断后下达指令调整运行参数。这些调整参数就是通过GPRS远程输送到ZigBee网络的协调器上。

图2 GPRS无线数传模块硬件框图
GPRS无线数传模块的硬件框图如图2所示。
综合本系统的远程无线通信要求,GPRS选用的是Motorola公司生产的G24模块。G24模块是一款高速的GSM/GPRS/EDGE模块,支持850/900/1800/1900 MHz四种频率。其中,850/900 MHz频段的功耗为2 W,1800/1900 MHz的频段功耗为1 W。自动波特率范围为300 b/s~115 kb/s,由标准的AT指令控制[1]。G24模块和其外围电路匹配后完全可以进行远距离GPRS通信,而且可以工作于恶劣的环境中。
2.2 ZigBee无线信号收发模块
ZigBee是一种新兴的近距离、低复杂度、低功耗、低成本的无线网络技术[2]。以 IEEE 802.15.4为标准,ZigBee网络由1个协调器、1个或多个路由及终端设备组成。每一个网络必须有1个协调器,它是整个网络的核心,负责建立网络并保存其他网络节点的地址建立地址表;路由节点提供接力作用,扩展无线传输的距离;终端设备实现具体的功能。ZigBee网络一般支持3种拓扑结构:星型、树型和网状型[35]。本系统微控制器采用符合ZigBee技术的2.4 GHz射频系统单芯片CC2430无线单片机。
CC2430单片机功耗非常低,待机时电流消耗仅为0?2 μΑ,在32 kHz晶振频率下运行时电流消耗也小于1 μΑ,使用小型电池寿命可长达10年[6]。由于CC2430将8051内核与无线收发模块集成到一个芯片当中,简化了电路的设计过程,缩短了研发周期。该模块电路主要有JTAG调试模块、电源模块、指示模块和电机控制接口4部分,它为实现节点程序的下载、在线调试等提供硬件接口。其硬件结构框图如图3所示。

图3 ZigBee模块硬件结构框图
2.3 执行器模块
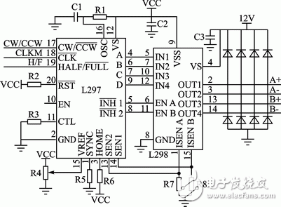
步进电机是将脉冲信号转换为角位移和线位移的开环控制元件,在非超载的情况下,电机的停止位置和转速只取决于脉冲数和频率,并且无累积误差。这些优点使步进电机广泛应用于速度和位置控制领域[7]。该系统采用了两相混合步进电机。电机驱动电路由 L297和L298芯片组成。L297是步进电机控制器(包括环形分配器), L298是双H桥式驱动器。步进电动机驱动电路如图4所示。

图4 步进电机驱动电路
这种方式可用来驱动电压为46 V、电流2.5 A以下的步进电机。这样可以减少元件从而使得装配成本低、可靠性高且占空间小,并且通过软件开发可以减轻微型计算机的负担。另外,L297和L298都是独立的芯片,所以应用是十分灵活的。
欢迎分享,转载请注明来源:内存溢出
微信扫一扫
支付宝扫一扫
评论列表(0条)