
很早就已经出现了恒流二极管,但是这种二极管并没有引起人们的关注,因为它只是用于某些仪器仪表中作为电流的标准。然而近来随着LED产业的蓬勃发展,这种二极管突然引起了广泛的兴趣。很多国外的大公司都开发出这种产品以供驱动LED,这是因为LED必须采用恒流源作为驱动的原因。下面我们将要深入讨论一下恒流二极管的性能和应用。
一.什么是恒流二极管
理想的恒流源是一种内阻为无穷大的器件,不论其两端电压为何值,其流经的电流永远不变。当然这种器件是不可能存在的。实际的恒流二极管相当于一个在一定工作电压范围内(例如25-100V),其电流恒定为某一值(例如20mA)。其等效电路如图1所示。

图1. 恒流二极管的等效电路
其内阻为Z,并联的电容大约为4-10pF。其典型的伏安特性如图2所示。

图2. 恒流二极管的典型伏安特性
它在某一个电压范围内有一段恒流区间,在这个区间,流经的电流几乎不变,VL为到达IL的电压值,IL大约为0.8Ip,Vb为击穿电压值。但是实际的恒流二极管并不是那么理想。图3是美国Supertex的CL1恒流二极管的特性。它的电流仍然会随电压而有所增加。

图3. 实际的恒流二极管的伏安特性
恒流二极管的另一个特性就是它的温度特性,温度特性通常用相对值%/°C或绝对值μA/°C来表示。这个温度系数通常是负值。其值取决于恒流的值,恒流值越大,温度系数也越大,通常在-0.4%~-0.6%之间。为了达到恒流的目的当然不希望电流随温度变动,所以通常需要采用温度补偿措施(图4)。

图4. 恒流二极管的温度补偿措施
采用温度补偿以后就可以把电流的温度系数降低到很小的数字,例如Supertex公司的CL1的电流温度系数只有-8.5μA/°C。
二.恒流二极管的构成
最简单的恒流二极管就是采用一个结型场效应管(图5)。

图5. 用一个结型场效应管构成恒流二极管
用两个晶体三极管,也可以构成一个恒流源(图6)。

图6. 用两个三极管构成一个恒流源
其电流为:I = Vbe/R1,
它虽然很简单,但是缺点是不同型号的管子,其be电压不是一个固定值,即使是相同型号,也有一定的个体差异。所以很难批量生产。为了克服这个缺点,就采用结型场效应管来代替晶体管。同时在反馈回路里采用一个运放

图6. 采用结型场效应管和运放的恒流源
其电流:I = Vin/R1,这个恒流源还需要一个基准电压Vin,最简单的基准电压就是齐纳二极管,所以也可以利用一个齐纳二极管和一个三极管或场效应管来构成恒流源。

图7. 采用齐纳二极管的恒流源
其所恒定的电流:I = (Vd-Vbe)/R1。
但是,所有以上结构都是利用现有的半导体器件来构成恒流源。实际上现在已经可以根据对恒流特性的要求,构成专门的半导体器件而能具有所要求的恒流特性。其构成如图8所示。

图8. 专门的恒流二极管结构
当一个反向偏压加到PN结的阴极和阳极时,这个恒流二极管开始导通,当反向偏压增加到VL时(见图2),其电流由于N区的体电阻也跟着增加,当电流增加到曲线的拐点时,在N区和P型栅之间形成一个耗尽层。这个耗尽层减小了N区中电流的路径也就减慢了电流的增加速度。结果这个耗尽层遇到了P型栅于是就产生了夹断效应,这使得电流变成恒定而几乎和所加电压无关,直到所加电压达到一个击穿点Vb。如果所加电压反过来,那么就相当于一个正向电压加到一个PN结,其特性就和一个普通二极管加上正向电压时一样。
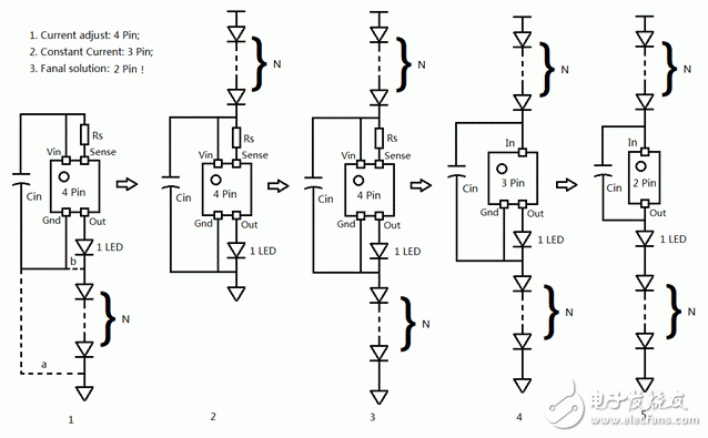
实际所采用的恒流二极管可分为4条管脚,3条管脚,和2条管脚三种结构和封装(图9)。

图9. 3种封装的恒流二极管
其中4条管脚的恒流二极管主要用于可调恒流电流。
三.几种恒流二极管的参数
下面列出几种常用的恒流二极管的参数

欢迎分享,转载请注明来源:内存溢出
微信扫一扫
支付宝扫一扫
评论列表(0条)