
开关电源由于在体积、重量、效率和可靠性等多方面的优势,目前在计算机、通信、家用电器、雷达、空间技术等众多领域中已得到了广泛的应用。开关电源的控制方式:脉冲宽度调制(PWM)、脉冲频率调制(PFM)、脉冲宽度频率调制(PWM-PFM)。其中PWM是目前应用在开关电源中最为广泛的一种控制方式,具有噪音低、满负载时效率高等优点,PFM具有静态功耗小的优点。在许多应用场合,单一的PWM或PFM已经不能满足设计的需要,但目前市场上没有专门的PWM-PFM集成芯片出售。本文以SG3525为例,介绍用PWM控制芯片实现变频控制的思路与方法。
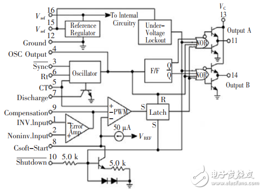
1、SG3525的基本原理介绍及PWM脉冲频率的计算与分析如图1所示,SG3525主要由基准稳压源、振荡器、误差放大器、PWM比较器和锁存器、分相器、或非门电路和图腾输出电路等几大部分组成。脚16为SG3525的基准电压源输出,精度可以达到(5.1±1%)V,采用了温度补偿,而且设有过流保护电路。SG3525的振荡器通过外接时基电容和电阻产生锯齿波振荡,同时产生时钟脉冲信号,该信号的脉冲宽度与锯齿波的下降沿相对应。时钟脉冲作为由T触发器组成的分相器的触发信号,用来产生相位差为180°的一对方波信号。误差放大器是一个两级差分放大器,直流开环增益为70dB左右。经差分放大的信号与振荡器输出的锯齿波电压分别加至PWM比较器的反相输入端和同相输入端,比较器输出的调制信号经锁存后作为或非门电路的输入信号。

图1 SG3525内部结构图
输出末级采用推挽输出电路,拉电流和灌电流峰值达200mA。由于存在开闭滞后,使输出和吸收间出现重叠导通。在重叠处有一个电流尖脉冲,持续时间约为l00ns。可以在13脚处接一个约0.lμF的电容滤去电压尖峰。
SG3525的PWM的脉冲频率由振荡器的锯齿波频率决定,每路PWM的频率是锯齿波频率的一半;脉冲宽度由误差放大器的输出电压控制,误差放大器的输出电压越高、脉冲宽度越大,最大脉冲宽度为锯齿波上升时间tp(锯齿波周期T,死区时间td)。
欢迎分享,转载请注明来源:内存溢出
微信扫一扫
支付宝扫一扫
评论列表(0条)