
新型电力电子器件IGBT 作为功率变换器的核心器件,其驱动和保护电路对变换器的可靠运行至关重要。集成驱动是一个具有完整功能的独立驱动板,具有安装方便、驱动高效、保护可靠等优点,是目前大、中功率IGBT 驱动和保护的最佳方式。
集成驱动一般包括板上DC-DC 隔离电源、PWM 信号隔离、功率放大、故障保护等4 个功能电路,各功能电路之间互相配合,完成IGBT 的驱动及保护。输入电源为板上原边各功能电路提供电源,两路DC -DC 隔离电源输出分别驱动上、下半桥开关管,同时为IGBT 侧故障检测和保护电路提供电源,因此集成驱动板上电源是所有电路工作的前提和基础。
文中的半桥IGBT 集成驱动板需要两组隔离的正负电压输出,作为IGBT 的驱动及保护电路电源。由IGBT 的驱动特点可知,其负载特性类似于容性负载,要达到可靠、快速的开通或关断,就要求电源具有很好拉/灌电流能力,即良好的动态特性。半桥IGBT由上、下两路开关管组成,型号相同,导通、关断的驱动电压、电流特性一致,作为双路隔离DC-DC 电源的负载,其负载特性是稳定的。因此可以设计两路隔离电源,按照所要驱动的最大负载设计,不需要进行反馈控制。实际设计时必须依据选用的IGBT 开关管参数和工作频率,核算驱动板电源功率是否满足,若不满足,则需重新选用开关管。
1 IGBT 半桥集成驱动板电源设计
1. 1 IGBT 半桥集成驱动板电源特点
电力电子变换拓扑中,以半桥IGBT 为基本单元进行的拓扑设计最为广泛,相应地对其有效驱动和可靠保护由半桥IGBT 集成驱动板实现。半桥IGBT集成驱动板自身必须具备两路DC-DC 隔离电源,该电源要求占用PCB 面积小、体积紧凑、可靠性高,并且两组电源副边完全隔离。在大功率半桥IGBT集成驱动单元的项目中,针对驱动单元需要高效、可靠的隔离电源,设计了一种电源变压器原边控制拓扑,即两组隔离电源变压器原边共用一组全桥控制的思路,提高了电源功率密度和效率,节省了功率开关数量。全桥开关管巧妙搭配,无需隔离驱动,减少了占用集成驱动板上的PCB 面积。
由于上下半桥的两个单元IGBT 性能参数一致、同体封装,对半桥IGBT 集成驱动板上两路驱动表现出的负载特性完全一致,因此在IGBT 半桥集成驱动板的电源设计中,两组隔离的DC-DC 电源原边完全可以共用一组控制电路。IGBT 半桥集成驱动板一般镶嵌在IGBT 功率模块上,它对驱动板要求有两个:
第一是半桥集成驱动板对PCB 面积、体积要求很高,要求尽可能小的PCB 面积和体积; 第二因为驱动IGBT需要的功率较大,对板上电源的功率密度、效率要求也较高。
1. 2 原边共用全桥控制的DC-DC 电源设计
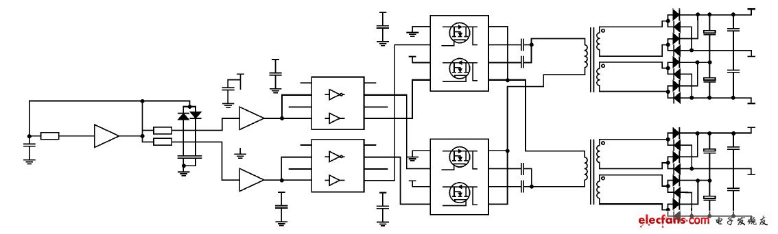
设计采用全桥电路控制DC-DC 电源变压器,两个变压器原边共用一个全桥开关。正常模式下两个全桥变换拓扑需要两组全桥开关,同时全桥开关的脉冲驱动电路也为两组共8 路PWM 脉冲。采用共用全桥拓扑节省了控制电路和全桥开关,简化了DC-DC 隔离电源电路。由于该电源是给半桥IGBT 驱动电路供电,负载稳定且可计算,因此全桥DC-DC 电源采用开环控制,满足最大功率需求即可。电路原理如图1所示,该电源由4 部分组成: 4 路PWM 脉冲产生电路、全桥驱动开关、电源变压器及其副边整流滤波电路。DC-DC 电源输入为单+ 15 V 电源,输出为两组隔离的+ 15 V 和- 10 V 双电源,采用负电源是为可靠地关断IGBT.

图1 原边共用全桥的DC-DC 原理图
共用全桥开关的两组DC-DC 隔离电源工作原理为: 对角的开关管同时开通,另外一组对角已经关断,此时两组磁芯原边同时正反相激磁,副边耦合,再进行全波整流滤波后得到稳定的电源。设计全桥开关工作频率为360 kHz,同时采用全波整流,因此副边不需要很大的滤波、储能元件,有利于实现DC -DC 电源小型化。
全桥DC-DC 电源参数为: 输入+ 15 V; 输出+ 15 V、-10 V; 输出功率6 W; 工作频率360 kHz。要求额定负载下动态特性满足: + 15 V 波动《+ 1 V; - 10 V 波动《 - 2 V; 工作频率满足5%的偏差容限。其中工作频率由施密特触发器CD40106 参数及RC 数值决定。具体参数为: R = 2. 2 kΩ; C =748 pF; VDD = 15 V; V T + = 8. 8 V; V T - = 5. 8 V.根据式( 1) 计算出振荡频率为748. 792 kHz,因为设计中多谐振荡器输出对2 路RC 充放电,充电电容容量增大一倍,因此振荡频率为上述计算频率的1 /2,即374. 396 kHz。

1. 2. 1 原边共用全桥控制的4 路PWM 信号产生
传统的全桥DC-DC 拓扑由4 只相同的开关管组成,需要2 路互反的PWM 控制信号,每路PWM 信号驱动对角的2 只开关管,2 路PWM 信号要求有死区,避免全桥直通。全桥拓扑的上桥臂驱动必须隔离,否则无法完成正确驱动,隔离电路一般采用光耦或磁性器件实现,电路复杂、体积大。设计采用2 个电源变压器原边绕组共用一个全桥开关,由于系统为+ 15 V单电源输入,因此全桥开关采用2 片内含PMOS 和NMOS 的SI4532ADY 实现,此时PWM 驱动脉冲无需隔离,即不用将全桥的上下臂驱动脉冲进行隔离,使用振荡电路的逻辑门进行驱动,简化了控制电路,同时该全桥开关为小体积的SO - 8 封装,实现了最小PCB 设计。据此原理设计全桥开关需要4 路PWM 脉冲驱动,分为2 组,每组内互反,驱动对角的PMOS 和NMOS 开关,2 组之间带有死区,具体的4 路驱动脉冲时序要求如图2 所示。G11、G2、G22、G1为4路PWM 驱动,T1、T11为两个DC-DC 电源变压器,此处只画出了原边绕组,C 为隔直电容,能够有效地防止变压器磁芯饱和。可以看到,对角的开关同时导通,两组对角交替开关,两个变压器磁芯工作在Ⅰ、Ⅲ工作象限,双向励磁,有利于实现高功率密度。
采用上述设计,4 路PWM 时序必须严格按照图2所示产生。一般PWM 驱动产生方法用MCU、DSP 或专用IC 产生,难以实现低成本和紧凑设计。文中对通用多谐振荡器电路进行改进,分别增加两个二极管、电阻及电容,即可输出满足上述要求的4 路PWM 驱动信号,简化了电源设计,提高了可靠性。

图2 DC-DC 全桥控制原理
1. 2. 2 DC-DC 电源变压器的选择及设计
系统电源采用全桥驱动,磁芯工作在Ⅰ、Ⅲ象限,驱动上要能够防止磁芯饱和,同时要求效率高、体积小。基于上述考虑,选用环形磁芯T10 × 6 × 5,材质为PC40,环形磁芯漏磁小、效率高。具体参数为: μi = 2 400,Ae = 9. 8 mm2,Aw = 28. 2 mm2,J =2A / mm2.系统工作状态为: ηB = 90%,Km = 0. 1,fs = 366 kHz,Bm = 2 000 GS,根据PO = Ae × Aw × 2 ×fs × Bm × J × ηB × Km × 10 - 6 得出PO = 9. 8 × 10 - 2 ×28. 2 × 10 - 2 × 2 × 366 × 103 × 2 000 × 2 × 0. 9 × 0. 1 ×10 - 6 = 7. 3 W,理论计算表明,所选磁芯满足设计的功率要求。
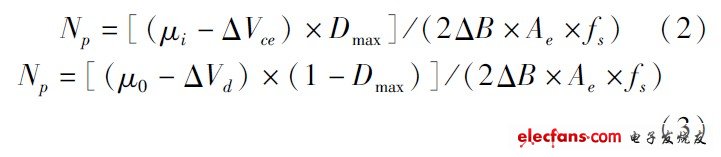
变压器匝数设计是根据式( 2) 和式( 3) 计算,其中μi为输入电压最小值,ΔVce为额定电流下全桥回路开关管压降,Dmax = 0. 48; μo为输出电压额定值;ΔVd为输出额定电流下全波整流二极管压降。理论计算原副边匝数为: 原边Np = 4. 6 匝,副边Ns1 = 5. 8匝,Ns2 = 3. 9 匝。

实际调试结果为: 原边p =6 匝,副边Ns1 = 8 匝,Ns2 =5 匝。
欢迎分享,转载请注明来源:内存溢出
微信扫一扫
支付宝扫一扫
评论列表(0条)