
为高速接口添加电气隔离一直以来都不是一项简单的工作。数据速率高于250 Mbps时,就已超过光耦合器和大部分电子隔离器的容量范围,迫使系统设计人员采用更为复杂的技术,例如光纤。ADI公司的iCoupler®技术可以在数据速率超过1 Gbps时,隔离低压差分信号(LVDS)物理层,以此降低同时需要隔离和高带宽的系统的复杂性。手术内镜和显示屏监测器之间的接口就是一个需要电气隔离的示例。
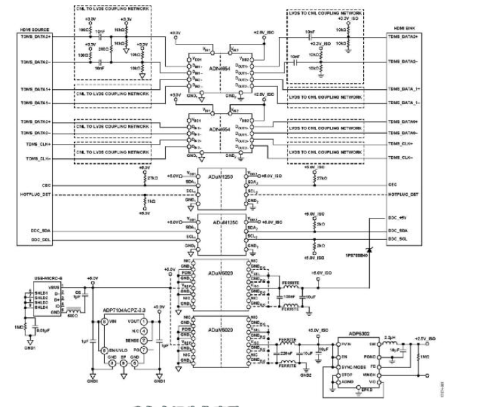
图1所示的电路在高清多媒体接口(HDMI)源和HDMI接收设备之间提供完全隔离的连接。信号和电源隔离确保HDMI源(例如,医用内窥镜或机器故障监控摄像机)和HDMI接收端(例如,摄像机控制模块或工业显示器)之间能够安全、无噪连接。
CN-0422电路中的隔离能提供电气线路浪涌保护并断开总线和数字引脚之间的接地连接,增加系统安全性和鲁棒性,进而消除系统中可能存在的接地环路。
目前存在多个HDMI标准。图1所示电路符合1.3a版HDMI标准的要求。图1包含高速、转最小化传输差分信号(TMDS)时钟和数据线,它们通过物理层上的电流模式逻辑(CML)实施。
图1中所示的电路也对消费电子控制(CEC)、热插拔检测(HPD)和显示数据通道(DDC)信号提供双向隔离。为高速和双向数据隔离器提供隔离电源。CN-0422电路也依照1.3a版HDMI标准的要求,为HDMI接收设备提供275 mW隔离电源。
该系统可以透明地隔离为高达1280p × 720p (720p)(60 Hz时)的分辨率配置的HDMI接口,且可以经受2500 V电压(依照UL 1577)。

图1.EVAL-CN0422-EBZ的简化电路图
电路说明图2所示为电源隔离和1.3a版HDMI信号隔离的简化电路图。编号1至5显示流经HDMI源和HDMI接收端之间的ADN4654、ADuM1250和ADuM5020设备的启动通信序列。

图2.隔离HDMI信号流程图
第1步:电源
1.3a版HDMI标准规定,5 V电压时,HDMI源必须能够为HDMI接收设备提供55 mA电流。为了保证隔离设计达到这一要求,CN-0422采用了一个ADuM5020isoPower DC-DC转换器(参见图1)。通过DDC + 5 V线路,为HDMI接收设备以及两个ADuM1250 I2C隔离器提供隔离电源。第2个ADuM5020设备通过2.5 V降压调节器ADP5302,为ADN4654的辅面提供隔离电源。
第2步:热插拔检测(HPD)
当HDMI源和接收设备通过HDMI线缆连接至EVAL-CN0422-EBZ时,通过HPD信号启动通信序列。接收设备通过ADuM1250 I2C隔离器拉高HPD信号,向源表明,它已准备好通过显示数据通道(DDC)接收命令。
第3步:显示器数据通道(DDC)
双向DDC使用按100 kHz标称数据速率和最大400 kHz数据速率运行的I2C协议。HDMI源设备使用DDC,通过双向ADuM1250 I2C隔离器,读取来自接收设备的扩展显示识别数据(EDID)。HDMI源使用EDID来确定哪些音频/视频格式在HDMI接收设备上可用。DDC通道也被用于实施高带宽数字内容保护(HDCP)。
第4步:消费电子控制(CEC)
CEC使用具备与I2C类似的物理层的协议,以200 Hz运行。CEC协议在用户环境中的所有音频-视频设备之间,通过ADuM1250 I2C隔离器提供高水平的控制。CEC允许用户命令和控制最多15个通过HDMI连接的启用了CEC的设备(例如远程控制电视机来设置DVD播放器)。
第5步:转换最小化差分信号(TMDS)
TMDS信号由三个数据对和一个时钟对组成:数据0±、数据1±、数据2±,以及时钟±。三个差分数据对在每个时钟周期内发送10位,同时携带高速视频和音频数据。TMDS时钟和数据线在物理层上通过CML实施。
图1所示的耦合网络允许在CML和LVDS电压电平之间进行可靠的转换。在CML与低压差分信号(LVDS)物理层耦合后,ADN4654 1.1 Gbps LVDS隔离器被用于隔离TMDS信号。
要在CML和LVDS之间实现耦合,使用100 ?6?8上拉电阻来正确终止来自HDMI源的CML信号。需要采用耦合电容(10 nF)来去除CML DC共模电压。终止ADN4654 LVDS输入需要提供200 ?6?8差分电阻。要偏置ADN4654输入,需要使用10 k?6?8上拉电阻,上拉至3.3 V,并使用10 k?6?8下拉电阻,下拉至接地。
要在LVDS和CML之间实现耦合,需使用10 nF电容来去除ADN4654 LVDS输出的DC共模电压。HDMI接收端的CML输入通常需要偏置至CML接收器的共模电压。因为HDMI接收设备的片内不包含内部偏压,所以必须在印刷电路板(PCB)电平上实施偏压。要在HDMI接收设备上偏置CML接收器的输入,需使用10 k?6?8上拉电阻,隔离至3.3 V,以及使用10 k?6?8下拉电阻,隔离至接地。
常见变化其他HDMI版本
最近的HDMI标准版本(比HDMI V1.3a更新)都要求HDMI以太网音频控制(HEAC)合规。图1和图2中所示的电路未包含设备之间共享的以太网(互联网)的HEAC信号隔离。
5 kV隔离解决方案
依照UL 1577,CN-0422参考电路的额定电压定为2500 V rms,适用于功能性隔离,或者适合用于某些安全应用。对于医疗应用,本设计满足250 V rms系统中一项患者防护措施(MOPP)或一项手术人员保护(MOOP)措施对耐受电压和爬电距离的要求。
此设计中采用的每个数字隔离器都支持更高的爬电距离和5000 V耐受额定电压。表1显示了可选择用在需要5 kV电气隔离的应用中的相关设备。这个5 kV设计满足250 V rms系统中与两项手术人员保护(MOOP)措施相关的IEC 60601-1要求,满足250 V rms系统中与一项患者防护措施(MOPP)相关,或者125 V rms系统中与2 MOPP相关的要求。
表1.隔离等级比较

共模瞬变抗扰度
共模瞬变抗扰度(CMTI)是指隔离器抵抗快速共模瞬变的能力。CMTI被定义为系统接地(Ground 1)和隔离接地(Ground 2)之间能够容忍的最大共模电压压摆率或瞬变电压,同时仍然保持无位误差通信。
CMTI很重要,因为高压摆率瞬变可在隔离栅的寄生电容中形成耦合,破坏数据。ADuM1250和ADN4654是具有出色的CMTI性能的耐用型数字隔离器,在存在超过25,000 V/µs共模瞬变时,保证正常运行且不损坏数据。
系统合规测试
本节描述使用EVAL-CN0422-EBZ实施的HDMI源合规测试。共采用EVAL-CN0422-EBZ输出通过了14次合规测试,包括时钟抖动、数据通道眼图和抖动、时钟和数据通道的上升和下降时间,以及最大/最小时钟占空比。
图3、图4、图5和图6记录了执行的HDMI源合规测试,以及相应的测试结果。图3和图4分别显示了在720p × 576p (60 Hz)和1280p × 720p (60 Hz) HDMI分辨率下,HDMI源合规测试的眼图。

图3.HDMI源合规测试的眼图,576p

图4.HDMI源合规测试的眼图,720p
图5和图6分别显示了在720p × 576p (60 Hz)和1280p × 720p (60 Hz) HDMI分辨率下,对应的HDMI源合规测试的报告。

图5.HDMI源合规测试报告,576p

图6.HDMI源合规测试报告,720p
系统兼容测试使用ADI公司的EVAL-ADV7625-SMZ评估板实施系统兼容测试。ADV7625是一个3 GHz HDMI 5:2交叉点收发器。系统兼容测试表明,与标准非隔离显示器相比,电气隔离显示器在视觉质量上的损失为零。
实施系统兼容测试所需的设备
实施系统兼容测试需要使用以下设备:
•HDMI音频和视频源(DVD播放器)
•EVAL-CN0422-EBZ电路评估板
•EVAL-ADV7625-SMZ视频评估板
•电源:5 V、3.6 A电源或5 V壁式电源适配器
•4根HDMI线缆,每根长1米
•USB与RS-232之间的连接线缆。
•两个带HDMI输入的显示器/显示屏
开始使用使用EVAL-ADV7625-SMZ视频评估板时,请参考EVAL-ADV7625-SMZ用户指南(UG-603)。
打开EVAL-ADV7625-SMZ的电源,在笔记本电脑和连接器P1之间连接一根USB到RS-232的电缆。为板编程时,在EVAL-ADV7625-SMZ的J15上安装一个跳线。如需查看完整的设置细节,请参考CN-0422用户指南。
按照UG-603用户指南的说明(115,200波特、8数据位、无奇偶校验、一个停止位、无流量控制)配置终端窗口。输入命令hdmia a和hdmia b,设置1:2 HDMI分路器模式(从RxA到TxA,从RxA到TxB)。
功能框图图7所示为HDMI系统兼容测试的框图。
EVAL-ADV7625-SMZ接收一个来自源的HDMI输入,然后生成两个完全相同的HDMI输出。EVAL-ADV7625-SMZ输出1和接收端(显示器1)通过EVAL-CN0422-EBZ连接,这与第二个通道不同,对于后者,EVAL-ADV7625-SMZ输出2和接收端(显示器2)是直接连接。

图7.HDMI系统兼容测试
测试EVAL-ADV7625-SMZ配置完成之后,采取以下步骤:
1. 将一个HDMI视频和音频源连接至EVAL-ADV7625-SMZ RxA输入。
2. 利用一根micro USB Type B线缆,将来自壁式电源适配器的5 V电源连接至EVAL-CN0422-EBZ上的J5。
3. 将EVAL-CN0422-EBZ电路评估板下部的输入HDMI连接器连接至EVAL-ADV7625-SMZ TxA输出。
4. 将EVAL-CN0422-EBZ的HDMI输出(J4)连接至HDMI显示器(显示器1)。
5. 将EVAL-ADV7625-SMZ TxB输出连接至HDMI显示器(显示器2)。
HDMI视频/音频源会在这两个显示器上显示。检查两个显示器,确认隔离HDMI是透明的;显示器1和显示器2看起来完全相同。
欢迎分享,转载请注明来源:内存溢出
微信扫一扫
支付宝扫一扫
评论列表(0条)