
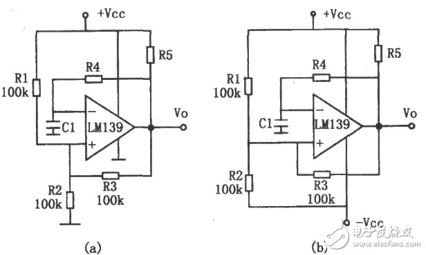
如图所示为方波发生电路。LM139系列可用于几兆赫频率的振荡电路。该电路为使用很少元件构成的方波发生电路。电路的输出频率由R4、C1的时间常数以及由R1、R2、R3所决定的迟滞电路共同决定。最高工作频率受比较器大信号传输滞后时间的限制。此外,工作频率还与负载性质有关。当为容性负载时,最高工作频率将降低。

电路中,图(a)为单电源电路,图(b)为双电源电路,其工作原理一样,但输出波形的基准不同。图(a)中,最低电平为0,最高电平为 Vcc;图(b)中,最低电平为-Vcc,最高电平为 Vcc。当电路中元件的选择满足:R1=R2=R3且R3、R4>10R5时,振荡频率为:
fo=1/2×0.694R4C1
R4、C1为不同数值所对应的fo如表所示。

欢迎分享,转载请注明来源:内存溢出
微信扫一扫
支付宝扫一扫
评论列表(0条)