
本文介绍的交通灯控制系统与目前国内一般的交通灯控制系统相比较,具有一定的优势,具体体现在以下几方面:
1)控制参数可以灵活调整。目前,城市交叉口大多采用定周期控制方式,一旦周期和绿信比选定之后就不再变化,这样就有可能造成信号灯控制信号与实际的交通流量不适应。因此,只有周期、红灯时间、绿灯时间等控制参数可根据交通流的实际情况来调整,才能更好地控制交叉口的交通,减少车辆延误和提高交叉口的通行能力。
2)相位可以变换。针对一个实际的十字路口,两相位控制交通流简单,效率高,但冲突点比较多,安全性较低。而4相位由于消除了左转车辆造成的冲突,安全性很高,但在小交通流的情况下,交通效率低,因此,如果能根据交通流量的大小和车辆的转向比例来进行相位变换,交叉口交通会更有秩序,控制效果也会更好。
3)紧急车辆通行控制。当紧急车辆执行紧急任务通过某个交叉口时,不管原来交通灯的时序怎么样,2车道都应禁行,让紧急车通过。紧急通行的控制可以通过紧急通行按钮来实现。
4)“黄闪”控制。在夜晚特别是午夜时分人流和车流较少的情况下,可对此交通信号灯执行“黄闪”控制,以提高通路口通行效率,减少不必要的等候时间。此时,交通灯由原来的多相位变为单一的黄灯闪烁。
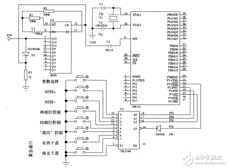
1、系统硬件设计 1.1、硬件本系统主要由单片机控制系统、按键模块、串口通信模块、LED显示模块、交通灯显示模块等组成,如图1所示。其中,单片机系统为系统的主控制器,用以控制其他模块协调工作;按键模块采用外部中断INT0的方式;串口通信模块采用RS—485接口;LED显示模块用以显示交通灯控制参数;交通灯显示模块用以显示各车道的通行情况。

图1 系统硬件
1.2、单片机控制系统及基本电路本系统采用AT89C52芯片作为核心控制器件。它的P0、P2口用于数码管显示控制,P1口用于交通灯显示控制,按键处理主要用中断的方式进行,特别加入了“看门狗”电路以保证该系统的稳定性。单片机基本外围电路如图2所示。
1.3、按键控制模块按键控制模块由AT89C52芯片的P3口控制,电路如图2所示。当某个键按下时,产生的负脉冲通过编码器74LS148的GS致使INT0中断,单片机响应这个中断,并读入74LS148的编码信息,从而根据按下不同键进行相应处理。

图2 单片机基本电路及按键控制电路
1.4、LED显示模块LED显示模块包括控制参数调整显示模块和交叉口倒计时显示模块2部分,此2部分的8位LED均采用动态显示方式,即将所有数码管的段码线相应段并联在一起,接到P0口,用P2口的各位对各个LED进行控制,从而实现对LED的定时选通。
1.5、交通灯显示模块交通灯显示模块由单片机的P1口进行控制,用32个发光二极管模拟此交叉口的车道交通灯(交叉口4个方向的直行绿灯、左转绿灯、红灯和黄灯),以及各路口人行道的交通灯。
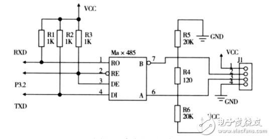
1.6、串口通信模块在该模块中,采用RS—485接口完成上位机或相邻交通灯控制系统与单片机的通信,从而实现该系统的控制、调试与报警。RS—485接口具有良好的抗噪声干扰性,较长的传输距离和多站能力,其串行口电路图如图3所示。

图3 串行口电路
2、系统软件设计 2.1、主程序主程序流程图如图4所示。该程序主要完成交通控制参数的初始化,中断的触发方式,定时器T0的初始化,开中断和开定时器,信号相位状态的控制,然后循环调用显示子程序的工作,从而实现对交通灯的控制。

图4 主程序流程
欢迎分享,转载请注明来源:内存溢出
微信扫一扫
支付宝扫一扫
评论列表(0条)