
汽车数量越来越多,而现在的红绿灯处的交通灯模式采用的是定时控制,由于车流量是随时变化的,当此时没有车通过,而相对的车要等到此方向的绿灯结束显示红灯才能通过,在时间和空间方面的应变性能较差,这样不仅浪费了时间,还使得相对方向的车辆造成“堵车”现象。要想解决城市红绿灯处的“大堵车”现象,改善原有的红绿灯处交通灯控制系统是很有必要的。
本文以AT89C52单片机为控制器的交通灯控制系统,该系统通过红外接收器接收信号实现特种车辆(119、120等)自动放行;通过车辆检测电路采集路况信号,经单片机处理后,分配各车道的绿灯时间,实现车流动态调节,LED数码管显示通行倒计时;系统除基本交通灯功能外,还具有通行时间手动设置、可倒计时显示、急车强行通过、车流量检测及调整、交通异常状况判别及处理等相关功能。
1、交通控制系统的总体框图设计及原理该交通灯控制系统用单片机直接控制信号灯的状态变化,接入的LED数码管就可显示倒计时以提醒行使者。本系统在此基础上加入了违规检测电路和车流量检测电路为单片机采集数据,同时接上蜂鸣器。本设计以单片机为控制核心,连接成最小系统,由车流量检测模块、违规检测模块和按键设置模块等产生输入,信号灯状态模块、LED倒计时模块和蜂鸣器状态模块接受输出。系统的总体框图如图1所示。

图1 系统的总体框图
2、系统硬件总电路构成及工作原理本设计选用AT89C52单片机及外围器件构成最小控制系统,12个发光二极管分成4组红绿黄三色灯构成信号灯指示模块,8个LED东西南北各两个构成倒计时显示模块,车流量检测传感器采集流量数据,光敏传感器捕获违规信号,若干按键组成时间设置和模式选择按钮和紧急按钮等,以及用1个蜂鸣器进行报警。
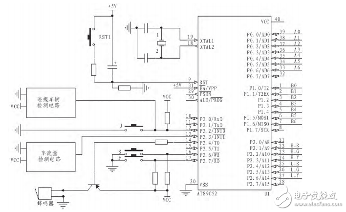
系统硬件电路构成:单片机为核心,组成一个集车流量采集、处理、自动控制为一身的闭环控制系统。系统硬件电路由车流量检测电路、单片机、违规检测电路,状态灯,LED显示,按键,语音提示器组成。其具体的硬件电路总图如图2所示。

图2 总体设计电路图
其中P0,P2用于送显两片LED数码管,P1用于控制红绿黄发光二极管,XTAL1和XTAL2接入晶振时钟电路,RESET引脚接上复位电路,P3.3即INT1接违规检测电路和P3.2即INT0接紧停/东西时间设置键J,P0.6,P0.7接车流量检测电路,P3.6接南北时间设置键S,P3.7接自动模式选择/返回键F,P3.4接语音提示器。系统上电或手动复位后,系统等待模式选择设置键按下,模式分两种:红绿灯时间自动和红绿灯时间设置。若此时F键按下,则为自动模式,若此时按下的是S键,则为时间设置模式,依次按S若干次,J键若干次可设置好两个方向的红绿灯时间,再按F键确认。其实这个过程就是将存储时间值的寄存器进行设置,以及标志是否要进行车流量检测及调整。
接下来,系统必须先显示状态灯及LED数码管,将状态码值送显P1口,将要显示的时间值送显P0口和用P2口来选通LED数码管的显示导通,在此同时以50ms为周期,用软件方法计时1s,到达1s就要将时间值减1,刷新LED数码管。
时间到达一个状态所要全部时间,则要进行下一状态判断及衔接,并装入次状态的相应状态码值以及时间值,开启两个外部中断,其一为违规信号或禁停信号输入,一旦信号有效,中断开始,进入中断服务子程序,开启蜂鸣器禁止全部通行,当按下F键,中断结束返回。其二为车流量检测信号输入,若检测到车辆经过,进入相应的中断子程序,将存储车流量的计数器加1,然后中断结束返回。
3、各控制模块 3.1、车检测模块本设计采用视频图像的车流量检测,基本思想是视频图片中每条车道上设置一个固定区域作为虚拟的检测线,对该区域内图像进行处理,完成对车辆信息的获取,车流量检测工作原理图和车流量检测图分别如图3和图4所示。

图3 基于视频图像的车流量检测工作原理

图4 基 于视频图像的车流量检测图
欢迎分享,转载请注明来源:内存溢出
微信扫一扫
支付宝扫一扫
评论列表(0条)