
一种新型的调光电子镇流器
摘要:介绍了一种新型的荧光灯调光控制方式,即通过不对称占空比调制的方式控制荧光灯的输出功率。首先,基于功率关系的荧光灯模型,通过基波近似的方法得到了控制方程,得出了荧光灯的调光特性。然后,应用一个半桥式串联谐振并联负载电路为例,给出了设计步骤,仿真及实验结果。
关键词:调光电子镇流器;占空比调制;谐振;功率模型
1 引言
高频调光电子镇流器以其效率高,无频闪,体积小等优点,获得了技术界的广泛认同。一般来说,可以通过调节电子镇流器电路的3个参数(直流母线电压,占空比和开关频率)实现调光。
通常,调节直流母线电压可以较好地实现调光的目的,但是,由于电子镇流器都有功率因数要求,如果采用普通的Boost电路作为功率因数校正,直流母线电压至少是输入电压的两倍,这样调光就被限制在了一个很小的范围,而且这种方法的控制电路比较复杂。调频调光是比较常用且简单的方法,但是,开关频率的不断变化,会使电路产生严重的电磁干扰,使EMC的设计比较困难,而且调频调光有一个固有的不稳定区,当频率达到某一值时荧光灯的输出功率会迅速变化,这会给实际应用带来麻烦。占空比的调节通常是指对称的占空比调节方式,这种方式虽然可以使调光特性曲线很平滑,但随着占空比的减小,波形的畸变程度大大加重,会影响荧光灯的寿命。
为了克服上述几种调光方法的缺点,使之能达到平滑地调光,且不产生很大的电磁干扰,本文提出了一种新型的调光方法,即不对称占空比的调光方法,可以达到理想的效果。
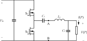
2 基本电路
图1为电子镇流器最基本的半桥谐振电路,输入电压Vin由市电经过整流桥直接得到,通过控制开关管S1和S2给谐振电路提供电流;Cs为隔直电容,使A和B两端得到一个对称方波电压信号,为使它基本上不参与谐振,因此,要求Cs》Cf,一般取Cs>10Cf就可满足条件;Ls和Cf分别是谐振电感、电容,为荧光灯提供必要的启动电压,并保证荧光灯正常工作时能稳定运行。

图1 基本电路
在图1的基本电路中,通过调节S1及S2的占空比(任何时候开关S1及S2导通时间互补),改变A和B两端的输入基波电压的幅值,便可以改变荧光灯的输入功率,从而达到调光的目的。
荧光灯是一种非线性负载,因此,需要建立一个适当的电路模型以便分析它的调光特性。本文通过对Philips T8-36W荧光灯(额定电压95V;额定电流0.31A)的测量,可以发现荧光灯的电压随功率的减小而线性增长,电流随功率的增长呈近似二次曲线的形式增长,因此,采用功率模型(以功率为自变量,电流和电压分别是功率的函数)对荧光灯的调光过程进行分析,可以得到与实际比较接近的结果。这里采用的模型如下:
V(P)=151-2P(1)
I(P)=2.28×10-3+5.8×10-3P+1.62×10-4P2 (2)
式中:P为荧光灯的功率。
由式(1)和式(2)可以得出灯的等效电阻与功率的关系:R(P)=V(P)/I(P)。其关系曲线如图2所示。

图2 荧光灯等效电阻与功率
3 调光分析
在图1所示的电路中,设计电路的谐振频率f0=40kHz,输入电压Vin=300V,根据荧光灯额定电流及电压的关系,可以设计谐振参数:Ls=1.7mH,Cf=9.3nF。A和B之间的基波电压有效值为
vAB1=Vinsin(πD)(3)
式中:D是占空比,由于S1及S2占空比互补,且它们的调节对实际的效果是一样的,因此,规定本文中的D为S1的占空比,而S2的占空比为1-D。
根据电路基本原理,可以得出占空比与荧光灯的功率关系为
D(P)=(4)
式中:fn为开关频率与电路谐振频率的比值;
Z为特征阻抗,Z=。
当fn=1.05(额定工作点)时,可以得到占空比与功率的关系曲线如图3所示。

图3 开关占空比与功率的关系
从图3可以看到,调节占空比可以在整个功率范围内达到光滑的调光目的。但是在实际电路中,我们需要考虑开关的工作状态,当占空比过小时,开关的零电压工作条件就不能满足,这样会使开关体二极管出现反向恢复问题,导致开关损耗增加,电路的工作效率降低。为此,我们讨论开关工作在零电压状态的临界条件。
图4中vds1为S1的漏—源极电压,vAB1为谐振电路的基波电压,ir为谐振电流,φ为两者的相位差。由图4可知,为达到软开关条件,必须满足式(5)
D>0.5-(5)
式中:φ与功率P有关,具体可由图1电路的基本关系得出,即
φ(P)=arctan(6)

图4 不对称占空比谐振电路基波电压及电流
它们的关系曲线如图5所示。从图5可以看到?随着P的减小而减小,由式(5)可知对D的要求随P的减小而增大,对照图3与图5可以看到,当功率调到12W左右的时候,D降到0.11,而由图5及式(5)可以看到,当功率为12W时,要求D≥0.11。因此,通过不对称占空比的调节可以使荧光灯功率调到12W,事实上,这一数值对实际应用已经足够,因为,在更低的功率下,荧光灯的光输出会减小,即每瓦的流明数会减小,如果再减小功率将得不偿失。

图5 相移角φ与功率的关系
4 仿真及实验结果
基于对Philips T8-36W直管荧光灯的参数测量,以及对基本电路的分析,应用以下主要电路参数:Cs=100nF,Ls=1.7mH,Cf=9.3nF,Vin=300V,开关频率为1.05倍谐振频率即fs=42kHz,S1及S2用IRF840,得出仿真及实验结果。
图6为此电路的仿真及实验的波形,其中图6(a),(c),(e)分别为占空比是0.5,0.3和0.12时的灯电压及电流仿真波形,图6(b),(d),(f)分别为占空比是0.5,0.3和0.12时的灯电压及电流实验波形。对比这些波形及前面的计算可以看到,实验结果与仿真、计算符合得很好。

(a) 仿真波形,D=0.5,V:100V/div,I:1A/div
(b) 实验波形,D=0.5,V:100V/div,I:1A/div

(c) 仿真波形,D=0.3,V:100V/div,I:1A/div
(d) 实验波形,D=0.3,V:100V/div,I:1A/div

(e) 仿真波形,D=0.12,V:100V/div,I:1A/div
(f) 实验波形,D=0.12,V:100V/div,I:0.5A/div
图6 荧光灯电压和电流仿真及实验波形
5 结语
高频电子镇流器中,通过不对称占空比调制的方式,可以使调光平滑,并且克服传统调频调光电子镇流器的EMI问题。同时,通过最小占空比的控制,它还可以满足软开关条件。
欢迎分享,转载请注明来源:内存溢出
微信扫一扫
支付宝扫一扫
评论列表(0条)