
作者:茂睿芯科技
时间:2021-06-04在以新能源汽车充电桩、大数据中心、5G基站等七大领域领衔的中国新基建的热潮之中,各种输入/输出设备对功耗和功率密度的要求越来越高,体积小巧且能支持大电流的降压转换器产品已经成为新的市场需求。茂睿芯科技重磅推出带同步且功能齐全的110V耐压的同步整流BUCK控制器,点燃国产星芯之火,助力中国工业化,繁荣中国新基建。
2021年5月25日,USB协会推出的USB PD3.1,增加了扩展功率范围(Extended Power Range,简称EPR),最大功率由100W扩展到240W,最大允许电压增加到48V,该升级意义重大,把USB PD的应用范围由传统的手机和笔记本电脑供电扩充到便携式设备、物联网设备、智能家居、通信和安防设备、汽车和医疗等领域,这将使USB PD3.1成为真正大一统的供电标准,对减少电子垃圾、促进地球环保和支持万物互联将会发挥重要的推动作用。
MK9218——国内首款110V输入同步整流BUCK控制器,以全新的技术优势赢得国产星芯荣耀。本产品最高支持110V输入电压,契合48V等母线应用场景,它必将在通信电源、48V架构服务器电源、PoE以太网供电电源、USB PD3.1等产品中广泛应用。
1、 应用场景广
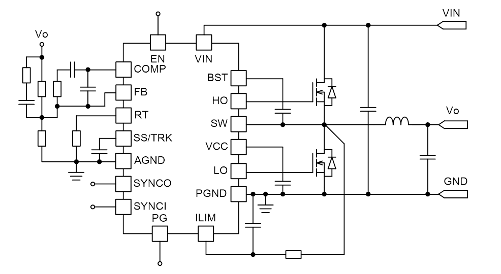
基于电压控制模式,MK9218拥有高效率和杰出的瞬态响应,6V-100V超宽输入电压范围,完全涵盖工业电压12V-54V的宽输入电压应用,同时可以保证电池应用场景中瞬态电压最大不超过100V的应用场景安全可靠,MK9218的应用框图如下:

2、 产品功能全
MK9218控制精准,功能齐全:
- 多模式控制(SHUTDOWN、STANDBY 、PFM、FCCM)
- 频率可调100kHz—1MHz
- 可调节缓起和电压跟随功能
- 多芯片同步功能(SYNCI、SYNCO)
- 可编程过流保护(OCP)
- PG功能
- 可自动恢复OTP、OCP
- VIN/VCC/BOOT欠压保护功能
- 支持预偏置启机
- 超小3.5mm X 4.5mm QFN-20封装
- 集成高压LDO,支持单VIN供电和自动切换至外部VCC供电

多模式(SHUTDOWN、STANDBY 、PFM、FCCM)匹配各种应用场景:SHUTDOWN和STANDBY模式适用于电池省电模式,PFM适用于在轻载模式,FCCM模式适用于高纹波和FLY-BUCK场景。
可编程开关频率适配不同纹波要求和电感限制系统(下图为12V输出,1MHz开关频率,输出纹波<10mV);

可编程的缓起和电压跟随功能可以匹配不同应用场景,把开关机的冲击电流调整到最佳;
同步输入信号可以进行有效的外部交错控制,同步输出信号可以有效减少拍频等不利影响;
可编程过流保护可以任意设置过流点,更好保护系统单板;
PG功能可以实现有效时序控制和系统上下电逻辑;
自动恢复OTP、OCP功能可以更好保护单板并且在故障解除后自动恢复;
VIN/VCC/BOOT欠压能够有效保证供电器件的安全性;
支持预偏置启机功能可以有效解决系统瞬间掉电的启动问题;
超小3.5mm X 4.5mm QFN-20带EP-Pad封装可以节省布板面积,提高整板功率密度。
3、 工作效率高
MK9218采取多模式(SHUTDOWN、STANDBY 、PFM、FCCM)匹配各种不同应用场景,以保证不同场景下最高的电源转换效率,同时通过精准的死区时间控制、优化驱动电流(SOURCE 2.5A/SINK 3.5A)、外部VCC供电保障高VIN输入等技术手段有效提高工作效率,下图为12V(开关频率400kHz)和5V(开关频率230kHz)输出的实际测试效率:

4、 耐压等级强
为消除通讯和工业领域的客户痛点,MK9218具有更宽的VIN耐压等级,能够适配工业电压范围的12V-54V,而且电气参数满足宽温度范围(-40℃至140℃)(实际系统验证-60℃-150℃工作正常)。
5、 可靠性超高
通讯和工业两大领域的部分系统在实际应用中环境恶劣(高低温范围宽,电磁干扰大,无法快速维护等),需要系统不间断工作至少十年的时间,因此对驱动芯片可靠性有着极高的要求。
MK9218通过了完整的JEDEC可靠性标准测试和严酷的系统可靠性测试,工作正常且可靠性满足要求。

凭借其优异的性能和高可靠性,MK9218一经推出立即被多家工业类客户选用并测试通过。
欢迎分享,转载请注明来源:内存溢出
微信扫一扫
支付宝扫一扫
评论列表(0条)