
电源设计中即使是普通的直流到直流开关转换器的设计都会出现一系列问题,尤其在高功率电源设计中更是如此。除功能性考虑以外,工程师必须保证设计的鲁棒性,以符合成本目标要求以及热性能和空间限制,当然同时还要保证设计的进度。另外,出于产品规范和系统性能的考虑,电源产生的电磁干扰(EMI)必须足够低。不过,电源的电磁干扰水平却是设计中最难精确预计的项目。有些人甚至认为这简直是不可能的,设计人员能做的最多就是在设计中进行充分考虑,尤其在布局时。
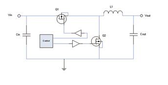
尽管本文所讨论的原理适用于广泛的电源设计,但我们在此只关注直流到直流的转换器,因为它的应用相当广泛,几乎每一位硬件工程师都会接触到与它相关的工作,说不定什么时候就必须设计一个电源转换器。本文中我们将考虑与低电磁干扰设计相关的两种常见的折中方案;热性能、电磁干扰以及与PCB布局和电磁干扰相关的方案尺寸等。文中我们将使用一个简单的降压转换器做例子,如图1所示。

图1 普通的降压转换器
在频域内测量辐射和传导电磁干扰,这就是对已知波形做傅里叶级数展开,本文中我们着重考虑辐射电磁干扰性能。在同步降压转换器中,引起电磁干扰的主要开关波形是由Q1和Q2产生的,也就是每个场效应管在其各自导通周期内从漏极到源极的电流di/dt。图2所示的电流波形(Q1on和Q2on)不是很规则的梯形,但是我们的 *** 作自由度也就更大,因为导体电流的过渡相对较慢,所以可以应用Henry Ott经典著作《电子系统中的噪声降低技术》中的公式1。我们发现,对于一个类似的波形,其上升和下降时间会直接影响谐波振幅或傅里叶系数(In)。

图2 Q1和Q2的波形
In=2IdSin(nπd)/nπd ×Sin(nπtr/T)/nπtr/T (1)
其中,n是谐波级次,T是周期,I是波形的峰值电流强度,d是占空比,而tr是tr或tf的最小值。
在实际应用中,极有可能会同时遇到奇次和偶次谐波发射。如果只产生奇次谐波,那么波形的占空比必须精确为50%。而实际情况中极少有这样的占空比精度。
谐波系列的电磁干扰幅度受Q1和Q2的通断影响。在测量漏源电压VDS的上升时间tr和下降时间tf,或流经Q1和Q2的电流上升率di/dt时,可以很明显看到这一点。这也表示,我们可以很简单地通过减缓Q1或Q2的通断速度来降低电磁干扰水平。事实正是如此,延长开关时间的确对频率高于f=1/πtr的谐波有很大影响。不过,此时必须在增加散热和降低损耗间进行折中。尽管如此,对这些参数加以控制仍是一个好方法,它有助于在电磁干扰和热性能间取得平衡。具体可以通过增加一个小阻值电阻(通常小于5Ω)实现,该电阻与Q1和Q2的栅极串联即可控制tr和tf,你也可以给栅极电阻串联一个“关断二极管”来独立控制过渡时间tr或tf(见图3)。这其实是一个迭代过程,甚至连经验最丰富的电源设计人员都使用这种方法。我们的最终目标是通过放慢晶体管的通断速度,使电磁干扰降低至可接受的水平,同时保证其温度足够低以确保稳定性。

图3 用关联二极管来控制过渡时间
开关节点的物理回路面积对于控制电磁干扰也非常重要。通常,出于PCB面积的考虑,设计者都希望结构越紧凑越好,但是许多设计人员并不知道哪部分布局对电磁干扰的影响最大。回到之前的降压稳压器例子上,该例中有两个回路节点(如图4和图5所示),它们的尺寸会直接影响到电磁干扰水平。

图4 降压稳压器模型1

图5 降压稳压器模型2
Ott关于不同模式电磁干扰水平的公式(2)示意了回路面积对电路电磁干扰水平产生的直接线性影响。
E=263×10-16(f2AI)(1/r) (2)
辐射场正比于下列参数:涉及的谐波频率(f,单位Hz)、回路面积(A,单位m2)、电流(I)和测量距离(r,单位m)。
此概念可以推广到所有利用梯形波形进行电路设计的场合,不过本文仅讨论电源设计。参考图4中的交流模型,研究其回路电流流动情况:起点为输入电容器,然后在Q1导通期间流向Q1,再通过L1进入输出电容器,最后返回输入电容器中。
当Q1关断、Q2导通时,就形成了第二个回路。之后存储在L1内的能量流经输出电容器和Q2,如图5所示。这些回路面积控制对于降低电磁干扰是很重要的,在PCB走线布线时就要预先考虑清器件的布局问题。当然,回路面积能做到多小也是有实际限制的。
从公式2可以看出,减小开关节点的回路面积会有效降低电磁干扰水平。如果回路面积减小为原来的3倍,电磁干扰会降低9.5dB,如果减小为原来的10倍,则会降低20 dB。设计时,最好从最小化图4和图5所示的两个回路节点的回路面积着手,细致考虑器件的布局问题,同时注意铜线连接问题。尽量避免同时使用PCB的两面,因为通孔会使电感显著增高,进而带来其他问题。
恰当放置高频输入和输出电容器的重要性常被忽略。若干年以前,我所在的公司曾把我们的产品设计转让给国外制造商。结果,我的工作职责也发生了很大变化,我成了一名顾问,帮助电源设计新手解决文中提到的一系列需要权衡的事宜及其他众多问题。这里有一个含有集成镇流器的离线式开关的设计例子:设计人员希望降低最终功率级中的电磁干扰。我只是简单地将高频输出电容器移动到更靠近输出级的位置,其回路面积就大约只剩原来的一半,而电磁干扰就降低了约6dB。而这位设计者显然不太懂得其中的道理,他称那个电容为“魔法帽子”,而事实上我们只是减小了开关节点的回路面积。
还有一点至重要的,新改进的电路产生的问题可能比原先的还要严重。换句话说,尽管延长过渡时间可以减少电磁干扰,但其引起的热效应也随之成为重要的问题。有一种控制电磁干扰的方法是用全集成电源模块代替传统的直流到直流转换器。电源模块是含有全集成功率晶体管和电感的开关稳压器,它和线性稳压器一样可以很轻松地融入系统设计中。模块开关节点的回路面积远小于相似尺寸的稳压器或控制器,电源模块并不是新生事物,它的面世已经有一段时间了,但是直到现在,由于一系列问题,模块仍无法有效散热,且一经安装后就无法更改。
欢迎分享,转载请注明来源:内存溢出
微信扫一扫
支付宝扫一扫
评论列表(0条)