
TI TIDA-00318适用于低功耗可穿戴设备的充电器,它包括一个Qi兼容的无线接收机(bq51003)和超低电流单节锂离子电池。它的特点是一个超小尺寸,具有低的充电电流,可低至10mA,高达250mA。此设计适用于充电电流135mA电流值的应用设计。
特性
小尺寸(毫米):5x15
可调充电电流:10~250(mA)
支持负载电流1mA的终止
< 75na电池漏电流
功能框图

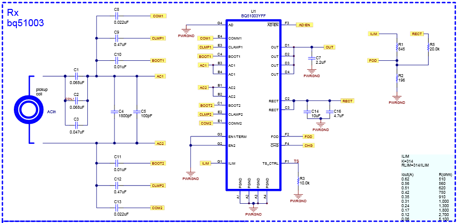
原理图


应用
便携式医疗仪表
心电图 (ECG)
病患监控
相关器件资料
bq25100
bq51003
欢迎分享,转载请注明来源:内存溢出
微信扫一扫
支付宝扫一扫
评论列表(0条)