
设计注意事项

永久磁性同步电机(PMSM)概述
永久磁性同步电机(PMSM)与AC感应电机或无刷直流电机(BLDC)非常相似。它们都具有永久磁性转子和绕线定子。
PMSM电机通常使用正弦波形控制,而BLDC电机通常使用梯形信号控制,梯形信号也称为六步换向。
PMSM的正弦控制效率很高,电机 *** 作顺畅,可最大程度地减少震动并降低噪声。对PMSM电机使用场定向控制(FOC)技术还可最大程度地减少系统生成的扭矩纹波和电磁干扰。PMSM电机就大小与AC感应电机(ACIM)相比时,可提供更高的功率密度。
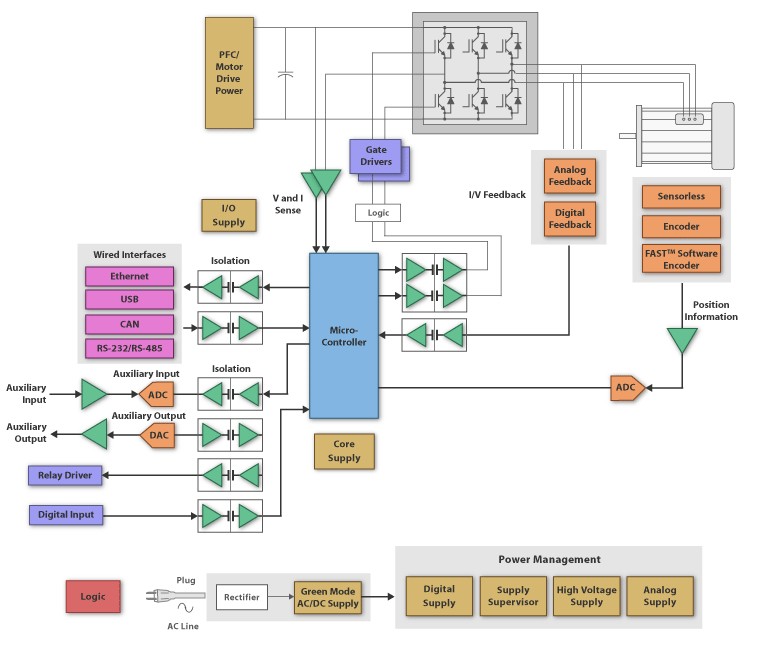
微处理器
TI的C2000™系列MCU可以通过使用标量或矢量控制技术控制PMSM电机。了解转子位置对于高效控制PMSM电机非常重要。通过连接至电机的霍尔传感器或旋转式编码器能够检测到转子的位置。这些传感器输入用于含传感器的反馈控制系统。
转子位置还可通过使用反电动势电压信息进行估算。此反馈控制模式无需使用传感器和附加接线。位置或速度评估器也可用于计算转子位置。
C2000MCU上的集成高速12位ADC转换器、高分辨率脉宽调制器(PWM)和正交编码器输入(QEI)使其适合于实施PMSM电机控制。C2000MCU内核能够在短时间内执行复杂的数学函数,使此MCU系列成为实施矢量控制技术和同时控制多个电机的理想选择。此系列的PWM具有可编程死区延迟,可驱动高侧和低侧闸极驱动器。
Stellaris®系列MCU向偏爱开放式构架内核的客户提供基于ARM的解决方案。这些MCU还为传感器的控制提供集成ADC、特定于电机控制的PWM和QEI输入。其基于硬件的故障检测系统可更快地关闭系统,无需软件干预。这些MCU也可用于实施标量和矢量控制技术。
隔离
TI数字隔离器具有逻辑输入和输出缓冲器,这些缓冲器由TI的二氧化硅(SiO2)隔离势垒进行隔离,可提供4kV隔离。当与隔离电源配合使用时,这些器件可阻止高电压、隔离接地以及防止噪声电流进入本地接地并干扰或损害敏感电路。
接口/连接
传统模拟RS-232/RS-485接口一直是电机控制应用的常见选择。展望未来,设计人员将在其产品中集成主流接口,如以太网、USB和CAN。
TI致力于同时为传统和新兴工业接口提供解决方案。例如,TI最近推出了全世界首款隔离式CAN收发器ISO1050。
电源管理
欢迎分享,转载请注明来源:内存溢出
微信扫一扫
支付宝扫一扫
评论列表(0条)