
图1给出了一个典型的汽车电源简化框图,主要包括以下几个单元:
源保护电路:限制+12V电源总线的正向电压,并阻止产生负压。
有源保护电路:该限压器功能与无源保护电路类似,但使用的是晶体管等有源器件,与具有同样功能的无源方案相比能够提供更好的性价比,具有更小尺寸。
开关模式或线性稳压器:为指定负载提供适当的电压和电流,可能采用多路电源结构。
在不同的应用中,这些部件的技术规格会有所不同。有些应用中并没有考虑这些因素,但会给系统的整体电气性能带来负面影响。实际上,上述单元电路的任何缺失都会增大系统设计的复杂度。

在电源中集成限压器
有源电压限幅器的原理十分简单,在器件的输入和输出之间增加一个MOSFET,限幅器控制该场效应管的栅极。正常工作状态下,打开MOSFET并为负载供电;如果电压超过定义的门限值,限压电路会关闭外部MOSFET,断开电源与负载的连接。
图2给出了基本限压电路的内部构造和典型应用电路。

在这个基本的限压电路中,VIN给内部电路供电,VIN的最大电压为80V。OVSET端的分压器设置过压检测门限,内置电荷泵为低成本n沟道MOSFET的栅极驱动供电,从而降低系统成本。除了提供过压门限外,这些IC还提供了欠压检测门限。
在另一方案是采用门限可调的窗式电压限幅,图3给出了一个相关的应用范例。

这种情况下,限压电路可以防止MOSFET和负载工作在欠压和过压状态。可以严格限制输出电压范围(将其限制在较窄的范围内),以降低对电压调节器输入范围的技术要求,从而降低电压调节器的设计成本。而在一些音频应用中,并不需要高精度的电压调节,对于这些应用,限压电路的设计可以省去稳压电路。
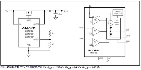
如上所述,分压器可以控制图2所示IC的输入电压,分压器也可以连接到限压器的输出端,如图4所示。在后面的例子中,分压器限制着负载上的电压而不是简单地将其切断。从其性能测试数据可以看出限压检测是周期性进行的。振荡周期由负载电容、负载电流决定,可在很宽的范围内变化。周期振荡包括两个阶段;第一个阶段使MOSFET进入有效模式,第二个阶段将其关闭。

图4所示电路配置使MOSFET周期性地进入有效模式,使功率耗散在MOSFET上,需要考虑MOSFET散热问题。基于这一原因,IC内部包含了门限约为+160°C的高温保护单元,当温度下降到+140°C以下时,电路恢复到正常模式。为了优化设计,IC应靠近MOSFET放置,使两者具有良好的热传导通路。
众所周知,电路板电源总线可能存在负向电压尖峰或正向电压尖峰。抑制负电压的保护电路可以采用无源器件或特殊IC。图5提供了MAX6496反向电压保护的内部结构。

除了限制正向电压以外,MAX6496还包含一个p通道MOSFET栅极控制电路,可以在正电压时使MOSFET 保持导通状态,而在负电压时保持关闭状态。在高负载电流、低输入电压情况下,这个电路比典型的肖特基二极管更实用。
结论
本文讨论的限压电路都提供了相应的特性参数,便于器件在各种场合的应用。每个限压电路在负载上电时允许72V的最大输入电压,而在负载切断时允许80V的最大输入电压。下表总结了限压IC的主要特性。

欢迎分享,转载请注明来源:内存溢出
微信扫一扫
支付宝扫一扫
评论列表(0条)