
倍压整流电路图:如果对电源质量要求不是很高,且功率要求也不是很大,但却不容易得到的相对较高电压的话。如1200伏,要想买相应的变压器是很不容易的。这时不烦考虑使用倍压整流电路,象有些示波器里面的高压就是采用这种电路。以下举个简单的五倍压电路,需要更高的电压不烦依次类推。

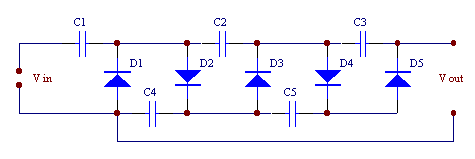
五倍压整流电路(交流输入,直流输出)
图5一14是二倍压整流电路。电路由变压器B、两个整流 二极管D1、D2及两个电容器C1、C2组成。其工作原理如下:
e2 正半周(上正下负)时,二极管D1导通,D2 截止,电流经过D1 对C1充电,将电容Cl上的电压充到接近e2 的峰值
,并基本保持不变。e2 为负半周(上负下正)时,二极管D2导通,Dl截止。此时,Cl上的电压Uc1=
与电源电压e2 串联相加,电流经D2 对电容C2 充电,充电电压Uc2=e2 峰值+1.2E2≈
。如此反复充电,C2 上的电压就基本上是
了。它的值是变压器电级电压的二倍,所以叫做二倍压整流电路。
在实际电路中,负载上的电压Usc=2X1.2E2 。整流二极管D1 和D2 所承受的最高反向电压均为
。电容器上的直流电压Uc1=
,Uc2=
。可以据此设计电路和选择元件。
在二倍压整流电路的基础上,再加一个整流二极管D3和-个滤波电容器C3,就可以组成三倍压整流电路,如图5-15所示。三倍压整流电路的工作原理是:在e2 的第一个半周和第二个半周与二倍压整流电路相同,即C1上 的电压被充电到接
,C2上的电压被充电到接近
。当第三个半周时, D1、D3导通,D2截止,电流除经D1给C1充电外,又经D3给C3 充电, C3上的充电电压Uc3= e2 峰值+Uc2一Uc1≈
这样,在RFZ,,上就可以输出直流电压Usc=Uc1i+Uc3 ≈
+
=3√2 E。,实现三倍压整流。
在实际电路中,负载上的电压Ufz≈3x1.2E2整流二极管D3所承妥的最高反向电压也是
电容器上的直流电压为
。
照这样办法,增加多个二极管和相同数量的电容器,既可以组成多倍压整流电路,见图5一16。当n 为奇数时,输出电压从上端取出:当n 为偶数时,输出电压从下端取出。
必须说明,倍压整流电路只能在负载较轻(即Rfz较大。输出电流较小)的情况下工作,否则输出电压会降低。倍压越高的整疏电路,这种因负载电流增大影响输出电压下降的情况越明显。
用于倍压整流电路的二极管,其最高反向电压应大于
。可用高压硅整流堆,其系列型号为2DL。如2DL2/0.2,表示最高反向电压为2千伏,整流电流平均值为200毫安。倍压整流电路使用的电容器容量比较小,不用电解电容器。电容器的耐压值要大于1.5x
,在使用上才安全可靠。
欢迎分享,转载请注明来源:内存溢出
微信扫一扫
支付宝扫一扫
评论列表(0条)