![[组图]凤之声AV-999五声道高保真放大器设计分析,第1张 [组图]凤之声AV-999五声道高保真放大器设计分析,第1张](/aiimages/%5B%E7%BB%84%E5%9B%BE%5D%E5%87%A4%E4%B9%8B%E5%A3%B0AV%EF%BC%8D999%E4%BA%94%E5%A3%B0%E9%81%93%E9%AB%98%E4%BF%9D%E7%9C%9F%E6%94%BE%E5%A4%A7%E5%99%A8%E8%AE%BE%E8%AE%A1%E5%88%86%E6%9E%90.png)
凤之声AV-999的设计指导思想是在满足高保真的前提下具备家庭影院功放的主要功能,包括杜比数字5.1声道输入、5×120W(8Ω、RMS)功率输出及超低音线路输出、杜比专业逻辑环绕声、卡拉OK等。
一、功放电路
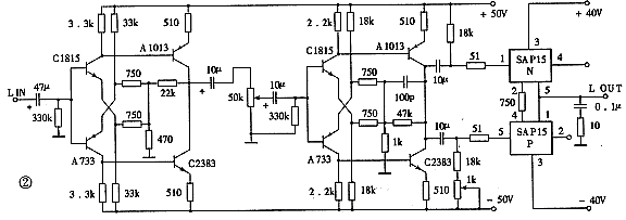
AV-999原理框图示于图1。五个120W功放电路(如图2所示)相互独立。前级放大与后级放大均采用上下对称推挽放大电路。这是凤之声长期采用的成熟电路,在很多纯音乐放大系统中均可见到。
![[组图]凤之声AV-999五声道高保真放大器设计分析,第2张 [组图]凤之声AV-999五声道高保真放大器设计分析,第2张](/upload/website_attach/20220725/200641513337289.gif)
![[组图]凤之声AV-999五声道高保真放大器设计分析,第3张 [组图]凤之声AV-999五声道高保真放大器设计分析,第3张](/upload/website_attach/20220725/200641513339943.gif)
本机显著特点之一是采用日本三肯株式会社新研制的SAP15N/SAP15P复合对管。该管(见图3)采用最新发明的TRAITR(高速热反应型半导体),其内部装有可以稳定功率三极管工作的温度测试修正电路,管内封装了驱动管和末级功率管。末级管发射极电阻和偏置电流温度补偿二极管采用2GR封装,有5条引出脚。以往稳定大功率管的作法是将补偿管接在功率管旁边,这样,补偿管在受温均衡度和速度上都需要一定的时间,故而必须等到温度充足之后,才能均匀放大出音乐信号,甚至造成过补偿,即温度越高,偏流越小,对甲乙类放大会产生过零失真。本机采用SAP15N/SAP15P复合对管后就避免了这种弊端。采用该对管后,线路性能指标一致性更佳,性能更稳定,音质好,定位准确。小音量时失真也很小,而且增加了声音的渗透力。对管的主要参数为I=15A,Pc=150W。每声道一对,相当于每声道有4只三极管,能提供强大的功率输出。
![[组图]凤之声AV-999五声道高保真放大器设计分析,第4张 [组图]凤之声AV-999五声道高保真放大器设计分析,第4张](/upload/website_attach/20220725/200641513341363.gif)
AV-999放大电路的另一个特点是前级电压负反馈的应用。我们知道,负反馈方式的设置对功放性能的影响很大。一般功放电路负反馈取自输出端(见图4a),电流放大级产生的失真依靠大环路负反馈来改善,这种反馈方式往往使功放在客观上失真度指标是改善了,而主观听感上却不尽如人意。末级产生的失真通过负反馈输入前级,再经过前级放大后对其进行补偿与调整,这种补偿与调整必然是滞后的,势必使系统瞬态响应速度降低,易于诱发瞬态互调失真,并使高频信号产生失真与相移,在听感上表现为生硬的“晶体管声”。另外,扬声器产生的反电动势和音箱线感应的射频干扰噪声也通过反馈网络馈入前级诱发瞬态互调失真,并对输入信号产生污染,影响了音质的纯正。
![[组图]凤之声AV-999五声道高保真放大器设计分析,第5张 [组图]凤之声AV-999五声道高保真放大器设计分析,第5张](/upload/website_attach/20220725/200641513341572.gif)
为了避免以上缺点,凤之声AV-999与旗舰音乐王子、音乐公主一样,都采用了前级电压反馈及用电容将前级与末级隔离,如图4b所示。由于这只电容位于信号通道上,为保证音质纯正,选用了金属化聚丙烯电容。这样,末级就变成了无负反馈的0dB后级放大器。因此,本机的前级放大取为高增益放大器。
AV-999第三个特点是电路设计采取了简洁至上的原则,因为半导体等器件是非线性的,在线性电路中用得越多,附加失真就越多,处理起来就越复杂。但是将线路简化后又带来了其它问题,比如选管配对上就要求格外严格,其它元器件也需非常考究。其中耦合电容对音质的影响不可忽视,不同的电容会有不同的音色。这方面,厂家是经过多次试验试听才最后确定的。
二、杜比专业逻辑与卡拉OK系统
AV-999的杜比专业逻辑解码系统选用杜比实验室认证的M69032P或JRC2177集成电路。该集成电路包含有杜比环绕声系统必备的全部功能(比如有输入自动平衡控制电路、自适应矩阵解码电路、工作模式及中置声道模式控制电路、7kHz低通滤波器、修改型杜比降噪电路和测试噪声发生器电路等)。解码后则是五声道放大的5×120W(8Ω、RMS)功率输出及超低音信号输出(所接超低音音箱需自带功放即所谓有源超低音音箱或外配功放)。
AV-999的卡拉OK系统与该公司凤之声OK-110卡拉OK影音前级相同。AV-999卡拉OK系统采用分立元件全对称推挽放大电路(见图5),以取其动态大、失真小的长处。
![[组图]凤之声AV-999五声道高保真放大器设计分析,第6张 [组图]凤之声AV-999五声道高保真放大器设计分析,第6张](/upload/website_attach/20220725/200641513341676.gif)
卡拉OK混响部分采用日本三菱公司的M50195芯片,配合齐全的功能调节钮(比如话筒音量和伴奏音乐音量分别独立调节),使歌声与伴音达到平衡,融为一体。
本机卡拉OK系统另一个特点是特别设计后环绕声道卡拉OK效果。根据个人爱好的兴趣可以加入或切除,而且两个环绕声道的信号是不同的,额定输出功率各为120W(8Ω)。当加入环绕卡拉OK音响效果时,可以营造出真实的空间感、包围感、现场感,如同在大厅演唱一般。因此,AV-999不但适合于家用,而从庞大的功率和卡拉OK的独特设计角度考虑,也适合于舞厅、礼堂等公共娱乐场所。
三、主要技术指标
(1)纯音乐部分
主声道输出功率:120W+120W(8Ω、RMS);主声道频率响应:20Hz~20kHz(-0.5dB);谐波失真:95dB(A);输出阻抗:4~8Ω;高音调节:±10dB(10kHz);低音调节:±10dB(100Hz)。
(2)定向逻辑环绕声部分
声道分离度:35dB(1kHz、-10dB);各声道输出谐波失真:〈0.2%(1kHz);线路输出信噪比:90dB(A);功放输出信噪比:85dB(A);频率响应:中置声道(C)20-20(-1dB),环绕声道(S)100-1(-3dB);内置功放输出功率:中置(C)120W(8Ω、RMS),环绕声(S)120W+120W(8Ω、RMS)
;超低音线路输出 增益:0dB.
(3)数码卡拉OK部分
频率响应:10Hz~20kHz(-0.5dB);总谐波失真:<0.15%(1kHz);延迟时间:65ms,130ms,260ms;可调混响时间:0-5s连续可调;电源电压:220V±10%,50Hz;全机总质量:16.8kg,外形尺寸:430×360×125mm(L×W×H)
四、器材搭配要点
AV-999本身不带AC-3解码功能,笔者体会这样可给用户带来更大的机动性,尤其是经济性。当您要求不是很高时,可选购内置AC-3解码器的DVD播放机(对一般DVD机,带或不带AC-3解码功能,成本只差几十元,但若将AC-3解码功能置入AV放大器,则成本至少要上升五百余元),解码后的5.1声道信号直入AV-999,其中5个声道分别驱动前左、前右、前中、后左、后右5个规格相同的全频道音箱,而0.1声道只提供120Hz以下的超低音小信号,通过功放(可置超低音箱内,也可用单独的功放)驱动超低音音箱。
当您对家庭影院要求很高,认为DVD机内置的解码器不够档次时,可买一台单独的AC-3解码器,将其串接在DVD机与AV-999之间组成更高级的数码家庭影院,不过这需要多付出两千元的代价。稍退一步,也可购买内置AC-3解码器的AV放大器,这种放大器,厂家需付AC-3认证费1万余美元,当然这要加在AV放大器的成本中。事实上,按国人消费水平与一般的住房条件,第一方案已经可以说相当不错了。
关于超低音音箱的选用与否,主要根据自己的视听室大小和爱好。当视听室较小(比如二十余平方米以下)而您的主音箱又够档次(比如是10英寸以上低音扬声器的三分频落地箱),那么不配超低音也不会感到低音不足。如果您的视听室达到三四十平方米甚至几百平方米的大厅做专业用,则购置超低音音箱就有考虑的必要了。
使用AV-999播放音乐时,选择直通键,可使高保真音乐节目跳过杜比环绕和卡拉OK电路直达后面的放大电路(见图1),此时显然AV-999是一台地地道道的高保真双声道纯音乐放大器,线路中仅多了一条二十厘米长的良好导线而已。
欢迎分享,转载请注明来源:内存溢出
微信扫一扫
支付宝扫一扫
评论列表(0条)