![[图文]斯巴克Cayin230C合并式晶体管放大器设计分析,第1张 [图文]斯巴克Cayin230C合并式晶体管放大器设计分析,第1张](/aiimages/%5B%E5%9B%BE%E6%96%87%5D%E6%96%AF%E5%B7%B4%E5%85%8BCayin230C%E5%90%88%E5%B9%B6%E5%BC%8F%E6%99%B6%E4%BD%93%E7%AE%A1%E6%94%BE%E5%A4%A7%E5%99%A8%E8%AE%BE%E8%AE%A1%E5%88%86%E6%9E%90.png)
1999年8月,中航(珠海)企业集团珠海斯巴克电子设备有限公司迎来6周年诞辰。在这喜庆的日子里,我们谨向斯巴克公司全体员工致以真挚的祝贺,并祝愿斯巴克公司在国防工业的旗帜下,谱写中国音响工业新的篇章。
Cayin230C是斯巴克公司为音乐爱好者推出的一款高性能价格比、适于表现多种体裁类型音乐的音色型功率放大器。它具有频响宽、信噪比高、失真低、音色自然逼真等特点。
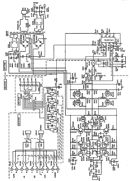
Cayin230C的原理电路见附图。在处理信号输入的方式上Cayin230C采用了优质继电器进行切换选择,这一设计的优势在于能够缩短输入信号的流程,减少音频信号的损失,同时也能最大限度地减少串扰。Cayin230C采用无源前级电路模式;放大电路为全对称互补型设计:输入级选用东芝公司出品的音响专用低噪音场效应管K246/J103与晶体管C2240/A970组成共源-共基差分输入电路;预激励级采用东芝公司出品的音响专用对管C2705/A1145作电压放大,激励级选用日立中功率发烧级MOS-FET对管K214/J77作推动;末级功率放大采用大功率,高可靠性,高Ft值的音色温暖醇厚的日立音响专用场效应对管K1058/J162多管并联输出。多管并联对管子的配对要求很高,这直接关系到管子工作的稳定性,在装配过程中,Cayin230C所有管子均经厂方由专人严格测试配对,以确保放大器品质。多管并联设计能够降低放大器内阻,提高放大器的阻尼系数,从而有效地提高放大器对扬声器系统的驱动控制能力,对效率较低的喇叭也能很好地驱动。为了确保放大器能稳定工作,防止温度过高烧毁功放管,Cayin230C特别采用了大型散热器。此外,放大器机壳的上下底盖均设计有散热孔,便于空气对流散热,使得放大器能够在较大功率输出情况下长时间工作。
![[图文]斯巴克Cayin230C合并式晶体管放大器设计分析,第2张 [图文]斯巴克Cayin230C合并式晶体管放大器设计分析,第2张](/upload/website_attach/20220725/200641513335859.gif)
电源的供应对放大器的表现有很关键的影响,故在设计上Cayin230C采用了斯巴克本厂制造的大型优质环形电源变压器,型号为OB112,并且封装在圆形钢制屏蔽盒中以避免对电路产生干扰。为保证放大器在大动态重播时对音箱的控制力,Cayin230C应用了大容量音响专用滤波电解电容器,容量近6万微法,同时为改善高频段表现,保证高低频特性一致,并联了小容量优质聚丙烯MKP电容器。完善的供电系统为功率放大器提供充沛而稳定的电流,对前后级高低压独立供电,左右声道功率放大级独立供电,彻底杜绝各部分因电源供应带来的相互影响。
为保证放大器和扬声器系统免受因为过载或偶然误 *** 作造成的损坏,Cayin230C设计有新型高可靠性的保护电路,保护芯片采用μPC1237HA,它具备中点漂移、过流过载保护、开机延时静噪、关机消噪、交流电源检控等功能。
Cayin230C音量控制采用日本ALPS出品的方型蓝色塑封电位器,左右两声道平衡性很好,运行非常平稳。信号切换选择开关也采用高级品种,旋转时手感非常舒服。特别是每声道均设有两组输出,可以适合双线分音和多音箱接驳的情况。
Cayin230C外形上采取简洁明快的设计,面板采用两块黑灰色和一块香槟金色铝面板拼合而成,表面经拉丝和阳极化处理,厚度达10mm。电源开关选用按钮式,音量控制和信号切换旋钮均为铝锭冲压成型,给人以用料扎实厚重之感。
Cayin230C具有高分析力和优秀的声音定位能力,能够很好地重放唱片录音中的微弱细节,从而带给欣赏者身临其境的现场感受。Cayin230C各频段的量感分布很平衡,低频厚实有d性,中频丰满圆润,高频细腻亮丽,音场再现清澈透明,由于应用了场效应管,音色细腻自然,有电子管机温暖醇厚的风格,悦耳动听,久听不倦。它适合于对音色还原表现要求较高的音乐爱好者。
主要技术参数:额定输出功率90W+90W(8Ω);频率响应8Hz~45kHz;输入灵敏度340mV(90W,1kHz,8Ω);总谐波失真≤0.07%;信噪比91dB;电源电压:AC220V±10%;重量:12.5kg。
欢迎分享,转载请注明来源:内存溢出
微信扫一扫
支付宝扫一扫
评论列表(0条)