
运算放大器(OPeraTIonal AMPlifier)是模拟电子电路的基本组成部分. 它们是具有直流放大器所有特性的线性器件。可以在运算放大器上使用外部电阻器或电容器,有许多不同的方法可以使它们成为不同形式的放大器,例如反相放大器、同相放大器、电压跟随器、比较器、差分放大器、求和放大器、积分器等。
运算放大器可以是单个,双个、四运算等,它们具有出色的性能,输入电流和电压非常低。理想的运算放大器除了其他端子外,还具有三个重要的端子。输入端子为反相输入和同相输入。第三个端子是可以吸收和提供电流和电压的输出。输出信号是放大器增益乘以输入信号的值。
运算放大器的5个理想特性
1、开环增益
开环增益是没有正反馈或负反馈的运算放大器的增益。理想的运算放大器应具有无限的开环增益,但通常在20,000到2, 00000之间。
2、输入阻抗
它是输入电压与输入电流的比值,它应该是无限的,没有从电源到输入的任何电流泄漏。但是在大多数运算放大器中都会有一些皮安电流泄漏。
3、输出阻抗
理想的运算放大器应具有零输出阻抗,且没有任何内阻。这样它就可以为连接到输出的负载提供全电流。
4、带宽
理想的运算放大器应具有无限的频率响应,以便它可以将任何频率从直流信号放大到最高交流频率,但大多数运算放大器的带宽有限。
5、偏移
当输入之间的电压差为零时,运算放大器的输出应为零。但在大多数运算放大器中,关闭时输出不会为零,但会产生微小的电压。
运算放大器引脚配置

在典型的运算放大器中,将有8个引脚,这些分别是:
Pin1 - 偏移空(Offset Null)
Pin2 – 反相输入INV(InverTIng input INV)
Pin3 – 非反相输入Non-INV(Non inverTIng input Non-INV)
Pin4 - 地 - 负电源(Ground- NegaTIve supply)
Pin5 - 偏移空(Offset Null)
Pin6 – 输出(Output)
Pin7 – 正电源(Positive supply)
Pin8 – 频闪(Strobe)
运算放大器中的4种增益类型
电压增益 - 电压输入和电压输出;
电流增益 - 电流输入和电流输出;
跨导 - 电压输入和电流输出;
跨阻 - 电流输入和电压输出。
运算放大器的主要应用
1、放大
运算放大器的放大输出信号是两个输入信号之差。

上图是运算放大器的简单连接。如果两个输入端都提供相同的电压,则运算放大器将获取两个电压之间的差值,它将为0。运算放大器将其乘以增益1,000,000,因此输出电压为0。当2伏电压为给一个输入和另一个输入1伏,然后运算放大器将取其差异并乘以增益。即1伏 x 1,000,000。但是这个增益非常高,所以为了降低增益,从输出到输入的反馈通常是通过一个电阻来完成的。
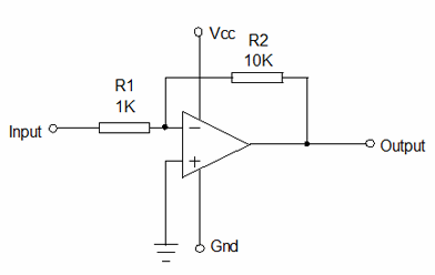
反相放大器:

上图显示的电路是一个反相放大器,其非反相输入接地。两个电阻器R1和R2以这样的方式连接在电路中,即R1馈送输入信号,而R2将输出返回到反相输入。在这里,当输入信号为正时,输出将为负,反之亦然。输出相对于输入的电压变化取决于电阻器R1和R2的比率。R1选为1K,R2选为10K。如果输入接收到1伏,则将有1毫安电流通过R1,输出必须变为10 伏,以便通过R2提供1毫安电流并保持反相输入端的零电压。因此电压增益为R2/R1,即10K/1K=10。
同相放大器:

上面显示的电路是一个非反相放大器,此处非反相输入接收信号,而反相输入连接在R2和R1之间。当输入信号正或负移动时,输出将同相并保持反相输入端的电压与同相输入端的电压相同。在这种情况下,电压增益将始终高于1,因此 是(1+R2/R1)。
2、电压跟随器

上面的电路是一个电压跟随器。在这里它提供了高输入阻抗,低输出阻抗。当输入电压变化时,输出和反相输入将同样变化。
3、比较器
运算放大器将一个输入端施加的电压与另一个输入端施加的电压进行比较,电压之间的任何差异(如果很小)都会使运算放大器进入饱和状态。当提供给两个输入的电压具有相同的幅度和相同的极性时,运算放大器的输出为0伏。
比较器产生有限的输出电压,可以轻松与数字逻辑接口,即使需要验证兼容性。
运算放大器的硬性要求
1、偏移归零
即使输入电压相同,大多数运算放大器在输出端都有偏移电压。为了使输出为零电压,使用了偏移归零方法。在大多数运算放大器中,由于其固有特性和输入偏置排列中的不匹配导致,存在一个小的偏移。
因此,即使输入信号为零,某些运算放大器的输出端也可以提供很小的输出电压。这个缺点可以通过向输入提供一个小的偏移电压来纠正。这称为输入偏移电压。为了消除或清零偏移,大多数运算放大器都有两个引脚来启用偏移清零。为此,典型值为100K的Pot或Preset应连接在引脚1和5 之间,其抽头接地。通过调整预设,可以将输出设置为零电压。

2、选通或相位补偿
运算放大器有时可能会变得不稳定,为了使它们在整个频带内稳定,通常在其Strobe引脚8和引脚1之间连接一个电容。通常会添加一个47pF的圆盘电容器来进行相位补偿,以使运算放大器保持稳定。如果运算放大器用作灵敏放大器,这一点最为重要。

3、反馈
众所周知,运算放大器具有非常高的放大水平,通常约为1,000,00 倍。假设运算放大器的增益为10,000,那么运算放大器将放大其同相输入 (V+) 和反相输入 (V-) 的电压差。所以输出电压 V out 为
10,000 x (V+ – V- )。

在图中,信号施加到非反相输入,反相输入连接到输出。所以V+=V in,V-=Vout。因此Vout=10,000 x (Vin – Vout)。因此输出电压几乎等于输入电压。
现在来看看反馈是如何工作的,只需在反相输入和输出之间添加一个电阻器就会大大降低增益。通过将一小部分输出电压输入反相输入可以显着降低放大率。

根据前面的等式,V out = 10,000 x (V+ – V-)。但是这里增加了一个反馈电阻。所以这里V+是Vin,V-是R1.R1+R2 x V out。因此,V out为10,000 x ( Vin – R1.R1+R2xVout)。所以V out = R1+R2.R1x Vin。
负面反馈:
运算放大器的输出连接到其反相 (–) 输入,因此输出被反馈到输入以达到平衡。所以,非反相 (+) 输入端的输入信号将在输出端反射。具有负反馈的运算放大器会将其输出驱动到必要的电平,因此其反相和非反相输入之间的电压差将几乎为零。

正面反馈:
输出电压被反馈到非反相 (+) 输入。输入信号被馈送到反相输入。在正反馈设计中,如果反相输入接地,则运算放大器的输出电压将取决于非反相输入电压的幅度和极性。当输入电压为正时,运算放大器的输出将为正,并且该正电压将馈送到非反相输入,从而产生完整的正输出。如果输入电压为负,则情况相反。

简单小结
运算放大器是一种非常高增益的直流差分放大器,它使用一个或多个外部反馈网络来控制其响应和特性。“理想”或完美的运算放大器是具有某些特殊特性的器件,例如无限开环增益A O、无限输入电阻R IN、零输出电阻R OUT、无限带宽0到∞和零偏移(输出正好当输入为零时为零)。
目前有大量的运算放大器可用于标准双极型、精密型、高速、低噪声、高压等各种可能的应用,无论是标准配置还是内部结型FET晶体管。
另外,运算放大器可在单个器件中采用单、双或四运算放大器的IC封装,基本电子套件和项目中所有运算放大器中最常用和使用的是行业标准μA-741。
欢迎分享,转载请注明来源:内存溢出
微信扫一扫
支付宝扫一扫
评论列表(0条)