
测控系统是水动力实验中的重要测试设备。在实验中有压力、拉力、加速度等物理量通过传感器转换成电压值,需要准确记录。虽然实验模型有很多种,但是共用传感器及测控系统,因此对测控系统的通用性和用户界面友好性提出了要求。本文采用嵌入式架构设计了测控系统。
本文设计的系统硬件基于STM32芯片,具有很强的扩展能力,易于移植,其外设单元资源丰富,能够达到系统要求的精度和范围。
1、硬件架构采用嵌入式架构(见图1)的优点是通用性强,便于在多平台移植;主控芯片外围电路模块丰富,包括ADC、DA、CAN和SDIO等接口,独立完成对多种类型设备的测量、控制。芯片的主频高,运算能力也很强,适合嵌入复杂的算法。完全适合作为测控系统,具备系统升级和扩展的空间。

图1 嵌入式测控系统硬件架构
系统采用意法半导体推出的STM32F103,是基于Coretex-M3内核的32位ARM芯片系列,而ZET6属于该系列的高容量芯片,片内Flash为512KB,片内SRAM为64kB,主频72MHz,具备26位地址线和16位数据宽度。
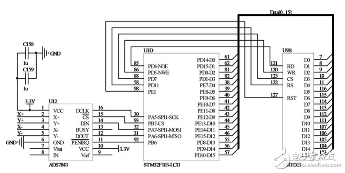
系统的显示屏为翰彩4.3寸TFT液晶屏,分辨率为640×480,显示屏驱动模块是SSD1963,采用了16位(5位红色,6位绿色,5位蓝色)64K接口模式,由FSMC数据接口连接控制。覆盖电阻式触摸屏,控制芯片ADS7843输入触摸屏四路电压,用SPI通讯输出触摸点位置信息。图2所示为LCD接口电路。

图2 LCD驱动模块的接口电路
内部ADC模块是12位逐次逼近型,有16通道,采样率最高1MHz。STM32F103的CAN总线单元被称为bxCAN(BasicExtendedCAN),它支持CAN协议2.0A和2.0B;选用的CAN收发器是TJA1050,在CAN协议控制器和物理总线之间起到接口的作用,设计有120Ω的终端匹配电阻以适应不同的总线网络。图3所示为CAN模块的接口电路。另外,本文还设计了RS232接口以适应不同接口要求。

图3 CAN模块的接口电路
欢迎分享,转载请注明来源:内存溢出
微信扫一扫
支付宝扫一扫
评论列表(0条)