
74ls164是8位边沿触发式移位寄存器,所以它的功能很明显就是串行输入的数据并作8位并行输出。
数据通过两个输入端(DSA或DSB)之一串行输入;任一输入端可以用作高电平使能端,控制另一输入端的数据输入。两个输入端或者连接在一起,或者把不用的输入端接高电平,一定不要悬空。

74ls164功能真值表

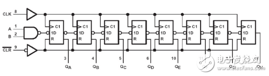
74ls164内部电路图
欢迎分享,转载请注明来源:内存溢出

74ls164是8位边沿触发式移位寄存器,所以它的功能很明显就是串行输入的数据并作8位并行输出。
数据通过两个输入端(DSA或DSB)之一串行输入;任一输入端可以用作高电平使能端,控制另一输入端的数据输入。两个输入端或者连接在一起,或者把不用的输入端接高电平,一定不要悬空。

74ls164功能真值表

欢迎分享,转载请注明来源:内存溢出
微信扫一扫
支付宝扫一扫
评论列表(0条)