
ADI公司的ADPD2140W是能检测入射红外光角度的光学传感器,和红外LED一起能检测用户手的运动和手势.具有2轴光角度测量, 工作温度−40°C到+105°C,主要用在用户接口控制的手势控制,光角度检测和接近检测.本文介绍了ADPD2140W主要特性,功能框推, ADPD2140W和ADPD1080连接图,以及评估板EVAL-ADPD2140Z主要特性,电路图和PCB设计图.
The ADPD2140W is an opTIcal sensor that detects and measures the angle of incident infrared light within a wide field of view and can be used in conjuncTIon with an infrared light emitTIng diode (LED) to detect user hand movements or gestures.
The ADPD2140W has an illuminated, radiant sensiTIve area of 0.363 mm2. The low diode capacitance and low dark current of the ADPD2140W allows optimal integration with the ADPD1080 photometric front end. The ADPD2140W requires four photodiode channels. Therefore it is recommended to use the ADPD1080BCPZ with the ADPD2140W.
Packaged in a small, clear mold, 2 mm × 3 mm, 8-lead LFCSP, the ADPD2140W is specified over the −40°C to +105°C operating temperature range.
ADPD2140W主要特性:
2-axis light angle measurement
Linear response to the angle of incident light
Integrated visible light blocking optical filter
No external lens required
Low diode capacitance: 15.4 pF per channel at VR = 0.25 V
Low reverse dark current: 786 fA per channel at VR = 0.25 V, TA = 25°C
8-lead, 2 mm × 3 mm, 0.65 mm height LFCSP
AEC-Q100 qualified for automotive applications
ADPD2140W应用:
Gesture for user interface control
Light angle sensing
Proximity sensing

图1. ADPD2140W功能框图

图2. ADPD2140W和ADPD1080连接图
评估板EVAL-ADPD2140Z
The EVAL-ADPD2140Z evaluation kit allows users to interface with the ADPD2140 infrared (IR) light angle sensor, collect data from the ADPD2140, and evaluate gesture recognition and triangulation capabilities. The evaluation kit requires the EVAL-ADPDM3Z evaluation board and the Applications Wavetool, a graphical user interface (GUI) that provides users with low level and high level config- urability, real-time data analysis, and user datagram protocol (UDP) transfer capability, which allows the EVAL-ADPDM3Z evaluation board to interface to a PC. The Applications Wavetool can be downloaded from the EVAL-ADPD2140Z evaluation board product page. The USB port of the PC powers the EVAL-ADPDM3Z evaluation board and provides power to the EVAL-ADPD2140Z evaluation board. On-board voltage regulators provide voltage supplies for the ADPD2140. The EVAL-ADPD2140Z evaluation board schematic indicates signal names for easy identification (see Figure 12). Full specifications for the ADPD2140 are available in the ADPD2140 data sheet, which should be consulted in conjunction with this user guide when working with the EVAL-ADPD2140Z evaluation board.
评估板EVAL-ADPD2140Z主要特性:
ADPD2140 full configuration
Register level
Parameter level
Graph views
Time series view
Gesture recognition view
Triangulation view
UDP transfer capability
图2. 评估板EVAL-ADPD2140Z外形图

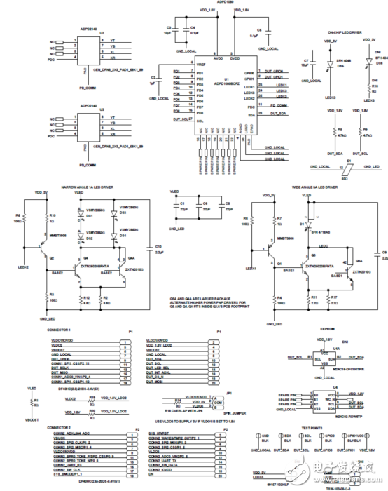
图3. 评估板EVAL-ADPD2140Z电路图

图4. 评估板EVAL-ADPD2140Z PCB设计布局图
欢迎分享,转载请注明来源:内存溢出
微信扫一扫
支付宝扫一扫
评论列表(0条)