
1 DDR3介绍
以镁光的MT41K128M16为例来介绍DDR3。

通过以上信息我们即可知道DDR3的内存容量,Row,Column和Bank的地址位宽。开发板选用的MT41K128M16 DDR3的容量为16Megx16x8banks=2048Mb=2Gb。
1.1 DDR3命名

我们通过ConfiguraTIon,Package,Speed...等DDR3的命名可知道DDR3的容量,封装,速度等级等信息。
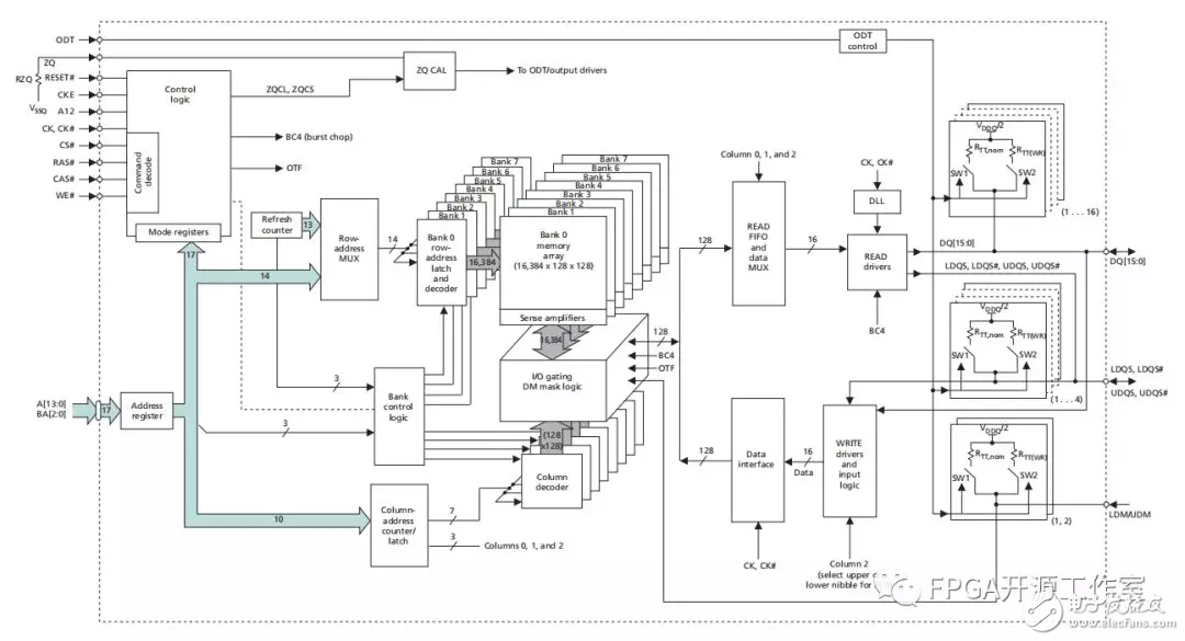
1.2 DDR3的内部结构

1.3接口



使用xilinx mig IP来控制DDR3的数据读写我们了解DDR3以上信息即可。
2 mig介绍

如上图所示,mig(Memory Interface SoluTIon) IP由三部分组成User Interface Block,Memory Controller和Physical Layer。IP的一边是连接DDR3的接口(Physical Interface),另一边是用户逻辑控制接口(User FPGA Logic)。想要正确的控制DDR3的读写,我们需要正确的设置mig IP和正确的用户逻辑控制接口逻辑。
2.1 mig user interface



对于mig用户端接口含义我们将在《第三篇--mig IP用户逻辑接口读写时序分析》中详细介绍。
3 DDR3原理图和FPGA原理图


通过DDR3的原理图我们可以知道DDR3的供电电压为1.35V。DDR3挂在FPGA的34 bank上。
欢迎分享,转载请注明来源:内存溢出
微信扫一扫
支付宝扫一扫
评论列表(0条)