
基于CX25838设计的8路视频监视系统
CX25838是Conexant 公司的下一代8路音/视频译码器,集成了8路工业标准的NTSC/PAL视频译码器和10位ADC以及5路梳状滤波器;译码器还包括8路高质量的单声道ADC和I2S音频输入,可编程运动检测逻辑和48个GPIO引脚,可提供27, 54和108 MHz的数字视频输出格式. CX25838每路的功耗低到150mW,主要用在住宅区区的”智能家庭”和商业监视系统.本文介绍了CX25838主要特性,方框图,以及评估板CX25838-EVK主要优势和方框图.
CX25838 :8-Channel Audio/Video Decoder for Video Surveillance Systems
The CX25838 eight-channel audio/video decoder was designed for surveillance applicaTIons. The CX25838 contains eight high quality NTSC/PAL video decoders with 10-bit A/Ds and 5-line comb filtering, to generate the highest quality digital video output with the lowest possible noise. This creates not only the best image quality for viewing, but enables lower bitrates for compression devices using the output of the CX25838.
The video decoders within the CX25838 are opTImized to lock to inputs with low signal levels as well as line-locked cameras, both of which are common in surveillance systems. Each video decoder may be scaled independently and the CX25838 supports BT.656 as well as a variety of other interleaved digital video output formats.
The CX25838 also contains eight high-quality mono audio A/Ds with I2S outputs.
The CX25838 supports byte, line, or frame-interleaved digital video outputs at 27, 54, or 108 MHz. Byte and line interleaved outputs are supported enTIrely within the CX25838. Frame-interleaved outputs require that the CX25838 interface with external DDR2 memory. The CX25838 supports I2S and mulTIplexed I2S audio outputs.
There are two variants of the CX25838 offered — one with the external DDR2 interface, and one without the interface. When equipped with DDR2, the CX25838 supports frame-interleaved video outputs, as well as a 2x2 CIF tiling mode, in which four CIF images are tiled into a single D1 stream.
For systems that require resolutions of half-D1 or lower, two CX25838 devices may be cascaded together to share external memory and CODEC interfaces. The CX25838 includes programmable motion detection logic, which can trigger flags over GPIO pins when motion is detected on incoming analog video streams.
The CX25838 contains 48 GPIO pins, which maximize flexibility and allow customization to a variety of applications and designs. The I2C interface and motion detection flags are supported via GPIOs.
CX25838主要特性:
• Eight High-Quality NTSC/PAL video decoders:
- Anti-alias filters
- 10-bit A/Ds
- 5-line comb filtering
- Independent scaling
• Eight Mono audio A/Ds
- Variable sample rates
- I2S outputs
• Flexible digital video output formats at 27, 54, and 108 MHz
- Byte-interleaved
- Line-interleaved
- Frame-interleaved (requires external DDR2 memory)
• Tiling and cascading functions (requires external DDR2 memory)
• Programmable Motion Detection
• 48 GPIO pins
图1.CX25838 方框图
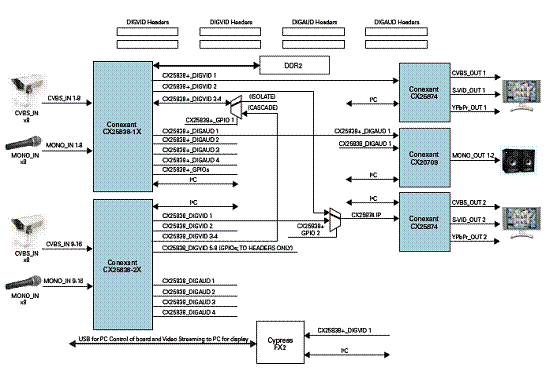
多路音/视频译码器评估板CX25838-EVK
Multi-Channel Audio/Video Decoder Evaluation Kit Evaluation Kit based on Conexant’s CX25838 Multi-Channel Audio/Video Decoder, CX25874 Video Encoder with Composite/S-Video/Component Output, and CX20709 Audio Codec devices.
The stand-alone evaluation kit is designed to showcase the capabilities of Conexant’s CX25838 devices. Each CX25838 device integrates eight high-quality video decoders with eight audio A/Ds, and supports byte and line-interleaved digital video outputs. The CX25838-1x contains a DDR2 interface and supports frame-interleaved outputs as well as 2x2 CIF resolution tiling. Frame-interleaved outputs provide key benefits and additional flexibility to many DVR systems by eliminating glue-logic and lowering codec processing requirements.
The CX25838-2x (without DDR2 interface) may be cascaded with the CX25838-1x to allow frame-interleaved output of up to 16 video channels. High-speed headers on the board are designed to allow uncompressed video and audio output from the CX25838 devices to easily cable over to H.264 development platforms. The CX25838 contains enhancements specific to surveillance applications, such as programmable motion detection, expanded line-locked camera frequency ranges, and enhanced low-level input locking capabilities.
The CX25838 Evaluation Kit also includes Conexant’s CX25874 video encoders, which accept BT.656 data from the CX25838 multi-channel decoders and generate analog composite, S-Video, and component outputs. Additionally, Conexant’s CX20709 device accepts digital audio data from the CX25838 and converts it to analog output.
The evaluation kit is controlled with a user-friendly PC application, which interfaces to the board via USB. In addition to controlling the board, the USB interface allows bridging of video data from the CX25838 to the PC, for evaluation of pure digital video.
The CX25838 Evaluation Kit provides DVR manufacturers with a simple, yet powerful evaluation and development platform for systems based on the device. The CX25838 is the world’s only eight-channel integrated audio/video decoder for surveillance DVR applications.
评估板CX25838-EVK主要优势:
• Eight Video Decoders and Audio A/Ds: Highest level of integration, smallest PCB footprint
• Frame-Interleaved Video Outputs: Eliminate glue-logic and reduce codec overhead
• Designed Specifically for Video Surveillance DVR Applications: Motion Detection,Line-Locked Camera, and Low-Level Input Features
• 5-line comb filtering: Excellent luma/chroma separation for best image quality and lowest compression bitrate Conexant CX25874
• Four high-performance, 10-bit DAC outputs support composite, S-Video, and component analog out
• Adaptive flicker filtering and peaking filters for text sharpness
图2.评估板CX25838-EVK外形图
图3.评估板CX25838-EVK(CX25838/CX25874/CX20709)方框图
欢迎分享,转载请注明来源:内存溢出
微信扫一扫
支付宝扫一扫
评论列表(0条)