
摘要:设计了基于ARMLPC2131的驱动系统,自动跟踪太阳光直射方向来提高光伏电池的效率,并采用了改进的步进式扰动观察算法来寻找太阳电池阵列的最大功率点,使系统在任何温度和日照条件下都能获得太阳电池的最大功率。实践证明,该系统精确地跟踪了各种情况下的太阳光变化,并将光伏电池的实际转换率提高到30%以上。
引言
目前,我国国内太阳能自动跟踪器主要有:压差式太阳能跟踪器,控放式太阳跟踪,时钟式太阳跟踪器,比较控制式太阳跟踪器。纯机械式的跟踪器和时钟式的机电跟踪器精度偏低,本系统采用了精度相对较高的光敏电阻控制的双轴太阳跟踪器的控制方式使光伏电池始终朝向太阳;在天黑后,能够使电池板重新朝向东方,实现日循环运行。
太阳能发电控制系统
传感器结构
该跟踪器的传感器结构见图1。设置一个圆筒形外壳,在圆筒外部东、南、西、北四个方向上分别布置4 只光敏电阻;其中P1、P3 东西对称安装在圆筒的两侧,用来粗略的检测太阳由东往西运动的偏转角度即方位角;P2、P4 南北对称安装在圆筒的两侧,用来粗略检测太阳的视高度即高度角;在圆筒内部,东、南、西、北四个方向上也分别布置4 只光敏电阻,用来精确检测太阳由东往西运动的偏转角度和太阳的视高度。

图1 传感器结构示意图
立柱转动式跟踪器
跟踪器的结构见图2。步进电机1固定在底座上,主轴及其支撑轴承安装在底座上面(主轴相对于底座可以转动),转动架以及支架固定安装在主轴上,光伏电池、步进电机2 安装在支架上面(光伏电池相对于支架可以转动),步进电机2 的输出轴连接在光伏电池上。
图2 立柱转动式跟踪器示意图
当光线发生偏移,控制部分发出控制信号驱动步进电机 1 带动转动架以及固定在转动架上的主轴、支架以及光伏电池转动;同时控制信号驱动步进电机2 带动光伏电池相对与支架转动,通过步进电机1、步进电机2 的共同工作实现对太阳方位角和高度角的跟踪[2]。
MPPT控制器
光伏电池的输出功率与它的工作电压有关(U-P曲线一般呈先上升后下降的光滑曲线,中间的某个电压值取得最大功率),只有工作在最合适的电压下,它的输出功率才会有个唯一的最大值。如:在日照强度为1000W/m2 下,U=24V,I=1A;U=30V,I=0.9A;U=36V,I=0.7A;可见30V的电压下输出功率更大。MPPT(最大功率点跟踪)控制器主要功能是:检测主回路直流电压及输出电流,计算出太阳电池阵列的输出功率,并实现对最大功率点的追踪 [3]。图 3为实际应用扰动与观察法来实现最大功率点追踪的示意图。

图3 MPPT控制实现示意图
扰动电阻 R 和MOSFET 串连在一起,在输出电压基本稳定的条件下,通过改变MOSFET的占空比,来改变通过电阻的平均电流,因此产生了电流的扰动[4]。同时,光伏电池的输出电流和输出电压亦将随之变化,通过测量扰动前后光伏电池输出功率和电压的变化,以决定下一周期的扰动方向,当扰动方向正确时太阳能光电板输出功率增加,下一周期继续朝同一方向扰动,反之,当太阳能光电板输出功率减少时,表示扰动方向错误,下一周期朝反向扰动,如此反复进行着扰动与观察来使太阳能光电板输出达最大功率点。
系统硬件设计

图4系统结构框图
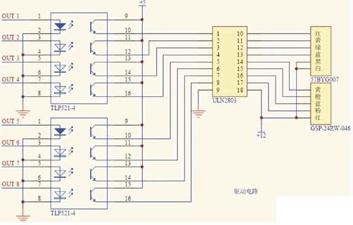
驱动电路
图5 光敏电阻采集电路

图6 步进电机驱动电路
步进电机57BYG007,GSP-24RW-046,皆为四相八拍。OUT1、OUT2、OUT3、OUT4依次取高电平,ULN2803(步进电机驱动芯片,集电极输出)的1脚到4脚依次为高电平,这样就给步进电机1(57BYG007)正转一步的脉冲信号,步进电机正转1.8度;反之,OUT4、OUT3、OUT2、OUT1依次取高电平,步进电机反转1.8度,GSP-24RW-046驱动原理与之相同。
DC/DC、MPPT电路
系统所采用光伏电池正常工作电压10-14V,工作电流1A左右,所采用的蓄电池为12V-7AH,由于 12V的蓄电池一般需要13-15V的电压为之充电,而光伏电池如果不经过DC/DC处理,无法保证为蓄电池稳压充电。因此通过BOOST升压电路将光伏电池电压升高20V(大功率步进电机需要较大电压,此处可以为将来系统升级做准备),然后降压到14V为蓄电池稳压充电[5],电路图如图7所示。

图7 DC/DC及MPPT电路
图7电路左端为光伏电池,右端输出电压为Uo(图7的Uo为图8的Uin),我们需要得到右端Uo=20V。
首先通过并联50K、10K电阻组成的电路,并对10K电阻两端A/D采集,采集电压Uad1,间接得到蓄电池两端电压Uin=6Uad1;
Uo要求为20V, 通过Uo = Uin/(1-D)可计算出需要的D(Q1的占空比),输出控制PWM1波形,由于所采用的大功率MOSFET驱动电压要求15V,所以PWM1需要经过上拉电压15V和光耦开关组合后对Q1控制,不是简单的控制Q1。
通过R5、R6组成的电路采集R6两端电压Uad2,间接得到Uo=6 Uad2,将Uo与20V比较,即时调整实际的D,使得D=D-△D或D=D+△D(△D取PMW脉冲周期的5%),然后延时、采集、判断,直到得到精确的占空比D,能够准确输出电压Uo=20V。
在输出电压基本稳定的基础上,设置Q4的PWM2,改变R7扰动电阻的占空比,来改变输出电流,通过对R8两端电压的A/D采集,采集电压Uad3,得到电路总电流I=Uad3/R8,因此得到太阳能电池输出总功率P=Uin×I(因为电路是电流连续工作,电感上的纹波电流可以小到接近平滑的直流电流,C1电流可忽略,甚至电容C1可除去,且光伏电池左端的采集电阻相当大,电流极小,亦可忽略),改变光伏电池即时输出实际功率,来实现MPPT。
蓄电池充放电控制电路
白天,光伏电池需要为蓄电池充电,以便蓄电池能够晚间对负载(路灯)供电,并且步进电机的工作电能也需要由光伏电池提供(若光伏电池的功率不足以带动电机,说明日照极差,无需转动电机),ARM板必须连续供电,白天由光伏电池供电,夜间由蓄电池供电,这一套充放电控制电路需要用到2个继电器,一个是控制蓄电池充电和放电,另一个控制ARM板的工作电压由光伏电池提供还是蓄电池提供,电路如图8所示。

图8 蓄电池充放电控制电路
电路右端Uin=20V作为输入电压, 通过BUCK降压电路将电压降到14V为蓄电池充电,Uo=Uin×D,要得到14V电压,设置Q2的占空比为70%。白天:2个继电器皆为常开状态A,光伏电池为步进电机和ARM供电(采用7805稳压管降压到5V),并为蓄电池充电,蓄电池正极接反相截至二极管,保证充电同时不放电。夜间(或日照极差,由光敏电阻判断):继电器1、2被吸合到B,步进电机停止工作,蓄电池为ARM供电,并带动负载(路灯)工作。
系统软件设计
本系统主要的控制作用都是由主控制软件实现的,主要包括:A/D模块,DC/DC 模块,MPPT 及蓄电池充放电控制等。系统重点在硬件设计,软件设计相对较简单,主程序流程图如图 9所示。

图9 主程序及主控后台程序流程图
结语
整个系统以ARM LPC2131 为核心对 DC/DC、 MPPT、蓄电池组充放电进行控制,采用最大功率点的跟踪,使光伏电池工作在最佳状态,使光伏电池的实际转换率由10% 提高到30%。系统通过自动跟踪测试,达到预期的性能指标,控制精度高,已由公司制作成品,并计划批量生产。它的制作简单、成本低、实用性强,这对于我国广阔的太阳能资源丰富地区,有着非常广阔的应用前景。
欢迎分享,转载请注明来源:内存溢出
微信扫一扫
支付宝扫一扫
评论列表(0条)