
随着电力技术的使用越来越多,现在不仅需要监控组件的电气和电子性能,还需要监控它们的热行为。采用散热器的通用模型对于确保在使用 LTspice 进行仿真期间不超过特定功率组件的安全工作区 (SOA) 非常重要。在本教程中,我们将学习如何插入 SOAtherm-HeatSink 模型并控制系统在热域中的行为。
散热器和 SOAtherm-HeatSink 模型
任何电子电力系统都需要一种能够在组件容器和周围环境之间进行高热交换的设备。如果相对结温超过其物理极限,此预防措施可避免损坏组件。在电子仿真中,LTspice 提供了一个非常有用且复杂的模型来仿真散热器的行为(参见图 1),并提供了一些基本的 *** 作参数。重要的是,器件的 SPICE 型号都配备了“Tc”终端,也可以选择配备“Tj”终端。SOAtherm-HeatSink 是在软件库中找到的模型的名称。

图 1:LTspice 主库中的 SOAtherm-HeatSink 模型
将模型放置在原理图上后,您需要指定以下信息:
散热器的材料可以是铜或铝,您可以通过相关下拉菜单进行选择。
Rθ 是散热器的热阻以及气流 (˚C/W)。
T环境是环境温度,以摄氏度表示。
电子元件和散热器之间的接触面积以平方毫米表示。
散热器的总体积以立方毫米表示。
以上所有参数都必须输入到散热器的属性中,可以通过在原理图组件上按鼠标右键来访问。它们必须输入到 SpiceModel、Value 和 Value2 字段中。
应用方案示例
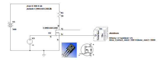
Figure 2 shows an example of an applicaTIon that allows the use of a SiC MOSFET with an electronic switch funcTIon. The model of the device used is the C3M0160120D, with the following characterisTIcs:
Vds: 1,200 V
Id: 17 A, 25˚C
RDS(on): 160 mΩ
Gate voltage in staTIc regime: from –4 V to 15 V
Maximum dissipation: 97 W
The circuit’s goal is to get the SiC MOSFET to work in a saturation mode with a very stable load, which necessitates the use of a heatsink. There is no PWM signal, and the system is in static mode. The MOSFET’s gate is fed with a constant direct voltage to close the main circuit and allow the maximum current to flow through the load R1.
The electronic components that make up the system are as follows:
V1:500-V 主电源发生器
R1:非常坚固的 50 Ω 负载
U2:C3M0160120D 碳化硅 MOSFET
V2:用于直接驱动 MOSFET 栅极的 15V 直流电压发生器

图 2:连接到散热器并作为 SOAtherm 模型插入应用接线图中的 SiC MOSFET 模型
通过仅检查电路的电子静态 *** 作,可以观察到以下结果:
电压:2.17V
我(R1):9.95 A
V ds:2.17 V
我(R1):9.95 A
P d (R1): 7.1 千瓦
Pd (MOSFET):21.6瓦
R DS(on):R = V / I = 218 mΩ
效率:99.56%
如您所见,效率非常高,但对于这些功率水平,更重要的是电流值,需要一个良好的散热器来保持设备在安全温度下运行。现在,让我们使用以下参数调整 SOAtherm-HeatSink 模型的大小:
散热片材质:铝
Rθ:2˚C/W
环境温度:25˚C
接触面积:300 mm 2
体积:3,000 mm 3(本例中的散热器尺寸为 50 × 30 × 2 mm)
模拟
现在您可以启动模拟,记住应该启用“使用初始条件”UIC 选项。然后,您可以使用鼠标查看与以下相关的信号:
电压:通过点击相应的电源线
电流:通过单击组件
电源:通过单击组件并同时按下键盘上的 Alt 键
要检查组件“外壳”的温度(以及 MOSFET 结的温度),只需单击连接节点“Tc”与散热器的线路,如接线图所示。
如图 3 所示,该软件显示温度趋势,即使刻度显示为电压。
必须考虑以摄氏度表示的值。

图 3:图表显示“外壳”和“结”温度值,必须解释为摄氏度。
让我们仔细看一下图表。曲线是在时域中计算的,温度在 x 轴上表示,但以伏特为单位。环境温度为 25˚C(之前在 SOAtherm 模型的参数中设置),大约两分钟(120 秒)后达到平衡点。散热器允许 MOSFET 安全工作,器件在热瞬态结束时的工作温度如下:
“结”温度:105˚C
“外壳”温度:78˚C
在这个模拟中,MOSFET 工作得很好,因为电压、电流、功率和结温的值远低于制造商设定的最大限制。通过步进模拟尝试使用电阻在 50 Ω 和 150 Ω 之间的不同负载:
. 步参数负载50 150 10
如图 4 中的图表所示,当达到平衡点时,“外壳”的以下温度得到:
负载 50Ω:77.8˚C
负载 60 Ω:57.0˚C
负载 70 Ω:47.0˚C
负载 80Ω:41.2˚C
负载 90 Ω:37.4˚C
负载 100 Ω:34.9˚C
负载 110 Ω:33.0˚C
负载 120 Ω:31.7˚C
负载 130 Ω:30.6˚C
负载 140 Ω:29.8˚C
负载 150 Ω:29.2˚C

图 4:负载变化时“外壳”的温度
结论
越来越多的 SPICE 模型包含用于模拟热行为的功能,这在当今的电力项目中至关重要。实现 MOSFET 的 PWM 驱动并尝试在尺寸和材料上改变散热器的尺寸,这可能是对前面示例的一种变体。显然,这样的模拟极其缓慢。在这种情况下,您可以尝试降低软件仿真容差。在热仿真方面,仿真器的性能至关重要。某些电压和电流值可能会导致处理速度显着减慢。因此,必须稍微调整其中一些参数。
审核编辑:刘清
欢迎分享,转载请注明来源:内存溢出
微信扫一扫
支付宝扫一扫
评论列表(0条)