
开关稳压器由于尺寸、输出灵活性和效率优势,成为很多电源转换电路的流行选择。视运行条件的不同而不同,这类电源的转换效率现在可以达到 98% 的水平。然而,尽管有这些优势,这类电源必须在其他参数上做出妥协,其中最难的一个就是噪声。
不过,什么是开关稳压器的“噪声”? 为了更好地理解这个术语,让我们从开关模式电源产生宽带谐波能量这一事实入手。这种人们不想要的能量以两种形式出现,即辐射和传导,在业界,它们通常被称为“噪声”。然而,这个名称确实不够准确,因为开关稳压器的输出“噪声”根本就不是噪声,而是直接与稳压器的开关切换有关的、自然而然剩余的高频分量。这种现象的正确叫法是电磁辐射,或者更常见的叫法是 EMI。而且,确实,EMI 有辐射和传导两种形式。
既然在很多电路应用中,要实现最佳性能,无噪声、良好稳压的电源非常重要,那么能够降低在这种转换过程必然存在的噪声也就非常重要了。降低噪声的一种显然方式是使用线性稳压器。然而,尽管线性稳压器提供噪声很低的电源轨,但是在高降压比时,其转换效率不佳,这在大输出电流应用中,可能导致设计出现热量问题。
相应地,开关稳压器通常比线性稳压器的转换效率高,因此当最终应用需要大输出电流时,开关稳压器的热量设计会更简单。人们能够很好地理解,在决定几乎所有电源成败时,组件选择和电路板布局发挥了非常重要的作用。这些方面决定了运行时的 EMI 和热量表现。对外行而言,开关电源布局也许看似魔法,但实际上,在设计初期,这常常是被忽视的一个基本方面。既然总是必须满足运行时的 EMI 要求,那么对电源运行稳定性有好处的事,通常对降低 EMI 辐射也是有好处的。此外,从一开始就确定一个良好的布局,不会给设计增加任何成本,而且实际上,由于无需 EMI 滤波器、机械屏蔽、EMI 测试时间和无数次修改电路板,因此还有可能节省了成本。
开关稳压器辐射在工业、医疗和汽车环境中,散热少、效率高对应用很重要,因此通常用开关稳压器替代换线性稳压器。此外,开关稳压器一般是输入电源总线上的第一个有源组件,因此对整个产品设计的EMI性能有很大的影响。
传导辐射依赖于连接到产品上的导线和走线。既然噪声局限于设计中的特定端子或连接器,那么如上面已经提到的那样,在开发过程中,常常可以通过良好的布局或滤波器设计,相对较早地确保满足传导辐射要求。
辐射 EMI 则完全是另一回事。电路板上携带电流的所有东西都辐射电磁场。电路板上的每一条走线都是天线,每一个铜平面都是谐振器。除了纯正弦波或 DC 电压,任何信号都产生遍布信号频谱的噪声。即使进行了仔细设计,在系统进行测试之前,电源设计师也从不会真正知道辐射 EMI 有多严重。而直到设计基本完成,才会正式进行辐射 EMI 测试。
滤波器常常用来降低 EMI,降低某个频率或某个频率范围内的干扰强度。通过增加金属屏蔽和磁屏蔽,可以衰减经由空间辐射的那部分能量。通过增加铁氧体珠和其他滤波器,可以降伏依赖 PCB 走线的那部分能量 (传导辐射)。EMI 不可能彻底消除,但是可以衰减到其他通信、信号处理和数字组件可接受的水平。此外,为了确保符合工业和汽车系统要求,几家监管机构执行了一些标准。
采用表面贴装技术的新式输入滤波器组件比通孔式组件性能高。然而,这种改进却抵不过今天高频开关稳压器日益提高的要求。在更高的工作频率上要求非常短的最短接通和断开时间,导致因开关转换更快而带来更高次谐波分量,因此增大了辐射噪声。不过,要获得更高的转换效率,就需要这样高的开关速度。开关电容器充电泵没有这种问题,因为这种充电泵以低得多的开关频率工作,而且最重要的是,可以容许较慢的开关切换而不会降低效率。
熟练的 PCB 设计师会设计很小的热环路,并使屏蔽接地层尽可能靠近激活层。然而,要在去耦组件中存储充足的能量,对器件引脚布局、封装结构、热设计和封装尺寸就会有一定的要求,这些要求决定了最小热环路尺寸。使问题更加复杂的是,在典型平面印刷电路板中,走线之间高于 30MHz 的磁性或变压器型耦合将减弱所有滤波效果,因为谐波频率越高,不希望的磁耦合就越有效。
解决 EMI 问题的另一种方案已尝试过真正解决 EMI 问题的方法是,针对整个电路采用屏蔽盒,即使这样,屏蔽也不能完全防止对盒内敏感电路的耦合。当然,这提高了成本、增大了所需电路板空间、使热量管理和测试更加困难并增加了额外的组装费用。另一种经常使用的方法是降低开关速度。这种方法会产生一些不希望的效应,即降低效率,延长最短接通 / 断开时间以及相关的停滞时间,因此降低了潜在的电流控制环路速度。
几年前,凌力尔特公司推出了 LT8614 Silent Switcher® 稳压器,该器件无需使用屏蔽盒,就可提供所希望的屏蔽盒效果,同时还消除了上述很多缺点。然而,在某些噪声应用中,由于相关的 EMI 辐射,电源设计师就是不喜欢使用基于电感器的稳压器。同时,由于相对低的转换效率和需要散热器,线性稳压器 (即 LDO) 也有可能被排除在外。结果,设计师们转向了另一种常见和称为充电泵的方法。
充电泵已经出现几十年了,它们提供 DC/DC 电压转换,用开关网络给两个或更多电容器充电和放电。基本充电泵开关网络在电容器的充电和放电状态之间切换。如图 1 所示,C1 是“浮动电容器”,运送电荷,C2 是“存储电容器”,保存电荷,并对输出电压滤波。增加“浮动电容器”和开关阵列会实现多种好处。

图 1:一个电压反相器的简化充电泵方框图
当开关 S1 和 S3 接通或断开时,开关 S2 和 S4 断开或接通,输入电源给 C1 充电。在下一个周期中,S1 和 S3 断开,S2 和 S4 接通,电荷传送到 C2,产生 VOUT = -(V+)。
不过,直到最近,充电泵一直提供有限的输入和输出电压范围,这限制了它们在工业和汽车应用中的使用,在这类应用中,高达 40V 或 60V 的输入是常见的。不过,随着凌力尔特公司推出高压充电泵,这种情况现在已经改变了。
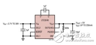
高压充电泵LTC3245 是一款降压-升压型稳压器,丢弃了传统上使用的电感器,而采用了一个开关电容器充电泵。其输入电压范围为 2.7V 至 38V,可在没有反馈分压器的情况下使用,以产生 3.3V 或 5V 这两个固定输出电压之一,或者通过反馈分压器设定为 2.5V 至 5.5V 范围内的任何输出电压。最大输出电流为 250mA。LTC3245 能够调节高于或低于输入电压的输出电压,从而能够满足汽车冷车发动需求。参见图 2 的完整原理图。

图 2:LTC3245 原理图,从 2.7V 至 38V 输入提供固定 5V 输出
这个充电泵用 12V 电源提供 5V/100mA 输出时,能实现 80% 的效率,这几乎是线性稳压器的两倍,从而有可能避免像带散热器的 LDO 那样高之空间和成本要求。该充电泵满负载时功耗几乎低 LDO 三倍。参见图 3 的 LTC3245 效率和功耗曲线。

图 3:12V 输入至 5V 输出时,LTC3245 效率 / 功耗曲线
EFFICIENCY:效率
5VOUT Efficiency vs Output Current:5VOUT 时,效率随输出电流的变化
LTC3245 还具备出色的辐射和传导 EMI 性能,如图 4a 和 4b 所示。这些测量结果是在一个符合 CISPR22 和 CISPR25 要求的微型容器中得出的。正如能够看到的那样,恰当地去耦合以后,在满足政府的辐射和传导 EMI 监管法规要求方面,LTC3245 不会产生任何问题。

图 4:LTC3245 的辐射 (a) 和传导 (b) EMI
AMPLITUDE:幅度
CISPR22 CLASS B LIMIT:CISPR22 CLASS B 限制
FREQUENCY:频率
DETECTOR = PEAK HOLD:检测器 = 峰值保持
SWEEP TIME:扫描时间
10 SWEEPS:10 次扫描
# OF POINTS:点数
CISPR25 CLASS 3 BROADBAND LIMIT:CISPR25 CLASS 3 宽带限制
LOAD = 240Ω WITH 33µF ELECTROLYTIC & CERAMIC INPUT CAP:
负载 = 240Ω 以及 33µF 电解质和陶瓷输入电容器
DETECTOR = PEAK:检测器 = 峰值
在很多工业、医疗和汽车应用中,运算放大器、驱动器和传感器等电子产品常常需要双极性电源。不过,罕有可用于负载点处的双极性电源。由于这种需求以及由于缺少简便易用的解决方案,凌力尔特公司开发了 LTC3260。
LTC3260 是一款负输出充电泵 DC/DC 转换器,具备两个低噪声 LDO 稳压器跟随器,可用单一 4.5V 至 32V 输入电源产生正和负电源,如图 5 的完整原理图所示。该器件可以在高效率突发模式 (Burst Mode®) 运行和低噪声恒定电流频率模式之间切换,从而允许设计师针对应用做出最佳权衡。
LTC3260 可用反相输入电压在充电泵输出 VOUT 端提供高达 100mA 电流。这个 VOUT 还作为负 LDO 稳压器 LDO- 的输入电压。充电泵频率可用单个电阻器在 50kHz 至 500kHz 范围内调节。LTC3260 的每个 LDO 都可支持高达 50mA 的负载。而且,每个 LDO 在 50mA 时都有 300mV 压差电压,输出电阻器分压器网络可用来设定输出电压。当两个稳压器都禁止时,停机静态电流仅为 2µA。

图 5:12V 输入电源至 ±5V 输出
结论众所周知,在设计之初,对于工业、医疗和汽车环境的 EMI 问题需要严加注意,以确保一旦系统完成,能够通过 EMI 测试。直到现在为止,尚没有一种必定成功的方法,能确保通过选择恰当的电源 IC 而在最后轻松地通过 EMI 测试,除了功率非常低的系统。
凌力尔特公司最近推出了低 EMI 稳压器和 DC/DC 转换器,包括一个广泛的线性稳压器系列以及 LT86xx Silent Switcher 降压型转换器。现在,我们日益扩大的高压充电泵系列提供了第三种选择。与线性稳压器相比,这类产品提供高得多的效率和低得多的功耗,而且不需要应对与开关稳压器有关的补偿、布局、磁场和 EMI 问题。
欢迎分享,转载请注明来源:内存溢出
微信扫一扫
支付宝扫一扫
评论列表(0条)