
为半桥配置的高端栅极供电起初似乎是一项棘手的任务,因为大部分系统都有较高的电平转换和驱动强度要求。本文论述让设计人员能够实现这一目标的可行解决方案。
简介半桥拓扑广泛用于电源转换器和电机驱动器中。这在很大程度上是因为半桥可通过总线电压,为脉宽调制(PWM)信号提供高效同步控制。然而,在控制器和功率器件之间通常需要使用栅极驱动器,以获得更短的开关时间并出于安全性和/或功能性目的提供隔离。对于总线电压高于功率开关的栅极到源极电压最大限值的系统,必须采用不同于系统总线的电压驱动栅极。

本文讨论多种栅极驱动供电选项和基本设计制约因素,以及设计时的权衡取舍,帮助设计人员选择适当的拓扑。这些选项包括采用隔离式栅极驱动变压器、利用隔离式DC-DC馈送栅极驱动器为光电二极管或数字隔离器供电、自举配置,以及内置DC-DC电压源的隔离式栅极驱动器。对于功率较高的系统而言,功率开关器件占了BOM成本的很大一部分,且N型器件的导通电阻一般比尺寸和成本都相同的P型器件更低1。此外,若在半桥配置的单个引脚上使用两个相同的开关,则围绕时序要求而展开的设计(比如非交叠和死区时间)便可得到简化。由于这些原因,半桥配置通常由两个N型器件组成,这两个器件可以是NPN BJT、NMOS器件或N型IGBT。为简便起见,本文中的半桥配置采用两个NMOS器件,每引脚使用一个器件;这一概念同样适用于IGBT。为了使用BJT器件,设计时必须考虑到恒定的基极电流。
基本栅极驱动要求考虑图1中的典型半桥配置。两个MOSFET以互斥方式运行,因为如果两个MOSFET同时导通,则将产生直通。若要使MOSFET导通,则需VGS > VT,其中VGS是栅极到源极电压,而VT是特定MOSFET的阈值电压。工作时,建议MOSFET具有足够的过驱能力,因此在大部分应用中,实际栅极电压为VGS >> VT。在部分开关周期中,低端开关Q2导通而高端开关Q1断开。这表示VG1S1 > VT。在很多系统中,VG1S1等于0 V就足以保持高端开关断开。理想情况下,VOUT摆动到靠近系统地的位置。
忽略死区时间要求,则开关周期的其他部分为Q1导通而Q2断开,这意味着VG2S2 > VT。在这段时间内,VOUT摆动至靠近总线电压的位置。注意,高端开关的源极连接至VOUT,表示栅极Q1在部分开关周期中,数值高于总线电压。
如果控制器IC直接连接至栅极Q1,则IC要求电压高于VBUS +VT,这在很多情况下都不现实。
栅极驱动器的一个主要作用是为功率开关提供快速开关时间,从而具备更快的上升和下降时间。这样可以降低功率级中与压摆率有关的损耗。过去,通过测量峰值电流来衡量驱动强度,或者更准确地说,是测量驱动器的RDSON。记住以下这点很重要:对于具备更高峰值电流(或更低RDSON)的栅极驱动器,其功率要求并不一定更高,因为开关栅极的功率通常由Q × V × FSW驱动,其中Q表示栅极电荷,V表示栅极电压摆幅,FSW表示系统的开关频率2。
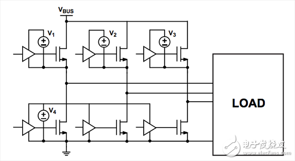
若要为高端开关的栅极驱动器供电,电源必须要能跟随VOUT电压,因为栅极以该电压为参考。适当去耦通常能解决隔离电源接地参考的快速变化而导致的任何电压尖峰问题。此外,每个不共享接地的栅极驱动器都可能需要自己的隔离电源。假设有一个典型的三相系统由三个半桥引脚组成,如图2所示。系统中有四个独立的接地参考,因为低端开关共享公共参考。取决于是否需要安全隔离或功能隔离,三相系统可以采用三个或四个专用电源。

任何项目需考虑的两个因素是解决方案的尺寸以及方案总成本。本文将通过不同的选项探讨权衡取舍。为栅极驱动器提供隔离电源的基本要求可以总结如下:
1) 提供足够的电压摆幅。
2) 部分开关周期的电压值高于总线电压。
3) 可跟随半桥中点电压的浮动接地。
4) 足够的驱动强度。
5) 紧凑的解决方案。
6) 合理的价格。
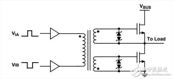
最早有一种提供隔离式栅极信号的解决方案使用栅极驱动变压器,比如图3中的系统。在该系统中,电能通过变压器传输,在副边形成所需的栅极电压。该系统的优势之一是其保证互补 *** 作相对较为容易实现,方法是使其中一路副边输出极性与另一路相反。采用这种方式,若要驱动高端栅极至导通状态并驱动低端栅极至断开状态,可将电流以一个方向馈送至变压器的原边,相反方向的驱动电流则驱动栅极至相反状态。
由于在栅极驱动中,栅极驱动变压器用作电源,因此在靠近所驱动的栅极处,该解决方案的尺寸较小。器件数也较低,因为无需使用专用隔离式电源。变压器实际成本介于中等和昂贵之间。

变压器无法传输直流信号,因此在最基本的拓扑中,栅极在零点处达到伏秒平衡,这表示随着占空比上升,峰值正电压将下降3。这会对工作占空比造成限制,同时增加死区时间调谐的难度。占空比的快速变化还会产生磁芯饱和平衡问题。采用直流恢复拓扑时,需注意关断时很容易产生直通,因此栅极驱动变压器不太适合要求快速关断的应用,比如检测到系统故障时。必须复位栅极驱动变压器的磁芯,否则磁芯可能饱和,从而增加开关时序的设计难度。由于以上这些原因,目前在较高稳定性的高性能系统中很少采用栅极驱动变压器。
欢迎分享,转载请注明来源:内存溢出
微信扫一扫
支付宝扫一扫
评论列表(0条)