
综 述
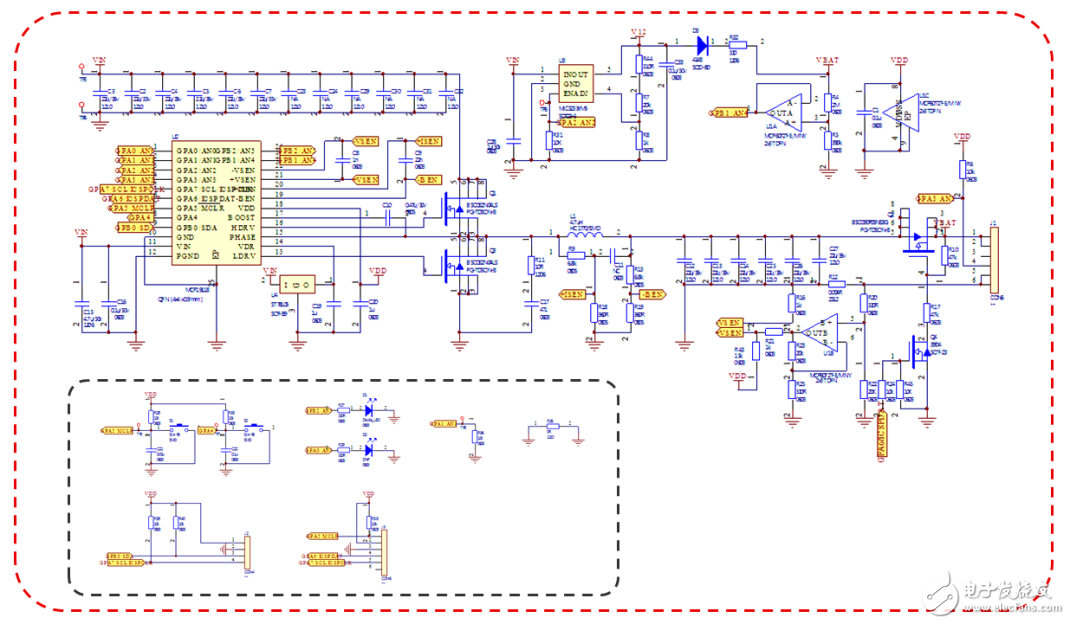
随着便携式产品的迅速发展,各种电池的用量大增,贝能国际有限公司推出便携式锂电池包充电管理快速充电参考设计。本参考设计采用Microchip公司的MCP19118作控制芯片,Infineon的第5代OpTIMOS作功率转换,对便携式锂电池包进行快速大电流充电管理,外围器件少,电转换效率高,纹波电流小,保护功能完善。
控制芯片MCP19118为具有同步驱动器的数字增强型功率模拟控制器,集成了模拟PWM控制器和8位MCU,既有模拟器件的快速动态响应,也可以灵活的实现充电曲线及各种功能。第5代OpTIMOS的Rdson更小,寄生电容更小,寄生二极管的Trr也更小,更适用于高频PWM的功率转换电路,对整体性能的提升有较大的帮助。
原理框图:


功能:
? 对多节串联锂电池进行大电流充电管理
? 待机时,可以提供输出电压,电池包可以判断是否合适的充电器
? 插上电池,不会产生冲击电流,充电器自动检测电池,并自动启动充电
? 可以实现多种保护功能,如输入电压欠压过压保护、输出过流保护、温度保护等
欢迎分享,转载请注明来源:内存溢出
微信扫一扫
支付宝扫一扫
评论列表(0条)