
本文将会根据DC/AC SCAN的概念展开描述,并将他们进行区别对比,让你更加全面的了解DC/AC SCAN测试技术。
SCAN技术,也就是ATPG技术-- 测试std-logic, 主要实现工具是:产生ATPG使用Mentor的 TestKompress和synopsys TetraMAX;插入scan chain主要使用synopsys 的DFT compiler 通常,我们所说的DCSCAN就是normal scan test 即慢速测试,测试频率是10M-30M ,AC SCAN 也就是at-speed scan 即实速测试,测试频率与芯片真实工作频率是一样的。
70年代到1995年这段时间里,由于芯片的工作频率很低只有20-100M,scan测试只有DC SCAN,我们就能捕捉到所有std-logic的制造缺陷。但是1995年以后,测试科学家和工程师发现通过DC SCAN测试没有缺陷的芯片在高工作频率下使用会有问题。其根本原因是随着制造工艺向深亚微米迈进,芯片的工作频率也提高到200M-1G,原来的SCAN测试方法和模型不再能捕捉到所有的std-logic的制造缺陷。大家的一致想法就是-“奔跑吧,SCAN” ,把SCAN的频率增加到与芯片的真实工作频率一致,同时使用新的TransiTIon atpg model来产生测试pattern.
下面我们介绍DC SCAN与AC SCAN的异同

现在的工业量产的高速芯片都会要求能做DC SCAN测试和AC SCAN测试,所以DFT工程师也要同时插入两种测试电路,产生两套测试patterns。
具体实现流程如下
1 读入没有插入scan的网表
2 使用Design compiler 插入scan chain和OCC (on chipclocking)模块,同时插入mux, fix DRC
3 使用Testcompress 实现EDT压缩scan chain
4 使用Testcompress 产生测试DC/ACpattern,同时产生测试验证的Testbench
5 验证DC/AC patterns的正确性和电路的正确性
6 使用SDF,验证DC/ACpatterns相关电路的时序是否满足要求
7 使用DC/AC patterns (wgl文件)转换成ATE所需格式,在ATE上调试和使用
ATPG工具使用的TransiTIon faultmodel如下图

常用的OCC电路结构如下

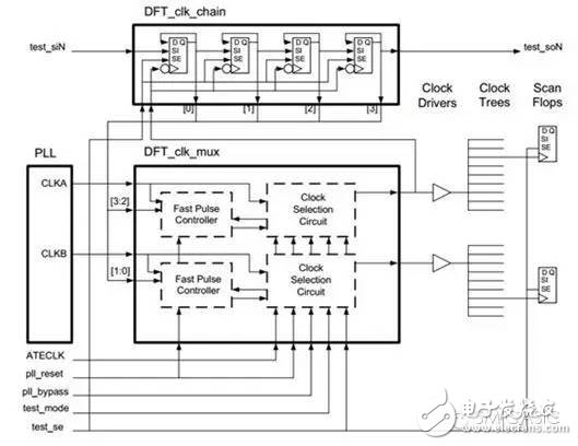
我们典型的插入OCC以后的电路如下图

欢迎分享,转载请注明来源:内存溢出
微信扫一扫
支付宝扫一扫
评论列表(0条)