
TL431是一个有良好的热稳定性能的三端可调分流基准电压源。它的输出电压用两个电阻就可以任意地设置到从Vref(2.5V)到36V范围内的任何值。该器件的典型动态阻抗为0.2Ω,在很多应用中可以用它代替齐纳二极管,例如,数字电压表,运放电路、可调压电源,开关电源等等。
特点:•可编程输出电压为36V •电压参考误差:±0.4% ,典型值@25℃(TL431B)
•低动态输出阻抗,典型0.22Ω
•负载电流能力1.0mA to 100mA
•等效全范围温度系数50 ppm/℃典型
• 温度补偿 *** 作全额定工作温度范围
•低输出噪声电压
TL431的检测方法
TIA31在开关电源中使用较多。如电脑的ATX电源有使用PIA31的;DVD电源有使用A2431的;很多电源适配器上,都使用了TEA31、TIA31A、TIA31C等。这个外形与9013等塑封三极管一模一样的集成电路,通常安装在开关电源光电耦合器的二极管端。
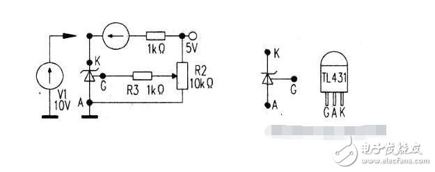
一、如何识别TL431的A、G、K极
TIA3l的符号如下右图所示。它分别有A、G、K三个极f有些原理图上标志A、K、R)。A和K分别是稳压二极管的正端和负端、G极是取样端。 1、确定A、K极的方法。根据原理图,用万用表测量二极管的方法就能判断出A和K极。测量时,量程放Rxlk挡,当黑笔接A极,红笔接K极‘时,着电阻呈导通状态(普通硅二极管的电阻),互换表笔,若电阻无穷大,即可判导通状态下,黑笔所接的脚为A极,另一脚为K极。
2、确定G极的方法。将万用表的量程置RxlOk挡,黑笔接K极,红笔接A极,此时,电表应无指示。一手触黑笔,另一手触G极时,指针应有大幅度的摆动。符合这种状况时,手触的脚为G极。
二、正常状态下TL431各极之间的正反向电阻
1、稳压二极管正反向电阻的测量。
万用表量程置Rxlk挡,黑笔接A极,红笔接K极。此时测量的是稳压{二极管的正向电阻。测量反向电阻肘,量程应置Rxlk挡。用MF47型表测得的数据为:正向电阻6xlkΩ;反向电阻∞。
2、G极与A、K极正反向电阻的测量。
万用表量程置Rxlk挡,黑笔接G极,红笔接A极,电阻应为35xlkΩ,;互换表笔,其电阻应为lOxlkn。黑笔接G极,红笔接K极,电阻应为11×lkΩ;互换表笔,电阻∞。
3、K极与A、G极正反向电阻的测量。万用表量程置Rxlk挡,黑笔接K极,红笔接G极,电阻为∞;互换表笔,电阻应为11×lkΩ。黑笔接K极,红笔接A极,电阻为∞:互换表笔,电阻为8xlkΩ。
三、加电测试TL431
下左图是TIA31测试的电路。电源是0~20V维修电源。在K极与电源之间接一·个电流表,是为清楚地观察随G极电压变化引起K极电流变化的情况。在K、A之间接一个电压表,就能清楚地观察到TIA31的输出端随电源改变的变化情况。试验前,先将电位器调整到中间值附近。用胜利89B数字表测量K极对地电压,调整维修电源的电压输出,发现K极对地的电压只有两个状态,一是2V左右(为低电平);二是等于电源电压(为高电平)。
正常与否的判断。对于在线的TLA31电源误差比较器,可利用外接维修电源进行检测。将维修电源接到TLA31的取样点上,当将电压调到比标称电压高时.TLA31就导通.K极电压就为低电平。亦即当电源电压升高时,TLA31导通,让光电耦合器的二极管导通,使三极管处于饱和状态,最终控制初级的电源开关管导通的时间减短(降低占空比),使输出电压降低。若将维修电压降低.TIA31就截止.K极电压就为高电平,光电耦合器的二极管截止,使三极管处于截止状态,最终控制变压器初级的电源开关管导通的时间增长(加大占空比).使输出电压升高。开关稳压电源的闭环稳压电路,就是利用TLA31导通或截止两个状态调整开关管的占空比,来控制输出电压稳定的。万用表测量时,若lC各极间的电阻正常,可判TLA31正常:利用维修电源加电测试时.在改变电源电压的情况下,若TLA31K极对地有高、低两个电平的变化,可判TLA31正常。

欢迎分享,转载请注明来源:内存溢出
微信扫一扫
支付宝扫一扫
评论列表(0条)