
开关电源是利用现代电力电子技术,控制开关管开通和关断的时间比率,维持稳定输出电压的一种电源,开关电源一般由脉冲宽度调制(PWM)控制IC和MOSFET构成。随着电力电子技术的发展和创新,使得开关电源技术也在不断地创新。目前,开关电源以小型、轻量和高效率的特点被广泛应用几乎所有的电子设备,是当今电子信息产业飞速发展不可缺少的一种电源方式。
一、开关电路的组成开关电源大致由主电路、开关电源控制电路、检测电路、辅助电源四大部份组成。
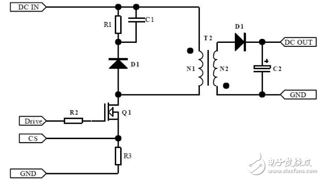
1、主电路
冲击电流限幅:限制接通电源瞬间输入侧的冲击电流。
输入滤波器:其作用是过滤电网存在的杂波及阻碍本机产生的杂波反馈回电网。
整流与滤波:将电网交流电源直接整流为较平滑的直流电。
逆变:将整流后的直流电变为高频交流电,这是高频开关电源的核心部分。
输出整流与滤波:根据负载需要,提供稳定可靠的直流电源。
2、控制电路一方面从输出端取样,与设定值进行比较,然后去控制逆变器,改变其脉宽或脉频,使输出稳定,另一方面,根据测试电路提供的数据,经保护电路鉴别,提供控制电路对电源进行各种保护措施。
3、检测电路提供保护电路中正在运行中各种参数和各种仪表数据。
4、辅助电源实现电源的软件(远程)启动,为保护电路和控制电路(PWM等芯片)工作供电。
二、开关电路输出波形的分析1.单管反激电路基本结构

2. 两种模式DCM 和CCM
(1) CCM 和DCM 模式判断依据
CCM 和DCM 的判断,不是按照初级电流是否连续来判断的。而是根据初、次级的电流合成来判断的。只要初、次级电流不同是为零,就是CCM 模式。而如果存在初、次级电流同时为零的状态,就是DCM模式。介于二者之间的就是BCM 模式。
(2) 两种模式在波形上的区别
●变压器初级电流,CCM 模式是梯形波,而DCM 模式是三角波。
●次级整流管电流波形,CCM 模式是梯形波,DCM 模式是三角波。
●MOS 的Vds 波形,CCM 模式,在下一个周期开通前,Vds 一直维持在Vin Vf 的平台上。而DCM 模式,在下一个周期开通前,Vds会从Vin Vf 这个平台降下来发生阻尼振荡。(Vf 次级反射到原边电压) 。因此我们就可以很容易从波形上看出来反激电源是工作在CCM还是DCM状态

DCM

CCM
3. MOSFET在开通和关断瞬间寄生参数对波形的影响

在MOS关断的时候,Vds的波形显示,MOS上的电压远超过Vin Vf!这是因为,变压器的初级有漏感。漏感的能量是不会通过磁芯耦合到次级的。那么MOS关断过程中,漏感电流也是不能突变的。漏感的电流变化也会产生感应电动势,这个感应电动势因为无法被次级耦合而箝位,电压会冲的很高。那么为了避免MOS被电压击穿而损坏,所以我们在初级侧加了一个RCD吸收缓冲电路,把漏感能量先储存在电容里,然后通过R消耗掉。
当次级电感电流降到了零。这意味着磁芯中的能量已经完全释放了。那么因为二管电流降到了零,二极管也就自动截止了,次级相当于开路状态,输出电压不再反射回初级了。由于此时MOS的Vds电压高于输入电压,所以在电压差的作用下,MOS的结电容和初级电感发生谐振。谐振电流给MOS的结电容放电。Vds电压开始下降,经过1/4之一个谐振周期后又开始上升。由于RCD箝位电路以及其它寄生电阻的存在,这个振荡是个阻尼振荡,幅度越来越小。
f1比f2大很多(从波形上可以看出),这是由于漏感一般相对较小;同时由于f1所在回路阻抗比较小,谐振电流较大,所以能够很快消耗在等效电阻上,这也就是为什么f1所在回路很快就谐振结束的原因!(具体谐振时间可以通过等效模型求解二次微分方程估算)

(2) CCM(Vds,Ip)

(3)其他一些波形分析(次级输出电压Vs,Is, Vds)

CCM (ch3为变压器副边Vs波形)

DCM (ch3为变压器副边Vs波形)
不管是在CCM模式还是DCM模式,在mosfet开通on时刻,变压器副边都有震荡。主要原因是初次级之间的漏感 输出肖特基(或快恢复)结电容 输出电容谐振引起,在CCM模式下与肖特基的反向恢复电流也一些关系。故一般在输出肖特基上并联一个RC来吸收,使肖特基应力减小。

CCM (ch3为变压器副边Is波形)

DCM (ch3为变压器副边Is波形)
不管是在CCM模式还是DCM模式,在mosfet关断off时刻,变压器副边电流Is波形都有一些震荡。主要原因是次级电感 肖特基接电容 输出电容之间的谐振造成的
(4)RCD吸收电路对Vds的影响

Ch3=Vds(加吸收前)

Ch3=Vds(加吸收后)
在MOS关断的时候,Vds的波形显示,MOS上的电压远超过Vin Vf!这是因为,变压器的初级有漏感。漏感的能量是不会通过磁芯耦合到次级的。那么MOS关断过程中,漏感电流也是不能突变的。漏感的电流变化也会产生感应电动势,这个感应电动势因为无法被次级耦合而箝位,电压会冲的很高。那么为了避免MOS被电压击穿而损坏,所以我们在初级侧加了一个RCD吸收缓冲电路,把漏感能量先储存在电容里,然后通过R消耗掉
(5)Vgs波形

为使mosfet在开通时间的上升沿比较陡,进而提高效率。在布线时驱动信号尽量通过双线接到mosfet的G、S端,同时连接尽量短些。
4.设计时需注意点
(1)尽量使反激电路最大工作占空比小于50%,若要使占空比工作在大于50%,为避免次谐波震荡,需加上斜率补偿,此外还需注意变压器能否磁复位。由于mosfet导通和关断需要一定的时间,同一批次的变压器单体之间也有差异,建议反激最大工作占空比小于45%。
(2)反激的功率地和控制地的连接须注意单点接地,特别是在哪个地方进行单点接地需慎重。为有效地吸收地噪声(mosfet的开通和关断),输入电容的一个脚尽量靠近共地点。
(3)由于电压外环的PID输出与电流内环进行比较来决定占空比,事实上 PID的输出不是一条绝对直线,它是在直流的基础上叠加了一个低频分量,为保证输出稳定,在设计时需使内环带宽比外环带宽大于10倍以上。

Ch2=电压外环PID输出
上述波形一般在开始调环路或者在输入VIN比较高时经常会出现,主要原因是外环的带宽太快了,为使系统稳定,需减小带宽,一般可通过减小比例P或者增大积分C来解决。
欢迎分享,转载请注明来源:内存溢出
微信扫一扫
支付宝扫一扫
评论列表(0条)