
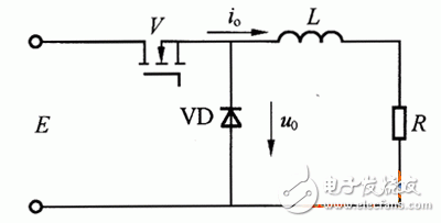
直流斩波电路实验的内容包括两种最基本的斩波电路:降压斩波电路和升压斩波电路。图1所示的是降压斩波电路的原理图。
降压斩波电路的基本原理是:在开关V导通期间,电源F向负载供电,负载电压uo=E,负载电流按指数曲线上升;在V关断期间,负载电流经二极管VD续流,负载电压1/0近似为0,负载电流呈指数曲线下降。为了使负载电流连续且脉动小,通常使串接的电感L值较大,负载电压的平均值为:


图1 降压斩波电路原理图
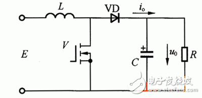
图2所示为升压斩波电路的原理图。分析升压斩波电路的工作原理时,首先假设电路中电感L值很大,电容C值也很大,在V处于通态期间,电源E向电感L充电。充电电流基本恒定为I1,同时电容C上的电压向负载R供电,因C值很大,基本保持输出电压uo为恒值,记为Uo.

图2 升压斩波器原理图
设V处于通态的时间为ton,此时电感L上积蓄的能量为EI1ton.当V处于断态时E和L共同向电容C充电并向负载R提供能量。设V处于断态的时间为 toff,贝刂在此期间电感L释享308 PIC单片机应用开发典型模块放的能量为(UO-E)I1toff°当电路工作于稳态时,一个周期T中电感L积蓄的能量与释放的能量相等,即:

升压斩波电路的输出电压高于电源电压。
控制电路需要实现的功能是产生PWM信号,利用PIC16F877的PWM模块产生该信号,用于控制斩波电路中主功率器件的通断,通过对占空比α的调节,达到控制输出电压大小的目的。此外,控制电路还完成一定的保护功能。
欢迎分享,转载请注明来源:内存溢出
微信扫一扫
支付宝扫一扫
评论列表(0条)