
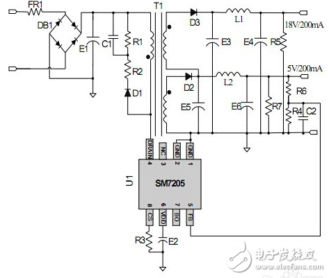
小家电电源芯片SM7205是一款高效率超低待机功耗内置高压730V 功率MOS 的恒压原边控制开关。它采用变频控制方式来调节输出电压。该芯片内部包括一个振荡器、反馈电路、频率调制、电流限流电路、前沿消隐功能以及用于恒压控制的逻辑控制电路。
SM7205 芯片引脚图


输入电压:85Vac~264Vac
输出规格:(5V0.2A;18V0.2A)
恒压精度:5V:±1.77%;18V:±2.5%
方案优势:
非隔离反激拓扑,元器件少,低成本;
输出恒压精度高,系统效率高;
系统BOM


测试数据(输入电压220Vac条件下)
纹波测试:5V/48mV;18V44mV
空载功耗:104mW
转换效率:78.2%
启动时间:53mS
相关资料下载推荐>>>>>>>>SM7205(5V/0.1A;18V/0.3A)电磁炉方案简介
相关资料下载推荐>>>>>>>>SM7205(5V/0.1A;18V/0.2A)电磁炉方案简介_V1.0
相关资料下载推荐>>>>>>>>SM7205 5V1A小功率适配器电源方案
欢迎分享,转载请注明来源:内存溢出
微信扫一扫
支付宝扫一扫
评论列表(0条)