
调整管是稳压电源中的输出功率管。它在稳压电源电路中相当于可调电阻,随输入电压的波动,由取样管取样后随时调整该管的导通程度,以达到输出电压稳定的目的。整流管的导通程度不同。
调整管CE间的电压也不同。输入电压高时调整管CE间的电压高。输入电压低时调整管CE间的电压就低。比稳压输出高的电压全部加在调整管上了。调整管的功率损耗大,所以调整管都有散热器。下图为一只三脚调整管。
调整管应用电路原理分析 1、本调整管稳压电路

所谓串联型稳压电路,就是在输入直流电压和负载之间串入一个三极管,其作用就是当q或RL发生变化引起输出电压Uo变化时,通过某种反馈形式使三极管的UcP也随之变化,从而调整输出电压玩,以保持输出电压基本稳定。由于串入的三极管是起调整作用的,故称为调整管。
图(a)所示是基本的调整管稳压电路.图中三极管Ⅵ’为调整管。为了分析其稳压原理,我们将图(a)所示的电路改画成图(b)所示的形式,这时我们可清楚地看到,它实质上是在图所示电路的基础上再加上射极跟随器而组成的。根据电路的特点可知,乩和Uz是跟随关系,因此只要稳压管的电压Uz保持稳定,则当矾和IL在一定的范围内变化时,乩也能基本稳定。加了跟髓器后的突出特点是带负载的能力加强了。
2、采用功率MOSFET调整管组成超低压差线性稳压电路便携式电子产品希望电池寿命长(或两次充电之间的时间间隔长),本文介绍的超低压线性稳压器可满足这种要求,并且有较好的输出精度。
线性稳压器电路笔者采用Si9933功率MOSFET作调整管设计了~个由电池供电(输入电压6V),输出5V电压,输出电流500mA的线性稳压器电路,如下图所示。它与一般的线性稳压器电路基本相同,为了提高基准电压的精度,这里采用TL431精密可调基准电压源来代替一般的稳压二极管。这是因为一般的稳压二极管在3V以下的精度差,其动态电阻Rz=30Ω左右。另外,这里设了一个微调电位器RP,可使在空载时调整RP获得所需的初始电压(因为TL431的基准电压典型值是2.495V.最小值是2.470V,最大值是2.520V)。

其工作原理如下:如果输出电压VOUT有所增加,即输出电压↑,VT3基极电压↑,VT3的IC3↑,R3上的电压降↑,VT2的VBEt,VT2的ic2↑,R2上的压降↑,使R1上的压降↓,即P管的-VGS↓,P管的内阻↑.使VOUT输出电压↓。
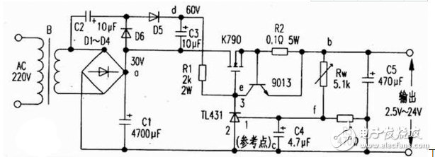
3、用IGBT做调整管的2.5—24V稳压电源电源基本用的是这个图,MOS管直接替换成IGBT,限流取样电阻略有变化0.3Ω左右。在2A左右保护(实测)。

如图所示,220v电压经变压器B降压、D1-D4整流、C1滤波。此外D5、D6、C2、C3组成倍压电路(使得Vdc=60V),Rw、R3组成分压电路,T1431、R1组成取样放大电路,9013、R2组成限流保护电路,场效应管K790作调整管(可直接并联使用)以及C5是输出滤波器电路等。稳压过程是:当输出电压降低时,f点电位降低,经T1431内部放大使e点电压增高,经K790调整后,b点电位升高;反之,当输出电压增高时,f点电位升高,e点电位降低,经K790调整后,b点电位降低。从而使输出电压稳定。当输出电流大于6A时,三极管9013处于截止,使输出电流被限制在6A以内,从而达到限流的目的。本电路除电阻R1选用2W、R2选用5W外,其它元件无特殊要求,其元件参数如图3所示。
另外k790完全可以用K72515A500V125W的管子代替。因为是电压型器件,不用考虑驱动问题。
4、用复合管做调整管的稳压电源电路图在稳压电源中,负载电流Ifz要流过调整管,输出大电流的电源必须使用大功率的调整管,这就要求有足够大的电流供给调整管的基极,而比较放大电路供不出所需要的大电流,另一方面,调整管需要有较高的电流放大倍数,才能有效地提高稳压性能,但是大功率管一般电流放大倍数都不高。解决这些矛盾的办法,是给原有的调整管再配上一个或几个“助手”,组成复合管。用复合管做调整管的稳压电源电路如图5一24所示。

用复合管做调整管时,BG2的反向电流Iceo2将被放大,尤其是采用大功率锗管时,反向截止电流Icbo比较大,并随温度增高按指数增加,很容易造成高温空载时稳压电源的失控,使输出电压Usc增大。误差信号ΔUsc经放大加到BG2的级基极来减少Ic人,可能迫使BG2截止。为了使调整管在不同温度下都工作在放大区,常在BG1的基极加电阻(R7)接到电源的正极(如图5一24)或负极。在温度或负载变化不大或全用硅管时,可不加这个电阻。
带有保护电路的稳压电源

在稳压电路中,要采取短路保护措施,才能保证安全可靠地工作。普通保险丝熔断较慢,用加保险丝的办法达不到保护作用,而必须加装保护电路。
保护电路的作用是保护碉整管在电路短路、电流增大时不被烧毁。其基本方法是,当输出电流超过某一致值时,使调整管处于反向偏置状态,从而截止,自动切断电路电流。
保护电路的形式很多。图5-25是二极管保护电路,由二极管D和检图5-25二极管保护电路测电阻R0组成。正常工作时,虽然二极管两端的电压上低下场,但二极管仍处于反向截止状态。负载电流增大到一定数值时,电阻RO上的压陷ROIe加大,使二极管导通。由于UD=Ube1+ROIe,而二极管的导通电压UD是一定的,则Ube1被迫减小,从而使Ie限制到一定值,达到保护调整管的目的。在使用时,二极管要选用UD值大的。

图5-26是三极管保护电路。由三极管BG2和分压电阻R4、R5组成。电路正常工作时,通过R4与R5的压作用,使得BG2的基极电位比发射极电位高,发射结承受反向电压。于是BG2处于截止状态(相当于开路),对稳压电路没有影响。当电路短路时,输出电压为零,BG2的发射极相当于接地,则BG2处于饱和导通状态(相当于短路),从而使调整管BG1基极和发射极近于短路,而处于截止状态,切断电路电流,从而达到保稳压电源的技术指标及对稳压电源的要求。
欢迎分享,转载请注明来源:内存溢出
微信扫一扫
支付宝扫一扫
评论列表(0条)