
根据降压斩波电路设计任务要求设计稳压电源、BUCK电路及控制电路。BUCK电路是用来产生降乐斩波电路的,控制电路产生的控制信号传到BUCK电路,使信号为加在开关控制端,可以使其开通或关断。通过控制开关的开通和关断来控制降米斩波电路的主心路1.作
Buck变换器基本原理:Buck电路即降压斩波电路,属直流斩波电路的一*种, 和升压斩波电路构成直流斩波电路最基本的两种电路。直流斩波电路的功能是将直流电变为另-固定 电压或可调电压的直流电, 也称为直接直流一直流变换器。降压斩波电路的典型用途之一是拖动 直流电动机,也可带蓄电池负载。
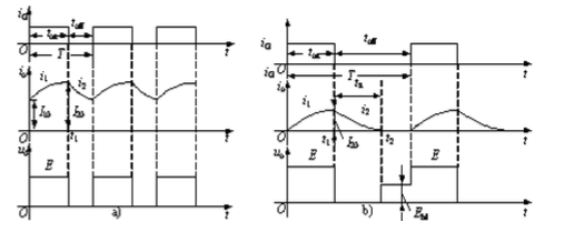
如下图所示,电路中使用个全控型开关器件Q,开关管Q由开关脉冲信号驱动,脉冲信号来自脉冲信号控制电路,脉冲信号的周期T保持不变,而脉冲宽度ton可改变,这样便可以调节导通的占空比,进而改变输出电庆。为了在开关管关断时给负载中的电感电流提供通道,设置了续流二极管D。当晶体管导通时,若忽略其饱和压降,输出电用UO等于输入电压:当晶休管截止时,若忽略晶体管的漏电流,输出电压为0。电路的主要1.作波形如图。

整流电路设计
本设计采用桥式电路整流:由四个二极管组成t一个全桥整流电路。对整出来的电压进行傅里叶变换得 由整流电路出来的电压含有较大的波纹,电压质量不太好,故需要进行滤波。本电路采用RC滤波器。因为电容滤波的直流输l电压UO与变术器副边电压U2的比值比较人,而且适用在小电流、整流管的冲击电流比较大的电路中。因此本电路选用的电容滤波。因为本电路要求有稳定得输出,因此还需要用到稳压_极管进行稳压。
驱动电路设计
如下图为有脉冲变压器组成的栅极驱动电路。其1.作原理为正向驱动信号使VI1导通,电源电压作用于脉冲变压器一次侧, 二二次电压经二极管VD2、 VD3和门集电阻后作用于ICBI,使ICBI导通。晶体管VT2犹豫基极反向偏置而截全。
当驱动信号为零的时候,VI1假i止,一-次励磁电流经 VD1和VS迅速衰减,使在脉冲间隙期间脉冲变压器的磁通回零。变压器二次侧的反向电压经R2加到_ .极管VD2. E。IGBI门极结电容上的电荷经Rg和VT2放掉,R2 为T2的偏流电阻。
此电路的优点:这种电路不用独立的驱动电路,驱动电路结构简单,脉冲变化时,驱动电压幅值不变,可用于各种容量的ICBI的驱动。
此电路的缺点:截止时没有门极的反向电压,抗干扰能力不强。这种电路适用于驱动占空比小于50%的高频场合。
各部分参数设定
主电路中需要确定参数的元器件有IGBT、二极管、直流电源、电感、电容、电阻值的确定,其参数确定过程如下。本设计过程中设定I.作频率为100kHz。
(1)电源
因为题目要求输入电压为36V左右,所以通过整流电路得到该输入电压值。(2)心阻
因为当输出电压为12V时,输出电流为3A,可得到负我电阻为RL=Uo/Io=4Q。(3) IGBI
当IGBT截止时,回路通过.极管续流, 此时IGBT两端承受最人正压为36V:而当=1时,ICBI有最人电流, 其值为3A。故需设置IGBT的集电极最大连续电流Ic>3A,反向击穿电压Bvceo>36V。
(4)二极管
当=1时,其承受最人反压36V:而当趋近于1时,其受最大电流趋近于3A,故需设置二极管额定电压大于36V,额定电流人于3A。
在设计过程中遇到的问题及排除措施:
(1)对直流斩波电路概念的不熟悉,感觉无从下手,经过对相关15籍的温习才明白原理。
(2)不清楚BUCK变换器的--些相关的参数怎么计算和选择(例如选用Lf和Cf),经过上:网查询相关知识和同学进行讨论分析,经过计算最终确定相关原件选用的参数。
(3)-:开始设计的时候没有涉及驱动控制电路,后来发现自己忽略掉了这-块。(4)通过查资料知道了各种驱动电路类型,最终根据课程设计要求以及实际情况,考虑到频率要求为1khz为高频电路,同时斩波电路的占空比较小,故选择用由分立元件组成的驱动电路。
欢迎分享,转载请注明来源:内存溢出
微信扫一扫
支付宝扫一扫
评论列表(0条)