
设计了一种智能循迹小车,介绍了系统总体,STC12C5A60S2 单片机为智能小车控制核心、电源模块、电机驱动电路、循迹传感器模块及相应软件设计方案。通过红外反射式传感器 TCRT5000 检测路面信息,单片机内部程序控制 L298N 全桥驱动芯片结合单片机输出的 PWM 信号控制小车左、右轮电机的运动速度,从而使小车能够沿着引导轨迹自动行驶,实现小车自动循迹的目的。试验结果表明,整个系统的电路结构简单, 可靠性高, 实现了预期的智能循迹小车功能。
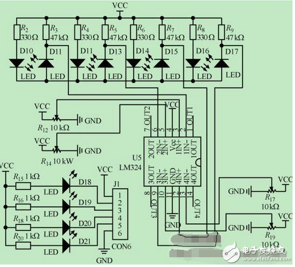
循迹传感器模块电路原理图:

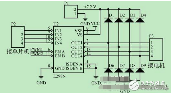
电机驱动模块原理图:

欢迎分享,转载请注明来源:内存溢出
微信扫一扫
支付宝扫一扫
评论列表(0条)