
1.输入极性保护
电源模块的输入“正”接电源阳极,“负”接电源阴极,在负电压电源(通讯-48VDC)接入时要保证高电压接“正”输入,低电压端接“负”,反接则会造成模块永久性损坏,因此可以外接二极管进行简单的极性保护。如图:
2.输入欠压保护
当电源模块同时与其他电路共享电源时,由于外界短路或过载引起的输入电压的大幅跌落会引起模块不稳定性输出而造成误 *** 作,这时可以采取欠压保护电路在输入低于某一设定电压值时关断电路,保证正常运作。如图:
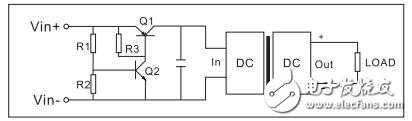
3.输入短路保护
大部分体积较小开环式电路的模块均无短路保护功能,对于部分电力,医疗,铁路通讯等安全性能要求较高的场合我们提供以下电路作为参考,提供短路时的安全保护。如图:
4.电源模块允许输入的电压和电流在一定的范围内,才不会降低性能。如:定压非稳压系列电压范围为标称值±10%,定压稳压系列为标称±5%,宽压为2:1或4:1的范围,尽管如此,我们的输入电源会常常因为开关动作,电弧,雷击感应串入瞬间高能量的浪涌或短路引起过流或由于电网总线不稳定引起过压,造成模块内部元件损坏甚至烧毁模块,这时我们就要采取一些保护电路防止恶性损坏的发生。如下图:

欢迎分享,转载请注明来源:内存溢出
微信扫一扫
支付宝扫一扫
评论列表(0条)