
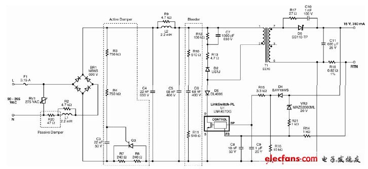
本文介绍使用LinkSwitch-PL系列器件LNK457DG设计的非隔离式LED驱动器(电源)。在12 V和18 V的LED灯串电压下可提供350 mA单路恒流输出。使用标准的AC市电可控硅调光器可将输出电流降低至1% (3 mA),这不会造成LED负载性能不稳或发生闪烁。该电路可同时兼容低成本的前沿调光器和更复杂的后沿调光器。
该电路用于在通用AC输入电压范围内(85 VAC至265 VAC,47 Hz至63 Hz)进行工作,但在0 VAC至300 VAC的输入电压范围内也不会造成损坏。这样可以提升现场应用可靠性,延长在线电压跌落和浪涌条件下的使用寿命。基于LinkSwitch-PL的设计可提供高功率因数(>0.9),有助于满足所有现行国际标准的要求,可使单个设计全球通用。
该电源所选用的外形可满足标准梨形(A19) LED替换灯的要求。输出采用非隔离式,要求外壳的机械设计能够将电源输出和LED负载与用户隔离。
一、电路原理图

图1 电路原理图
欢迎分享,转载请注明来源:内存溢出
微信扫一扫
支付宝扫一扫
评论列表(0条)