
BOOST升压电路中:
电感的作用:是将电能和磁场能相互转换的能量转换器件,当MOS开关管闭合后,电感将电能转换为磁场能储存起来,当MOS断开后电感将储存的磁场能转换为电场能,且这个能量在和输入电源电压叠加后通过二极管和电容的滤波后得到平滑的直流电压提供给负载,由于这个电压是输入电源电压和电感的磁砀能转换为电能的叠加后形成的,所以输出电压高于输入电压,既升压过程的完成;
肖特基二极管主要起隔离作用,即在MOS开关管闭合时,肖特基二极管的正极电压比负极电压低,此时二极管反偏截止,使此电感的储能过程不影响输出端电容对负载的正常供电;因在MOS管断开时,两种叠加后的能量通过二极向负载供电,此时二极管正向导通,要求其正向压降越小越好,尽量使更多的能量供给到负载端!!
电感升压原理:
如图1所示为简化的电感型DC-DC转换器电路,闭合开关会引起通过电感的电流增加。打开开关会促使电流通过二极管流向输出电容。因储存来自电感的电流,多个开关周期以后输出电容的电压升高,结果输出电压高于输入电压。
电感型升压转换器应用在哪些场合?
电感型升压转换器的一个主要应用领域是为白光LED供电,该白光LED能为电池供电系统的液晶显示(LCD)面板提供背光。在需要提升电压的通用直流-直流电压稳压器中也可使用。
决定电感型升压的DC-DC转换器输出电压的因素是什么?
在图2所示的实际电路中,带集成功率MOSFET的IC代替了机械开关,MOSFET的开、关由脉宽调制(PWM)电路控制。输出电压始终由PWM占空比决定,占空比为50%时,输出电压为输入电压的两倍。将电压提高一倍会使输入电流大小达到输出电流的两倍,对实际的有损耗电路,输入电流还要稍高。
电感值如何影响电感型升压转换器的性能?
因为电感值影响输入和输出纹波电压和电流,所以电感的选择是感性电压转换器设计的关键。等效串联电阻值低的电感,其功率转换效率最佳。要对电感饱和电流额定值进行选择,使其大于电路的稳态电感电流峰值。
电感型升压转换器IC电路输出二极管选择的原则是什么?
升压转换器要选快速肖特基整流二极管。与普通二极管相比,肖特基二极管正向压降小,使其功耗低并且效率高。肖特基二极管平均电流额定值应大于电路最大输出电压。
1
怎样选择电感型升压转换器IC电路的输入电容?
升压调节器的输入为三角形电压波形,因此要求输入电容必须减小输入纹波和噪声。纹波的幅度与输入电容值的大小成反比,也就是说,电容容量越大,纹波越小。如果转换器负载变化很小,并且输出电流小,使用小容量输入电容也很安全。如果转换器输入与源输出相差很小,也可选小体积电容。如果要求电路对输入电压源纹波干扰很小,就可能需要大容量电容,并(或)减小等效串联电阻(ESR)。
在电感型升压转换器IC电路中,选择输出电容时要考虑哪些因素?输出电容的选择决定于输出电压纹波。在大多数场合,要使用低ESR电容,如陶瓷和聚合物电解电容。如果使用高ESR电容,就需要仔细查看转换器频率补偿,并且在输出电路端可能需要加一额外电容。
2
进行电感型升压转换器IC电路布局时需要考虑哪些因素?
首先,输入电容应尽可能靠近IC,这样可以减小影响IC输入电压纹波的铜迹线电阻。其次,将输出电容置于IC附近。连接输出电容的铜迹线长会影响输出电压纹波。第三点是,尽量减小连接电感和输出二极管的迹线长度,减小功耗并提高效率。最后一点是,输出反馈电阻远离电感可以将噪声影响降至最小。
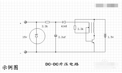
在很多的移动设备中经常需要将电池电压提升到设备电路需要的电压值,因此直流对直流的升压电路应用比较广泛,在很多数码产品中都存在应用,今天就分享一篇简单的直流对直流的升压电路供给大家参考

在直流对之流的升压电路中基本原理都是高频振荡器产生低频脉冲电压,在经过整流获得直流电压的过程,不论电压值是多少基本的原理是不变的

下图是一个比较简单的直流对直流升压电路,他的核心器件就是三极管和线圈构成的震荡电路


三极管和线圈组成的震荡电路产生的高频振荡电流在线圈的两段产生很大的电脉冲,在另外一组线圈上产生同样的高频脉冲信号,在经过二极管整流后成为单向的脉冲高压电流(高于电池电压)

这个高压电流在经过电容的时候由于电流的充放电,波动被大大滤除,在经过滤波限流电阻后电流基本较为平稳


经过初步整流滤波的电压还是远远高于要应用的电压,所以需要一个稳压管来稳定到合适的电压

经过整个升压过程的电压最终被送到输出端供给设备使用,这个升压后的电压波动较大,所以不适用于抗干扰较差的低频无线电设备

整个电路比较简单,如果输出的电压电流过高过大三极管需要增加散热,或者换成更加高效的升压电路

欢迎分享,转载请注明来源:内存溢出
微信扫一扫
支付宝扫一扫
评论列表(0条)