
德国elmos公司日前宣布推出 基于光电式的烟雾探测器方案E520.30,它具有硬件连线总线接口(“联网式烟雾探测器”)。该IC可用于实现可编程烟雾探测器平台,具有大电流驱动器,可驱动红外LED和与之匹配的光学信号测量放大器。
芯片具有高度集成的模拟电路以及可寻功能,只需很少的外部元件,极大地减少了烟雾探测系统的复杂性。该器件工作时候的电流消耗小于90μA(包括烟腔的LED)的平均电流。两线供电模式和通讯总线接口,可在8?50V的电压范围进行工作。
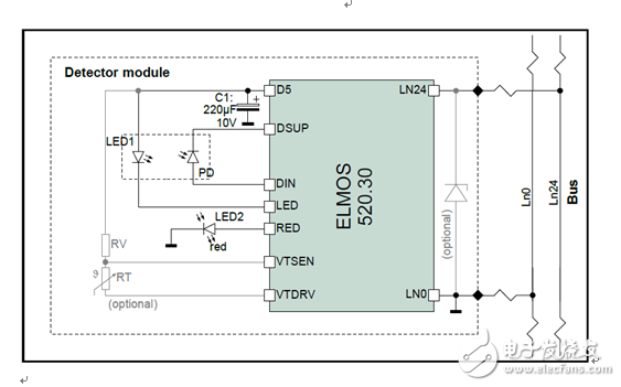
该方案用于光电式烟雾探测器,系统具有很高的灵活性:内部集成8位微控制器,并带有4 KB的Flash-ROM,128字节的RAM和28字节的EEPROM,通过总线模式用来控制烟雾传感器的整个测量过程和传输测量的数据,同时,也通过这两根总线对设备进行供电。在同一根总线上,最多可以连接多达255个烟雾探测器,并且他们具有独立的地址信息。用于驱动红外LED可调驱动器最高电流可达500mA,光电测量放大器的可调量程1.5至45nA,另外输入带通滤波器构成E520.30和光学烟腔之间的模拟接口。快速10位ADC和对应的信号处理允许烟腔在窄的光脉冲下工作(最小脉冲时间100µs),并提供良好的烟雾探测灵敏度。这种烟雾探测器IC还具有额外的状态和(或)报警指示灯驱动器、光学可编程接口和一个NTC温度传感器输入。
工作温度范围为-40°C至+85°C。可提供芯片SO14封装或裸片产品。
主要特点:
•专为网络可寻址的光感烟雾探测器量身打造
•2线制可编程总线 *** 作,8V.。.50V供电范围
•低静态电流(低至88μA)
•内置8位微控制器,带有4-KBFLASH(μ-码)和128字节的RAM
•用于设置数据的28+4字节E2PROM
•可设定500mA的LED驱动器
•可设定调制电流(240mA)
•光电流输入范围(1.5.。.45)nA
•输入带通滤波器: 0.45 。。 4.5 kHz
•10位ADC
•热敏电阻输入
•可编程总线接口
•4个数字通用IO口
•JTAG调试和编程接口
•最少外部元件数量
典型应用
•简化行业标准所需的可寻址烟雾探测器
•完全可编程的烟雾探测器,具有最少的外部元件

典型应用电路
关于艾尔默斯半导体
艾尔默斯半导体公司(elmos)成立于1984年,长期致力于研发、生产基于半导体技术的系统解决方案,拥有丰厚的技术资源与设计经验。技术领域涉及混合信号技术、电机控制技术、传感、光电技术领域,可为用户提供量身定制的产品设计服务。产品主要应用于汽车、工业控制、医疗设备、安防系统等领域。
欢迎分享,转载请注明来源:内存溢出
微信扫一扫
支付宝扫一扫
评论列表(0条)