
光敏电阻一般广泛应用于各种光控电路,监控灯板,玩具控制等,如对灯光的控制、调节等场合,也可用于光控开关,下面给出几个典型应用电路手把手教你光敏电阻怎么做开关的。
1、光敏电阻调光电路图中是一种典型的光控调光电路,其工作原理是:当周围光线变弱时引起光敏电阻RG的阻值增加,使加在电容C上的分压上升,进而使可控硅的导通角增大,达到增大照明灯两端电压的目的。反之,若周围的光线变亮,则RG的阻值下降,导致可控硅的导通角变小,照明灯两端电压也同时下降,使灯光变暗,从而实现对灯光照度的控制。

以光敏电阻为核心元件的带继电器控制输出的光控开关电路有许多形式,如自锁亮激发、暗激发及精密亮激发、暗激发等等,下面给出几种典型电路。图中是一种简单的暗激发继电器开关电路。其工作原理是:当照度下降到设置值时由于光敏电阻阻值上升激发VT1导通,VT2的激励电流使继电器工作,常开触点闭合,常闭触点断开,实现对外电路的控制。

图中是一种精密的暗激发时滞继电器开关电路。其工作原理是:当照度下降到设置值时由于光敏电阻阻值上升使运放IC的反相端电位升高,其输出激发VT导通,VT的激励电流使继电器工作,常开触点闭合,常闭触点断开,实现对外电路的控制。


在有入射光时,该电路中接有光敏电阻的晶体管接通高电平或零电平。晶体管放大系数取β》100就已足够,光敏电阻阻值在100Ω~100KΩ之间,分别对应于有光照射和暗时的情况。如果要想控制较大功率的负载,则应采用达林顿晶体管。
5、简易的光控开关电路图

如图所示是一种简易的光控开关。在一些公共场所,如楼道、路灯等装上自动光控开关,不仅方便而且也节电。它在天黑时会自动开灯,天亮时自动熄灭。调节4.7MΩ电位器,可适用于不同型号的光敏电阻及在一定的条件(黑暗程度)下亮灯。
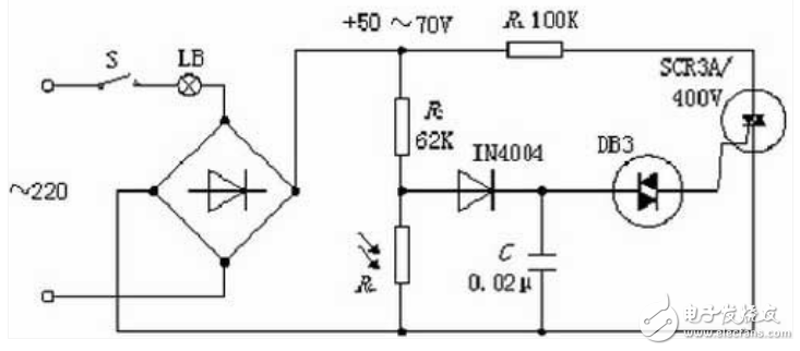
6、采用光敏电阻的光控开关

原理说明
1.光敏电阻大都是由硫化璃(cds)或化璃(cdse)等材料制成,其波长大约在4000-10000A之间,当光敏电阻受到光照射时,在其材料内部随着光罩设的增加,产生之电子电洞对亦增加,使光敏电阻直随之降低,反之若外界光线降低则光敏阻值增加。

2.如电路图所示,夸接于稳压二极管的光敏电阻,其值受照射光强弱而变化与稳压二极管并联故电压与稳压二极管相同,当光敏电阻值小时,其电压亦小,若小于崩溃电压时,稳压二极管无法崩溃,而无法提供触发电路之稳态电源电压,因此UJT无法振荡,所以SCR无法触法导通灯泡不亮。
3.若光敏电阻因被遮掩而内电阻增加,其分压抑随只增加当增加只电压,大于稳压二极管的崩溃电压时,稳压二极管即崩溃,提供稳态之电压,供触发电路使用,因而UJT弛张震荡电路得以正常工作SCR(可控硅)因触发而导通,灯泡亦因通电而发光。
欢迎分享,转载请注明来源:内存溢出
微信扫一扫
支付宝扫一扫
评论列表(0条)