
把单脉冲宽度射频控制信号转换成电压的电路

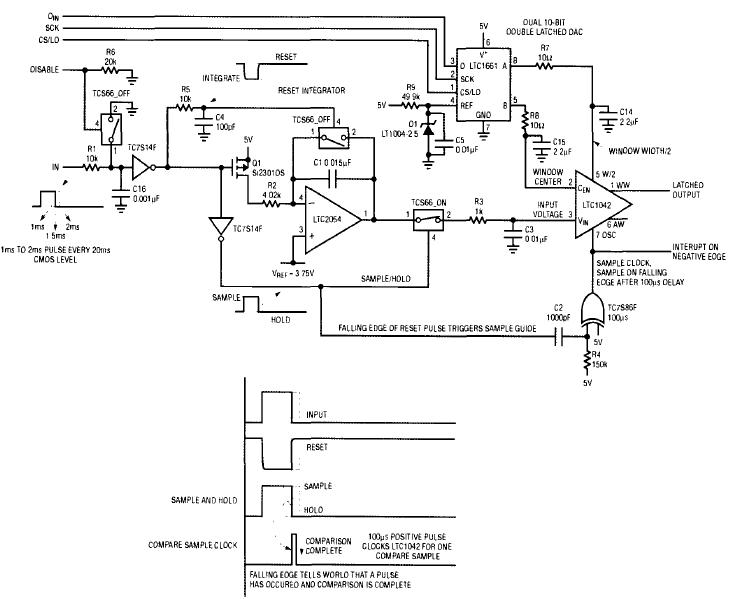
本文给出的这个电路的参数由微型计算机设置,然后电路负责把单脉冲宽度射频控制信号转换成电压,依据微型计算机设置的窗口中心和窗口宽度值进行窗口比较。比较得出的信
息用于对输入脉冲宽度信息解码,执行所选择的任务,调整窗口中心和宽度可以给解码过程增加灵活性。通过串行外围接口(SPI)控制信号设置串行输入双输出DAC的参数,以实现中心和宽度可调的模拟窗口检测器,从而达到这种灵活性。LTC1042窗口检测器的窗口中心和窗口宽度参数是电压控制的,是采用串行控制LT1661微功率双DAC的微型计算机控制方案过程中的自然选择。
欢迎分享,转载请注明来源:内存溢出
微信扫一扫
支付宝扫一扫
评论列表(0条)