
Friendly Elec公司的NanoPI NEO2是新一代超小型ARM计算机,比奥利奥饼干还要小,比卡片电脑还要快,采用全新64位四核A53处理器H5,内置六核Mail450 GPU,集成512M DDR3内存,可支持运行Ubuntu Core, Armbian等嵌入式 *** 作系统.NanoPI NEO2采用了千兆以太网接口,并带有1个标准USB接口,因此非常适合对体积要求高,数据传输量大,数据传输速度快,和更高计算性能的物联网应用;它也是创客们发挥创意的绝佳选择.本文介绍了Allwinner H5处理器特性,框图,以及NanoPI NEO2超小型ARM计算机主要特性,框图和电路图.
The Allwinner H5 is a highly cost-efficient quad-core OTT Box processor,which is a part of growing home entertainment products that offer high-performance processing with a high degree of funcTIonal integraTIon.
Allwinner H5处理器特性概述:
• CPU: Quad-core ARM CortexTM-A53 Processor, a power-efficient ARM v8 architecture, it has 64 and 32bit execuTIon states for scalable high performance ,which includes a NEON mulTImedia processing engine.
• Graphics: The hexa-core ARM Mali450 GPU including dual Geometry Processors(GP) and quad Pixel Processors(PP), provides users with superior experience in video playback and mainstream game; OpenGL ES2.0 and OpenVG1.1 standards are supported.
• Video Engine: H5 provides multi-format high-definition video encoder/decoder with dedicated hardware, including H.265 decoder by 4K@30fps , H.264 decoder by 4K@30fps, MPEG1/2/4 decoder by 1080p@60fps, VP8/AVS jizhun decoder by 1080p@60fps, VC1 decoder by 1080p@30fps, H.264 encoder by 1080p@60fps.
• Display Subsystem: Supports DE2.0 for excellent display experience, and two display interfaces for HDMI1.4 and CVBS display.
• Memory Controller: The processor supports many types of external memory devices, including DDR3/DDR3L, NAND Flash(MLC,SLC,TLC,EF),Nor Flash, SD/SDIO/MMC including eMMC up to rev5.1.
• Security System: The processor delivers hardware security features that enable trustzone security system, Digital Rights Management(DRM) ,information encryption/decryption, secure boot, secure JTAG and secure efuse.
• Interfaces: The processor has a broad range of hardware interfaces such as parallel CMOS sensor interface, 10/100/1000Mbps EMAC with FE PHY, USB OTG v2.0 operating at high speed(480Mbps) with PHY, USB Host with PHY and a variety of other popular interfaces(SPI,UART,CIR,TSC,TWI,SCR).
Allwinner H5处理器主要特性:
CPU Architecture
Quad-core ARM CortexTM-A53 MPCoreTM Processor
Thumb-2 Technology
Supports NEON Advanced SIMD(Single Instruction Multiple Data)instruction for acceleration of media and signal processing functions
Supports Large Physical Address Extensions(LPAE)
VFPv4 Floating Point Unit
Independent 32KB L1 Instruction cache and 32KB L1 Data cache
Shared 512KB L2-cache
GPU Architecture
Hexa-core ARM Mali450 GPU
Dual Geometry Processors with 32KB L2 cache
Quad Pixel Processors with 128KB L2 cache
Concurrent multi-core processing
3000Mpix/sec and 163Mtri/sec
Full scene over-sampled 4X anti-aliasing engine with no additional bandwidth usage
OpenGL ES 1.1/2.0 and OpenVG 1.1 support
Memory Subsystem
Boot ROM
On chip ROM
Supports secure and non-secure access boot
Supports system boot from the following devices:
- NAND Flash
- SD/TF card
- eMMC
- Nor Flash
Supports system code download through USB OTG
SDRAM
Compatible with JEDEC standard DDR3/DDR3L SDRAM
Supports clock frequency up to 667MHz(DDR3-1333)
32-bit bus width
Up to 3GB address space
Supports 2 chip selects
16 address signal lines and 3 bank signal lines
Supports Memory Dynamic Frequency Scale(MDFS)
Random read or write operation is supported
NAND Flash
Compliant with ONFI 2.3 and Toggle 1.0
Up to 2 flash chips
8-bit data bus width
Up to 64-bit ECC per 1024 bytes
Supports 1024, 2048, 4096, 8192, 16K bytes size per page
Supports SLC/MLC/TLC flash and EF-NAND memory
Supports SDR, ONFI DDR and Toggle DDR NAND
Embedded DMA to do data transfer
Supports data transfer together with normal DMA
SMHC
Up to 3 SD/MMC host controller(SMHC) interfaces
Complies with eMMC standard specification V5.1, SD physical layer specification V3.0, SDIO card specification V3.0
1-bit or 4-bit data bus transfer mode for SD/TF cards up to 50MHz in SDR mode
1-bit or 4-bit data bus transfer mode for connecting to an external Wi-Fi module up to 150MHz in SDR mode and 50MHz in DDR mode
1-bit ,4-bit or 8-bit data bus transfer mode for MMC cards up to 150MHz in SDR mode or 100MHz in DDR mode
Supports block size of 1 to 65535 bytes
Embedded special DMA to do data transfer
Supports hardware CRC generation and error detection
System Peripherals
Timer
2 on-chip Timers with interrupt-based operation
1 watchdog to generate reset signal or interrupt
Two 33-bit Audio/Video Sync(AVS) Counter to synchronize video and audio in the player
High Speed Timer
1 High Speed Timer with 56-bit counter
56-bit counter that can be separated to 24-bit high register and 32-bit low register
Clock source is synchronized with AHB clock, much more accurate than other timers
RTC
Time,calendar
Counters second,minutes,hours,day,week,month and year with leap year generator
Alarm:general alarm and weekly alarm
One 32KHzfanout
GIC
Supports 16 Software Generated Interrupts(SGIs), 16 Private Peripheral Interrupts(PPIs) and 125 Shared Peripheral Interrupts(SPIs)
DMA
Up to 12-channel DMA
Interrupt generated for each DMA channel
Transfers data width of 8/16/32/64-bit
Supports linear and IO address modes
Programs the DMA burst size
Supports data transfer types with memory-to-memory, memory-to-peripheral, peripheral-to-memory
CCU
9 PLLs
Supports an external 24MHz crystal oscillator and an on-chip 16MHz RC oscillator
Supports clock configuration and clock generated for corresponding modules
Supports software-controlled clock gating and software-controlled reset for corresponding modules
PWM
Supports outputting two kinds of waveform: continuous waveform and pulse waveform
0% to 100% adjustable duty cycle
Up to 24MHz output frequency
Thermal Sensor
Temperature Accuracy : ±3℃ from 0℃ to +100℃, ±5℃ from -20℃ to +125℃
Supports over-temperature protection interrupt and over-temperature alarm interrupt
Averaging filter for thermal sensor reading
2 temperature-sensing cell embedded :sensor0 for CPU,sensor1 for GPU
KEYADC
Analog to digital converter with 6-bit resolution for key application
Maximum sampling frequency up to 250 Hz
Supports general key, hold key and already hold key
Supports single , normal and continuous work mode
Message Box
Two users for Message Box instance
Eight Message Queues for the MSGBox instance
Each of Queues could be configured as transmitter or receiver for user
Two interrupts for the MSGBox instance
Register polling for the MSGBox instance
32-bit message width
Four-message FIFO depth for each message queue
Spinlock
32 spinlocks
Two kinds of status of lock register: TAKEN and NOT TAKEN
Crypto Engine(CE)
Supports symmetrical algorithm: AES, DES, TDES
Supports hash algorithm:SHA-1/SHA-224/SHA-256,MD5,HMAC
Supports 160-bit hardware PRNG with 175-bit seed
Supports 256-bit TRNG
Supports ECB,CBC, CTR, CTS modes for AES
Supports ECB, CBC, CTR modes for DES
Supports ECB, CBC, CTR modes for TDES
128-bit, 192-bit and 256-bit key size for AES
Embedded special DMA to do data transfer
Security ID(SID)
Supports 2K-bit EFUSE for chip ID and security application
CPU Configuration
Configure related CPU parameters, including power on, reset, cache, debug, and check the status of CPU
One 64-bit common counter
Display Subsystem
DE2.0
Output size up to 4096x4096
Supports four alpha blending channel for main display, two channel for aux display
Supports four overlay layers in each channel, and has a independent scaler
Supports potter-duff compatible blending operation
Supports input format YUV422/YUV420/YUV411/ARGB8888/XRGB8888/RGB888/ARGB4444/ARGB1555 and RGB565
Supports Frame Packing/Top-and-Bottom/Side-by-Side Full/Side-by-Side Half 3D format data
Supports SmartColor 2.0 for excellent display experience
- Adaptive edge sharping
- Adaptive color enhancement
- Adaptive contrast enhancement and fresh tone rectify
Supports writeback for high efficient dual display
Display Output
Supports HDMI V1.4 output up to 4K@30fps
- Compatible with HDMI 1.4 specification
- Compatible with HDCP 1.2 for HDMI
- Supports EDID block read by DDC
- Supports HPD
- Integrated CEC hardware
- Supports TMDS clock from 27MHz to 297MHz
- Supports RGB888,YUV444 video formats with only 8bit color depth
4K@30Hz
1920 x 1080p@50/60Hz
1920 x 1080p@24Hz
1920 x 1080i@50/60Hz
1280 x 720p@50/60Hz
720 x 480p@60Hz
720 x 576p@50Hz
3D Frame Packing 1920 x 1080p@24Hz
- Supports L-PCM audio format
Up to 192KHz IEC-60958 audio sampling rate
Maximum 24bit, 8 channel
- Supports IEC-61937 compressed audio format
Supports TV CVBS output
- Standard NTSC-M and PAL-B,D,G,H,I output
- Plug status auto detecting
Video Engine
Video Decoder
Supports multi-format video playback, including:
- H.265 MP/L5.0: 4K@30fps
- H.264 BP/MP/HP Level4.2: 4K@30fps
- H.263 BP: 1080p@60fps
- MPEG1 MP/HL: 1080p@60fps
- MPEG2 MP/HL: 1080p@60fps
- MPEG4 SP/ASP L5: 1080p@60fps
- Sorenson Spark: 1080p@60fps
- VP8 N/A: 1080p@60fps
- VC1 SP/MP/AP: 1080p@30fps
- AVS/AVS+ jizhun: 1080p@60fps
- xvid N/A: 1080p@60fps
- MJPEG: 1080p@30fps
Supports 1080p blu-ray 3D
Supports 3D size:3840x1080,1920x2160
Supports decoding output format:YV12
Video Encoder
Supports H.264 video encoder up to 1080p@60fps
Supports input picture size up to 4800x4800
Supports input format: tiled (128x32)/YU12/YV12/NU12/NV12/ARGB/YUYV
Supports Alpha blending
Supports thumb generation
Supports 4x2 scaling ratio: from 1/16 to 64 arbitrary non-integer ratio
Supports rotated input
Image Subsystem
CSI
Supports 8-bit YUV422 CMOS sensor interface
Supports CCIR656 protocol for NTSC and PAL
Up to 5M pixel camera sensor
Supports video capture resolution up to 1080p@30fps
Audio Subsystem
Audio Codec
Two audio digital-to-analog(DAC) channels
- 100 ± 3 dB SNR@A-weight
- Supports ADC sample rate from 8 KHz to 192 KHz
Two audio analog-to-digital(ADC) channels
- 93 ± 3 dB SNR@A-weight
- Supports ADC sample rate from 8 KHz to 48 KHz
Supports analog/ digital volume control
Supports Dynamic Range Controller(DRC) adjusting the DAC playback output
Supports Dynamic Range Control(DRC) adjusting the ADC recording input
Three audio inputs:
- Two differential microphone inputs
- One stereo Line-in L/R channel input
One audio output: Stereo line-out L/R channel output
I2S/PCM
2 I2S/PCM controllers
Compliant with standard Inter-IC sound(I2S) bus specification
Compliant with left-justified, right-justified, PCM mode, and TDM(Time Division Multiplexing) format
Supports 8-channel in TDM mode
Full-duplex synchronous work mode
Mater and slave mode configured
Clock up to 100 MHz
Adjustable audio sample resolution from 8-bit to 32-bit
Sample rate from 8 KHz to 192 KHz
Supports 8-bit u-law and 8-bit A-law companded sample
Supports programmable PCM frame width:1 BCLK width(short frame) and 2 BCLKs width(long frame)
One 128 depth x 32-bit width FIFO for data transmit, one 64 depth x 32-bit width FIFO for data receive
Programmable FIFO thresholds
One Wire Audio(OWA)
IEC-60958 transmitter functionality
Compliance with S/PDIF Interface
Supports channel status insertion for the transmitter
Hardware parity generation on the transmitter
One 32×24 bits FIFO (TX) for audio data transfer
Programmable FIFO thresholds
External Peripherals
USB
One USB 2.0 OTG,with integrated USB PHY
- Complies with USB2.0 Specification
- Supports High-Speed (HS,480Mbps),Full-Speed(FS,12Mbps) and Low-Speed(LS,1.5Mbps) in host mode
- Complies with Enhanced Host Controller Interface(EHCI)Specification, Version 1.0, and the Open Host Controller Interface(OHCI) Specification, Version 1.0a for host mode
- Up to 8 User-Configurable Endpoints in device mode
- Supports point-to-point and point-to-multipoint transfer in both host and peripheral mode
Three USB Host, with integrated USB PHY
- Complies with Enhanced Host Controller Interface(EHCI)Specification, Version 1.0, and the Open Host Controller Interface(OHCI) Specification, Version 1.0a.
Ethernet
Integrated an internal 10/100M PHY
Supports 10/100/1000Mbps data transfer rate
Supports MII/RGMII/RMII interface
Supports full-duplex and half-duplex operation
Programmable frame length
Automatic CRC and pad generation controllable on a per-frame basis
Options for Automatic Pad/CRC Stripping on receive frames
Programmable frame length to support Standard or Jumbo Ethernet frames with sizes up to 16 KB
Programmable Inter Frame Gap (40-96 bit times in steps of 8)
Supports a variety of flexible address filtering modes
CIR
A flexible receiver for IR remote
Programmable FIFO threshold
UART
Up to 5 UART controllers, one UART for CPUx debug, one UART for CPUs debug, others for UART applications
UART0: 2-wire; UART1/2/3: 4-wire; S_UART: 2-wire
Compliant with industry-standard 16450 and 16550 UARTs
Supports word length from 5 to 8 bits, an optional parity bit and 1,1.5 or 2 stop bits
Programmable parity(even, odd and no parity)
64-byte Transmit and receive data FIFOs for all UART
SPI
Up to 2 SPI controllers
Full-duplex synchronous serial interface
Master/Slave configurable
Mode0~3 are supported for both transmit and receive operations
Two 64-byte FIFO for SPI-TX and SPI-RX operation
DMA-based or interrupt-based operation supported
Polarity and phase of the chip select(SPI_SS) and SPI_Clock(SPI_SCLK) are configurable
The maximum frequency is 100MHz
Supports single and dual read mode
TWI
Up to 4 TWI(Two Wire Interface) controllers
Supports Standard mode(up to 100K bps) and Fast mode(up to 400K bps)
Master/Slave configurable
Allows 10-bit addressing transactions
Perform arbitration and clock synchronization
Allows operation from a wide range of input clock frequencies
TSC
Up to 4 TSC(Transport Stream Controller)
Compliant with the industry-standard AMBA Host Bus(AHB) Specification, Revision 2.0.Supports 32-bit Little Endian bus
Supports DVB-CSA V1.1 Descrambler
One external Synchronous Parallel Interface(SPI) or one external Synchronous Serial Interface(SSI)
Configurable SPI and SSI timing parameters
Hardware packet synchronous byte error detecting
Hardware PCR packet detecting
SCR
Up to 2 SCR(Smart Card Reader) controllers
Supports APB slave interface for easy integration with AMBA-based host systems
Supports the ISO/IEC 7816-3:1997(E) and EMV2000 (4.0) Specifications
Supports adjustable clock rate and bit rate
Configurable automatic byte repetition
Supports asynchronous half-duplex character transmission and block transmission
Supports synchronous and any other non-ISO 7816 and non-EMV cards
Performs functions needed for complete smart card sessions, including:
- Card activation and deactivation
- Cold/warm reset
- Answer to Reset (ATR) response reception
- Data transfers to and from the card
Package
FBGA 347 balls, 0.65mm ball pitch, 14mm x 14mm
图1.Allwinner H5处理器框图
NanoPI NEO2是友善之臂团队(Friendly Elec)推出的全新一代超小型ARM计算机,它采用全志64位四核A53处理器H5, 内置六核Mail450 GPU, 集成512M DDR3内存,可支持运行Ubuntu Core,Armbian等嵌入式 *** 作系统。NEO2依然小巧精致,尺寸如一,并且和第一代NEO接口兼容。
更为惊人的是,在极其有限的空间里,NEO2采用了千兆以太网接口,并带有1个标准USB接口,因此非常适合对体积要求高,数据传输量大,数据传输速度快,和更高计算性能的物联网应用;它也是创客、高端极客们发挥创意的绝佳选择。
NanoPI NEO2超小型ARM计算机主要特性:
The NanoPI NEO2 is a newly released super tiny ARM board by FriendlyElec. It uses Allwinner’s 64-bit H5 quad-core SoC (ARM Cortex-A53). It has internal hexa-core Mail450 GPU, 512M DDR3 RAM. AUbuntuCore and Armbian image files are ready for it.
The NanoPi NEO2 inherits NEO’s form factor and has compatible interfaces and ports with NEO. In addition in such a small dimension it has Gbps Ethernet and one USB host port. These features make it especially suitable for applications that require high data throughput , speedy data transmission and high performance. Hobbyists and makers will just love it.
硬件指标:
CPU: Allwinner H5, Quad-core 64-bit high-performance Cortex A53
DDR3 RAM: 512MB
网络:10/100/1000M 以太网口, 采用RTL8211E-VB-CG网络传输芯片
USB Host: 3路,其中1路为标准A型口,另外2路位于GPIO2
MicroSD Slot:1个, 支持启动和存储系统
指示灯: 2个, 分别用于电源, 和系统状态(蓝色)
GPIO1: 24pin, 2.54mm间距双排针,兼容树莓派GPIO之管脚1-24,含UART, SPI, i2c, IO等管脚资源
GPIO2: 12pin, 2.54mm间距双排针, 含USB, 红外接收, I2S, IO等管脚资源
调试串口: 4Pin, 2.54mm间距单排针
音频输入和输出: 5Pin, 2.0mm间距单排针
PCB Size: 40 x 40mm
MicroUSB: 供电(5V/2A),并具备OTG功能
OS/Software: u-boot,Ubuntu Core
Weight: 13g(WITHOUT Pin-headers)
CPU: Allwinner H5, Quad-core 64-bit high-performance Cortex A53
DDR3 RAM: 512MB
Connectivity: 10/100/1000M Ethernet, RTL8211E-VB-CG chip
USB Host: USB Type A x 1 and USB pin header x 2
MicroSD Slot: MicroSD x 1 for system boot and storage
LED: Power LED x 1, System LED(Blue) x 1
GPIO1: 2.54mm pitch 24 pin-header, compatible with Raspberry Pi’s GPIO pin1 - pin 24. It includes UART, SPI, I2C, IO etc
GPIO2: 2.54mm pitch 12 pin-header. It includes USB, IR receiver, I2S, IO etc
Serial Debug Port: 2.54mm pitch 4pin-header
Audio In/Out: 2.0mm pitch 5 pin-header
MicroUSB: Power input(5V/2A) and OTG
PCB Dimension: 40 x 40mm
Working Temperature: -30℃ to 70℃
Weight: 13g(WITHOUT Pin-headers)
OS/Software: u-boot,Ubuntu Core
软件特性:
uboot
mainlineuboot released on May 2017
UbuntuCore 16.04
64-bit system
mainline kernel: Linux-4.11.2
rpi-monitor: check system status and information
npi-config: system configuration utility for setting passwords, language, timezone, hostname, SSH and auto-login,and enabling/disabling i2c, spi, serial and PWM. When enabling PWM it will prompt that Serial debug port will be disabled.
software utility: wiringNP to access GPIO pins
software utility: RPi.GPIO_NP to access GPIO pins
networkmanager: manage network
system log output from serial port
supports USB WiFi module: refer to #Connect USB WiFi to NEO
supports audio recording and playing with 3.5mm audio jack
supports I2C 0/1
fixed MAC address
Ubuntu OLED
mainline kernel: Linux-4.11.2
supportsFriendlyElec’s OLED module
![Friendly Elec基于Allwinner H5的NanoPi NEO2开发方案,第2张 Friendly Elec基于Allwinner H5的NanoPi NEO2开发方案,[原创] Friendly Elec基于Allwinner H5的NanoPi NEO2开发方案,第2张](/upload/website_attach/20220727/2049151334_0.jpg)
图2.NanoPI NEO2超小型ARM计算机外形图
![Friendly Elec基于Allwinner H5的NanoPi NEO2开发方案,第3张 Friendly Elec基于Allwinner H5的NanoPi NEO2开发方案,[原创] Friendly Elec基于Allwinner H5的NanoPi NEO2开发方案,第3张](/upload/website_attach/20220727/20494B949_0.jpg)
图3.NanoPI NEO2超小型ARM计算机框图
![Friendly Elec基于Allwinner H5的NanoPi NEO2开发方案,第4张 Friendly Elec基于Allwinner H5的NanoPi NEO2开发方案,[原创] Friendly Elec基于Allwinner H5的NanoPi NEO2开发方案,第4张](/upload/website_attach/20220727/2050021P7_0.png)
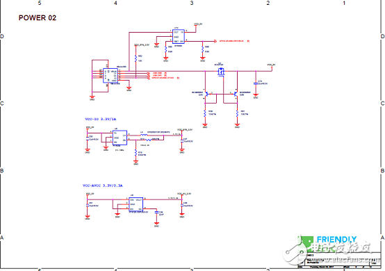
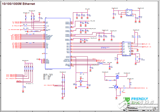
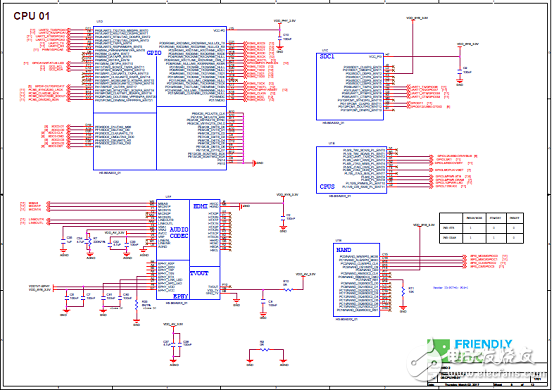
图4.NanoPI NEO2超小型ARM计算机电路图(1)
![Friendly Elec基于Allwinner H5的NanoPi NEO2开发方案,第5张 Friendly Elec基于Allwinner H5的NanoPi NEO2开发方案,[原创] Friendly Elec基于Allwinner H5的NanoPi NEO2开发方案,第5张](/upload/website_attach/20220727/20501ET7_0.png)
图5.NanoPI NEO2超小型ARM计算机电路图(2)
![Friendly Elec基于Allwinner H5的NanoPi NEO2开发方案,第6张 Friendly Elec基于Allwinner H5的NanoPi NEO2开发方案,[原创] Friendly Elec基于Allwinner H5的NanoPi NEO2开发方案,第6张](/upload/website_attach/20220727/20504645L_0.png)
图6.NanoPI NEO2超小型ARM计算机电路图(3)
![Friendly Elec基于Allwinner H5的NanoPi NEO2开发方案,第7张 Friendly Elec基于Allwinner H5的NanoPi NEO2开发方案,[原创] Friendly Elec基于Allwinner H5的NanoPi NEO2开发方案,第7张](/upload/website_attach/20220727/205101H29_0.png)
图7.NanoPI NEO2超小型ARM计算机电路图(4)
![Friendly Elec基于Allwinner H5的NanoPi NEO2开发方案,第8张 Friendly Elec基于Allwinner H5的NanoPi NEO2开发方案,[原创] Friendly Elec基于Allwinner H5的NanoPi NEO2开发方案,第8张](/upload/website_attach/20220727/20511A543_0.png)
图8.NanoPI NEO2超小型ARM计算机电路图(5)
![Friendly Elec基于Allwinner H5的NanoPi NEO2开发方案,第9张 Friendly Elec基于Allwinner H5的NanoPi NEO2开发方案,[原创] Friendly Elec基于Allwinner H5的NanoPi NEO2开发方案,第9张](/upload/website_attach/20220727/20514H552_0.png)
图9.NanoPI NEO2超小型ARM计算机电路图(6)
![Friendly Elec基于Allwinner H5的NanoPi NEO2开发方案,第10张 Friendly Elec基于Allwinner H5的NanoPi NEO2开发方案,[原创] Friendly Elec基于Allwinner H5的NanoPi NEO2开发方案,第10张](/upload/website_attach/20220727/2052019441_0.png)
图10.NanoPI NEO2超小型ARM计算机电路图(7)
![Friendly Elec基于Allwinner H5的NanoPi NEO2开发方案,第11张 Friendly Elec基于Allwinner H5的NanoPi NEO2开发方案,[原创] Friendly Elec基于Allwinner H5的NanoPi NEO2开发方案,第11张](/upload/website_attach/20220727/2052152N8_0.png)
图11.NanoPI NEO2超小型ARM计算机电路图(8)
![Friendly Elec基于Allwinner H5的NanoPi NEO2开发方案,第12张 Friendly Elec基于Allwinner H5的NanoPi NEO2开发方案,[原创] Friendly Elec基于Allwinner H5的NanoPi NEO2开发方案,第12张](/upload/website_attach/20220727/2052451534_0.png)
图12.NanoPI NEO2超小型ARM计算机电路图(9)
![Friendly Elec基于Allwinner H5的NanoPi NEO2开发方案,第13张 Friendly Elec基于Allwinner H5的NanoPi NEO2开发方案,[原创] Friendly Elec基于Allwinner H5的NanoPi NEO2开发方案,第13张](/upload/website_attach/20220727/205301JY_0.png)
图13.NanoPI NEO2超小型ARM计算机电路图(10)
欢迎分享,转载请注明来源:内存溢出
微信扫一扫
支付宝扫一扫
评论列表(0条)