
本文主要是关于安川a1000变频器的相关介绍,就安川a1000变频器的接线问题进行了详细阐述。
安川变频器安川变频器全称为“安川交流变频调速器”,主要用于三相异步交流电机,用于控制和调节电机速度。安川变频器是世界知名的变频器之一,由安川电机株式会社生产。源于安川电机对电动机的输入了解,安川变频器以其卓越的控制性能和优异的产品品质,依靠安川人“以独特的技术,为社会和公共事业做贡献”的理念得到全球工业领域的认可。安川变频器代表着高性能高可靠性和高安全性。
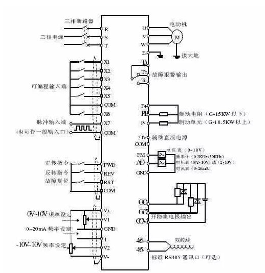
安川a1000变频器接什么线电位器接在10v,地,0到10v输入点,电流表接0到10v输出点上,但还要看你电流表的选型。
安川变频器接线图解

接线图
变频器接线方法
一、主电路的接线
1、电源应接到变频器输入端R、S、T接线端子上,一定不能接到变频器输出端(U、V、W)上,否则将损坏变频器。接线后,零碎线头必须清除干净,零碎线头可能造成异常,
失灵和故障,必须始终保持变频器清洁。等进入变频器中。
2、在端子+,PR间,不要连接除建议的制动电阻器选件以外的东西,或绝对不要短路。
3、电磁波干扰,变频器输入/输出(主回路)包含有谐波成分,可能干扰变频器附近的通讯设备。因此,安装选件无线电噪音滤波器FR-BIF或FRBSF01或FR-BLF线路噪音滤波器,使干扰降到最小。
4、长距离布线时,由于受到布线的寄生电容充电电流的影响,会使快速响应电流限制功能降低,接于二次侧的仪器误动作而产生故障。因此,最大布线长度要小于规定值。不得已布线长度超过时,要把Pr.156设为1。
5、在变频器输出侧不要安装电力电容器,浪涌抑制器和无线电噪音滤波器。否则将导致变频器故障或电容和浪涌抑制器的损坏。
6、为使电压降在2%以内,应使用适当型号的导线接线。变频器和电动机间的接线距离较长时,特别是低频率输出情况下,会由于主电路电缆的电压下降而导致电机的转矩下降。
7、运行后,改变接线的 *** 作,必须在电源切断10min以上,用万用表检查电压后进行。断电后一段时间内,电容上仍然有危险的高压电。
二、控制电路的接线
变频器的控制电路大体可分为模拟和数字两种。
1、控制电路端子的接线应使用屏蔽线或双绞线,而且必须与主回路,强电回路(含200V继电器程序回路)分开布线。
2、由于控制电路的频率输入信号是微小电流,所以在接点输入的场合,为了防止接触不良,微小信号接点应使用两个并联的节点或使用双生接点。
3、控制回路的接线一般选用0.3~0.75平方米的电缆。
三、地线的接线
1、由于在变频器内有漏电流,为了防止触电,变频器和电机必须接地。
2、变频器接地用专用接地端子。接地线的连接,要使用镀锡处理的压接端子。拧紧螺丝时,注意不要将螺丝扣弄坏。
3、镀锡中不含铅。
4、接地电缆尽量用粗的线径,必须等于或大于规定标准,接地点尽量靠近变频器,接地线越短越好。
变频器接线注意
1、变频器本身有较强的电磁干扰,会干扰一些设备的工作,因此我们可以在变频器的输出电缆上加上电缆套。
2、变频器或控制柜内的控制线距离动力电缆至少100mm等等。
3、在购买变频器的时候都会有变频器说明书。如果没有的话,您可以上您所购买的品牌的官方网站上去下载。变频器说明书上面的内容相当详细,包括产品介绍、工作原理、安装调试等等。
安川变频器维修保养常识安川变频器等、驱动器等各种电气电子设备在使用过程中,除了要严格产品相关说明来 *** 作,以减少安川变频器的维修几率之外,平时也要做好正确的保养与养护,这样同样有利于减少维修几率,从而降低维修成本。至于安川变频器的维修保养方法,凌科自动化科技有限公司的为大家总结了以下几点:
首先,要做好设备的清洗以及除尘。关于清洁的问题,不仅仅是表面的清洁,同时也有内部的一些清洁。表面清洁可以稍微频繁一些,关于安川变频器内部的清洁,*由长期 *** 作的技术人员来进行。
其次,为了减少安川变频器的维修频率,降低维修成本,一定要严格按照安川变频器的使用说明进行 *** 作,不能让设备超负荷劳作。而且为了避免设备的损坏,在每次重新启动设备之前,都需要进行一段时间的试运转,也保证设备可以正常运行。
关于变频器的日常维修技巧和经验,也需要在日常使用过程中进行积累。每次出现一些故障,都需要把相应的故障代码,以及故障现象,还有处理方式进行总结,尤其是在自己无法处理,需要由其它技术人员或者是专业维修中心解决的时候,更应该详细记录检测方法与裹成。在整个过程中不断的积累与学习,久而久之就能够掌握足够的安川变频器维修保养知识。
结语关于安川a1000变频器的相关介绍就到这里,希望通过本文能让你对安川a1000变频器有更加全面的认识,如有不足之处欢迎指正。
欢迎分享,转载请注明来源:内存溢出
微信扫一扫
支付宝扫一扫
评论列表(0条)