
关键词: 电路图 , 断电 , 家电
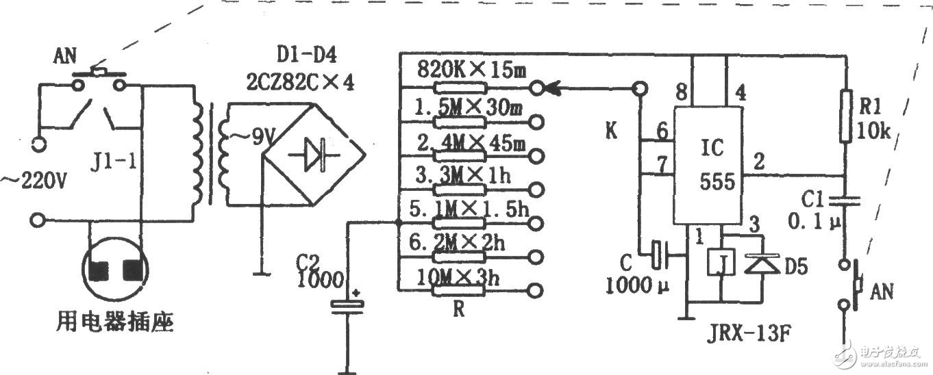
如图所示为家电定时断电控制电路。该控制器由降压整流电路、定时电路、继电器控制电路等组成。其中降压整流电路为整个控制器提供电源。
2010-1-27 12:26:44 上传

定时电路即为由IC(555)和R,C等元件组成的单稳延时电路,定时时间取决于充放电时间常数RC的大小。图中所示参数对应的是从15分钟到3小时的多挡定时。
当按下按钮开关AN时,555因②脚电位为低电平而发生置位,③脚输出的高电平使继电器J吸合,触点J1-1闭合,使插座电源接通,此时计时开始,且电容器C通过R进行充电。当C上电压充到使555⑥脚电位高于2/3VDD时,555被复位,③脚输出的低电平使继电器J释放,触点J1-1断开,家电断电。家电断电的定时时间可由K来选择不同的挡位。
欢迎分享,转载请注明来源:内存溢出
微信扫一扫
支付宝扫一扫
评论列表(0条)