
电流互感器在交流回路中使用,在交流回路中电流的方向随时间在改变。电流互感器的极性指的是某一时刻一次侧极性与二次侧某一端极性相同,即同时为正、 或同时为负,称此极性为同极性端或同名端,用符号“*”、“-” 或“。”表示。(也可理解为一次电流与二次电流的方向关系)。 按照规定,电流互感器一次线圈首端标为 L1,尾端标为 L2; 二次线圈的首端标为 K1,尾端标为 K2。在接线中 L1 和 K1 称为同极性端,L2 和 K2 也为同极性端。其三种标注方法如图 1 所示。 电流互感器同极性端的判别与耦合线圈的极性判别相同。较简单的方法例如用 1.5V 干电池接一次线圈,用一高内阻、 大量程的直流电压表接二次线圈。当开关闭合时,如果 发现电压表指针正向偏转,可判定 1 和 2 是同极性端, 当开关闭合时,如果发现电压表指针反向偏转,可判定1 和 2 不是同极性端。
电流互感器在三相电路中的几种常见接线方案如图4—32所示

1.一相式接线
该接线方式电流线圈通过的电流,反应—次电路相应相的电流。通常用于负荷平衡的三相电路如低压动力线路中,供测量电流、电能或接过负荷保护装置之用。
2.两相V形接线
该接线方式也称为两相不完全星形接线。在继电保护装置中称为两相两继电器接线。在中性点不接地的三相三线制电路中,广泛用于测量三相电流、电能及作过电流继电保护之用。两V形接线的公共线上的电流反映的是未接电流互感器那一相的相电流。
3.两相电流差接线
在继电保护装置中,此接线也称为两相一继电器接线。该接线方式适于中性点不接地的三相三线制电路中作过电流继电保护之用。该接线方式电流互感器二次侧公共线上的电流量值为相电流的(根号三,注:可能前面显示不出)倍。
4.三相星形接线
这种接线方式中的三个电流线圈,正好反映各相的电流.广泛用在负荷一般不平衡的i相四线制系统中,也用在负荷可能不平衡的三相三线制系统中,作三相电流、电能测量及过电流继电保护之用。
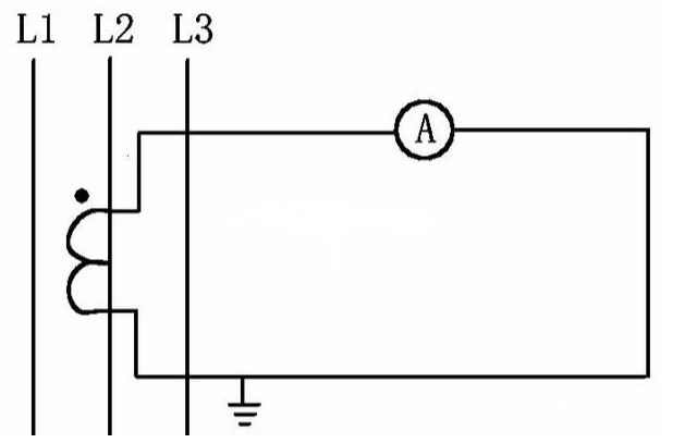
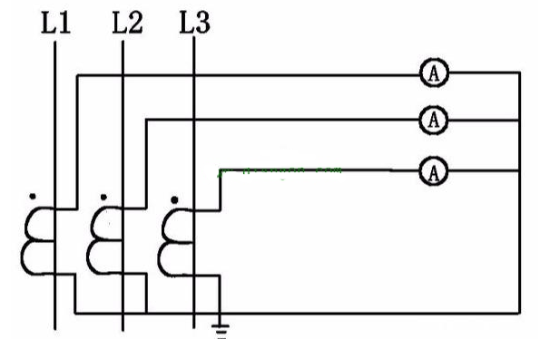
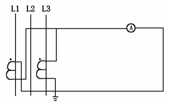
以下是电流互感器的几种接线方法:

A
图A,一台互感器接线,主要用于测量对称三相电路中线路上的电流。

B
图B,三台互感器星形接线方法,可测量对称和不对称三相电路(包括三相四线)中线路上的电流。

C
图C,两台互感器V形接线方法,测量对称和不对称三相三线电路中线路上的电流。三相电流矢量和为零,所以最下面电流表测量的是未装互感器那相的电流。此接法也可用于继电保护接线,但灵敏度低。

D
图D,两台互感器电流差接线法,用于线路、电机、并联电容器的继电保护接线,灵敏度较高。
欢迎分享,转载请注明来源:内存溢出
微信扫一扫
支付宝扫一扫
评论列表(0条)